电脑桌面
添加小米粒文库到电脑桌面
安装后可以在桌面快捷访问

产品责任险风险评估表(1)(1)VIP免费

产品责任险风险评估表(1)(1)_第1页
1/6
产品责任险风险评估表(1)(1)_第2页
2/6
产品责任险风险评估表(1)(1)_第3页
3/6
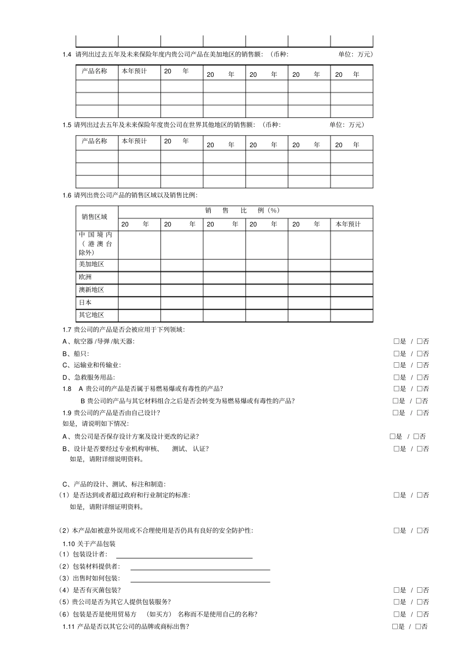
产品责任险风险评估表一、投保人及被保险人基本资料1.投保人名称及地址:2.被保险人名称及地址:3.被保险人所属行业类别:(请打勾选择;若为“其他”,请注明具体营业性质)□化学原料和化学制品工业□医药制造业□橡胶制品业□塑料制品业□造纸和纸制品业□文具用品制造业□金属冶炼和压延加工业、金属制品业□非金属制造加工□普通机械制造业□专用设备制造业□交通运输设备制造业□电子通讯类制造业□电气机械及器材制造业□食品加工制造业□饮料制造业□烟草制造加工业□纺织业□服装制造加工业□其他制造加工业□石油化学工业□石油工业□发电行业□其他:4.公司成立时间:5.业务性质:□生产商□销售商□贸易公司□其它6.以目前公司名称从事该行业的年数:共年,从年至年7.在国外包括美加地区是否有附属机构?□有/□无如有,请说明项目性质:□独立公司□合资公司□代表处□销售处□其它请列明在美加地区的机构地址。名称:地址:二、风险评估信息1.产品信息:1.1以下产品投保本保险:产品名称投产时间币种年销售额(万元)销售对象产品生命周期批发商零售商其他制造商直接用户请简要说明贵司产品主要用途,并提供产品介绍手册和使用说明书。1.2贵公司是否有意在本保险中追加其它新的产品?□是/□否如果是,请说明产品名称、销售地区和预计销售额。1.3请列出过去五年及未来保险年度内贵公司在中华人民共和境内(港澳台除外)的销售额:(币种:单位:万元)产品名称本年预计20年20年20年20年20年1.4请列出过去五年及未来保险年度内贵公司产品在美加地区的销售额:(币种:单位:万元)产品名称本年预计20年20年20年20年20年1.5请列出过去五年及未来保险年度贵公司在世界其他地区的销售额:(币种:单位:万元)产品名称本年预计20年20年20年20年20年1.6请列出贵公司产品的销售区域以及销售比例:销售区域销售比例(%)20年20年20年20年20年本年预计中国境内(港澳台除外)美加地区欧洲澳新地区日本其它地区1.7贵公司的产品是否会被应用于下列领域:A、航空器/导弹/航天器:□是/□否B、船只:□是/□否C、运输业和传输业:□是/□否D、急救服务用品:□是/□否1.8A贵公司的产品是否属于易燃易爆或有毒性的产品?□是/□否B贵公司的产品与其它材料组合之后是否会转变为易燃易爆或有毒性的产品?□是/□否1.9贵公司的产品是否由自己设计?□是/□否如是,请说明如下情况:A、贵公司是否保存设计方案及设计更改的记录?□是/□否B、设计是否要经过专业机构审核、测试、认证?□是/□否如是,请附详细说明资料。C、产品的设计、测试、标注和制造:(1)是否达到或者超过政府和行业制定的标准:□是/□否如是,请附详细证明资料。(2)本产品如被意外误用或不合理使用是否仍具有良好的安全防护性:□是/□否1.10关于产品包装(1)包装设计者:(2)包装材料提供者:(3)出售时如何包装:(4)是否有灭菌包装?□是/□否(5)贵公司是否为其它人提供包装服务?□是/□否(6)包装是否是使用贸易方(如买方)名称而不是使用自己的名称?□是/□否1.11产品是否以其它公司的品牌或商标出售?□是/□否A、如是,请列出贵公司使用的其他品牌或商标、销售的产品占全部销售额的比例B、这些产品的制造是根据:□您的设计要求□买方的设计要求1.12贵公司的产品是否有按照客户的要求而生产的情况?□是/□否如有,他们是否按照贵公司提供的说明测试产品?□是/□否贵公司是否从您的客户那里收到收货回执书?□是/□否1.13贵公司的产品或部件是否由其他人生产或提供?□是/□否A、如果是,请指出生产商和供应商现在实施的质量控制程序________________________________________________________________________________B、贵公司是否和生产商/供应商订有书面合同?□是/□否如是,合同中是否有对投保人有利的免责条款?□是/□否C、供应商是否有自己的产品责任保险?□是/□否如果是,请提供以下信息:保单责任限额:贵公司是否作为附加被保险人列明在保单中?□是/□否请提供有效的保险凭证。2.销售商责任2.1是否有人要求贵公司投保产品责任险?□是/□否如是,请明确是谁并附上他们的...

1、当您付费下载文档后,您只拥有了使用权限,并不意味着购买了版权,文档只能用于自身使用,不得用于其他商业用途(如 [转卖]进行直接盈利或[编辑后售卖]进行间接盈利)。
2、本站所有内容均由合作方或网友上传,本站不对文档的完整性、权威性及其观点立场正确性做任何保证或承诺!文档内容仅供研究参考,付费前请自行鉴别。
3、如文档内容存在违规,或者侵犯商业秘密、侵犯著作权等,请点击“违规举报”。

碎片内容

产品责任险风险评估表(1)(1)

确认删除?
VIP
微信客服
  • 扫码咨询
会员Q群
  • 会员专属群点击这里加入QQ群
客服邮箱
回到顶部