电脑桌面
添加小米粒文库到电脑桌面
安装后可以在桌面快捷访问

医用X射线诊断卫生防护标准VIP免费

医用X射线诊断卫生防护标准_第1页
1/10
医用X射线诊断卫生防护标准_第2页
2/10
医用X射线诊断卫生防护标准_第3页
3/10
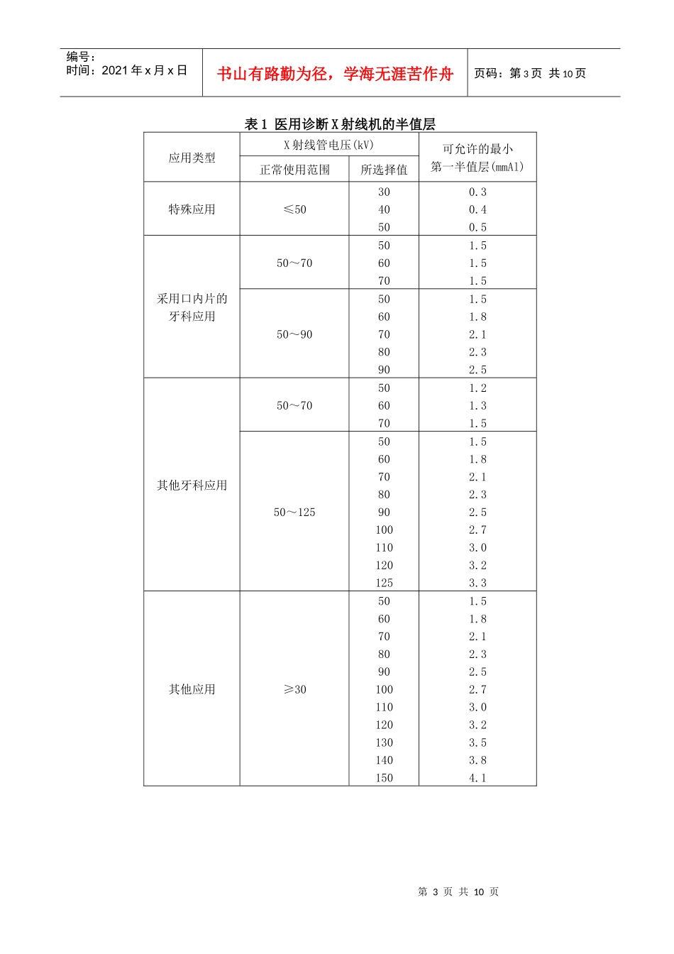
第1页共10页编号:时间:2021年x月x日书山有路勤为径,学海无涯苦作舟页码:第1页共10页医用X射线诊断卫生防护标准StandardsforradiologicalprotectioninmedicalX-raydiagnosisGBZ130-2002前言本标准第4—7章和附录A为强制性的,其余为推荐性的。根据《中华人民共和国职业病防治法》制定本标准,原标准GB8279-2001与本标准不一致的,以本标准为准。本标准主要就医用诊断X射线机产品的防护性能、医用诊断X射线机机房的防护设施、医用X射线诊断的防护安全操作等规定技术要求;而有关检测方法和检测要求由另一项相互配套的国家职业卫生标准GBZ138-2002《医用X射线诊断卫生防护监测规范》提出。本标准的附录A是规范性附录本标准由中华人民共和国卫生部提出并归口本标准起草单位:中国疾病预防控制中心辐射防护与核安全医学所、辽宁省劳动卫生职业病防治所、辽宁省医疗器械研究所。本标准主要起草人:郑钧正、张志兴、夏连季。本标准由中华人民共和国卫生部负责解释。1范围本标准规定了医用诊断X射线机(不包括C形臂X射线机)防护性能、X射线机机房防护设施和医用X射线诊断防护安全操作的技术要求。本标准适用于医用诊断x射线机的生产和使用。本标准不适用于介入放射学、血管造影等特殊检查和X射线CT检查。2规范性引用文件下列文件中的条款通过本标准的引用而成为本标准的条款。凡是注日期的引用文件,其随后所有的修改单(不包括勘误的内容)或修订版均不适用于本标准,然而,鼓励根据本标准达成协议的各方研究是否可使用这些文件的最新版本。凡是不注日期的引用文件,其最新版本适用于本标准。第2页共10页第1页共10页编号:时间:2021年x月x日书山有路勤为径,学海无涯苦作舟页码:第2页共10页GB9706.12-1997医用电气设备第一部分:安全通用要求三、并列标准诊断X射线设备辐射防护通用要求(idtIEC601-1-3:1994)IAEASafetySeriesNo.115(1996)IntemationalBasicSafetyStandardsforProtectionagainstIonizingRadiationandfortheSafetyofRadiationSources,《国际电离辐射防护与辐射源基本安全标准》3术语和定义下列术语和定义适用于本标准。3.1X射线管组件X-raytubeassemblyX射线管套内装有X射线管的组件。X射线管套(X-raytubehousing)是能防X射线辐射和防电击,带有辐射窗口的承装X射线管的容器。3.2X射线源组件X-raysourceassemblyX射线管组件与限束系统构成的组件。3.3加载loading在X射线发生装置中,对X射线管阳极施加电能量的动作。3.4焦皮距focalspottoskindistance在放射诊断中,X射线管焦点至受检者皮肤的最近距离。4总则4.1在发展利用医用X射线诊断技术的同时,必须保众的放射安全与健康。4.2医用X射线诊断工作者所受的职业照射应遵从实下述剂量限值:a)连续5年内平均年有效剂量20mSv;b)任何一年中有效剂量50mSv;c)眼晶体的当量剂量每年150mSv;d)手、脚及皮肤的当量剂量每年500mSv。4.3受检者所受的医疗照射,应遵循放射实践的正当性和放射防护的最优化原则,避免一切不必要的照射,对确实具有正当理由需要进行的医用X射线诊断检查,必须在获取所需诊断信息的同时,把受检者剂量控制到可以合理达到的尽可能低水平。5医用诊断X射线机防护性能的技术要求5.1医用诊断X射线机防护性能的通用要求5.1.1X射线管必须装在配有限束装置的X射线管套内,构成X射线源组件的一部分,方可使用。5.1.2X射线管组件辐射窗不应比其指定应用所需要的最大射线束所需要的大。必要时可借助尽可能接近焦点装配的光阑,将辐射窗限制到合适的尺寸上。5.1.3除了牙科X射线机外,当X射线源组件在相当于规定的1h最大输入能量加载条件下以标称X射线管电压运行时,其泄漏辐射距焦点1m处,在任一100cm2区域内的平均空气比释动能应不超过1.0mGy·h-1。5.1.4各种医用诊断X射线机,对于可在正常使用中采用的一切配置,投向患者体表的X射线束的第一半值层必须分别满足表1的要求。第3页共10页第2页共10页编号:时间:2021年x月x日书山有路勤为径,学海无涯苦作舟页码:第3页共10页表1医用诊断X射线机的半值层应用类型X射线管电压(kV)可允许的最小第一半值层(mmAl)正常使用范围所选择值特殊应用≤503040500.30.40.5采用口内片的牙...

1、当您付费下载文档后,您只拥有了使用权限,并不意味着购买了版权,文档只能用于自身使用,不得用于其他商业用途(如 [转卖]进行直接盈利或[编辑后售卖]进行间接盈利)。
2、本站所有内容均由合作方或网友上传,本站不对文档的完整性、权威性及其观点立场正确性做任何保证或承诺!文档内容仅供研究参考,付费前请自行鉴别。
3、如文档内容存在违规,或者侵犯商业秘密、侵犯著作权等,请点击“违规举报”。

碎片内容

医用X射线诊断卫生防护标准

您可能关注的文档

确认删除?
VIP
微信客服
  • 扫码咨询
会员Q群
  • 会员专属群点击这里加入QQ群
客服邮箱
回到顶部