电脑桌面
添加小米粒文库到电脑桌面
安装后可以在桌面快捷访问

【企业管理表格】财会--供应商VIP免费

【企业管理表格】财会--供应商_第1页
1/11
【企业管理表格】财会--供应商_第2页
2/11
【企业管理表格】财会--供应商_第3页
3/11
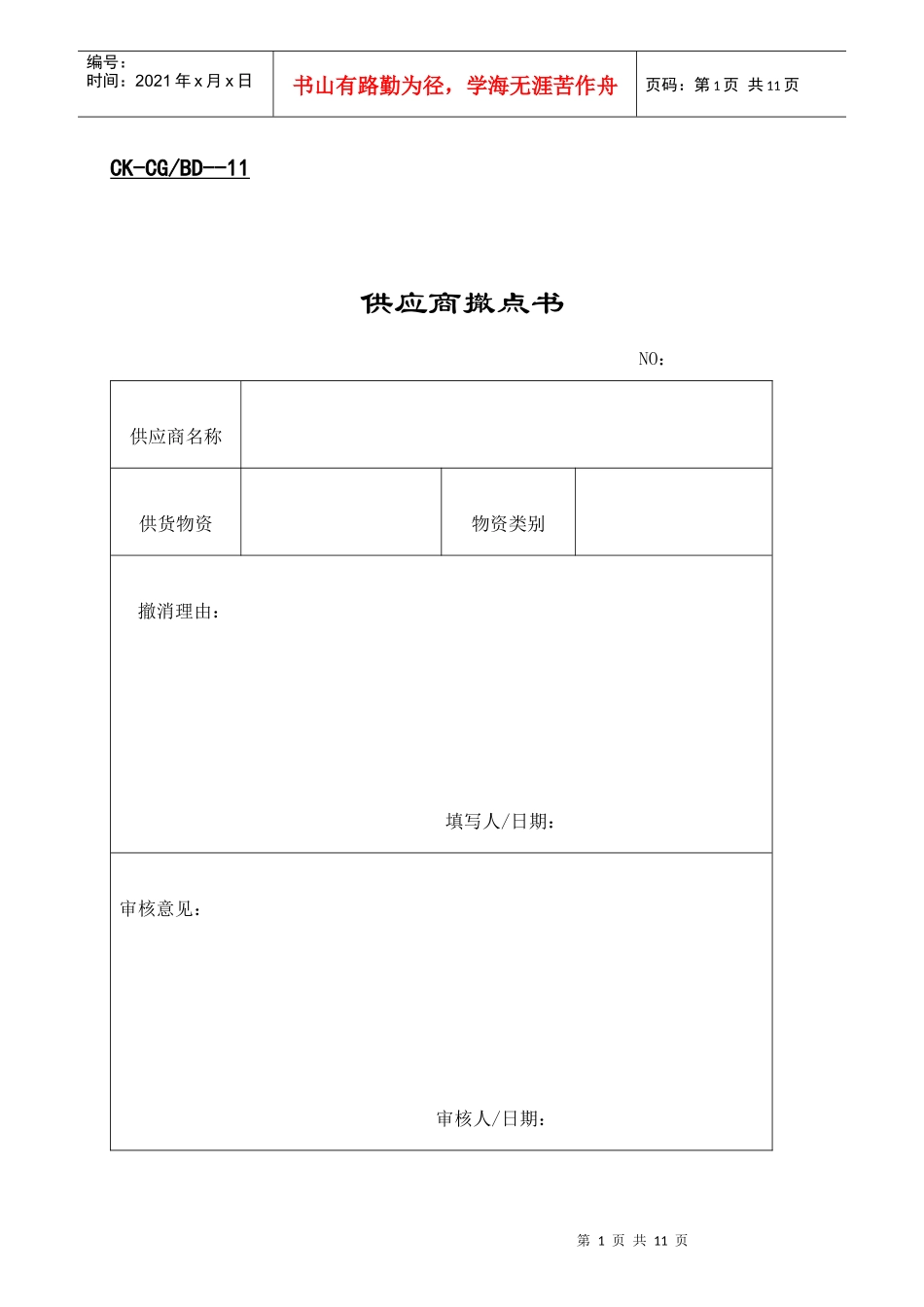
第1页共11页编号:时间:2021年x月x日书山有路勤为径,学海无涯苦作舟页码:第1页共11页CK-CG/BD--11供应商撤点书NO:供应商名称供货物资物资类别撤消理由:填写人/日期:审核意见:审核人/日期:第2页共11页第1页共11页编号:时间:2021年x月x日书山有路勤为径,学海无涯苦作舟页码:第2页共11页审批意见:审批人/日期:第3页共11页第2页共11页编号:时间:2021年x月x日书山有路勤为径,学海无涯苦作舟页码:第3页共11页CK-CG/BD--10供应商质量档案年月度编号:供应商名称地址进货日期物资名称产地单位数量检验结果供货及时性使用异常情况记载月度供货业绩评价:评价人/日期:第4页共11页第3页共11页编号:时间:2021年x月x日书山有路勤为径,学海无涯苦作舟页码:第4页共11页CK-CG/BD--10候选供应商审批表NO:新供应商名称原供应商名称物资名称物资类别原因:提出人/日期:第5页共11页第4页共11页编号:时间:2021年x月x日书山有路勤为径,学海无涯苦作舟页码:第5页共11页审核意见:审核人/日期:批准意见:批准人/日期:第6页共11页第5页共11页编号:时间:2021年x月x日书山有路勤为径,学海无涯苦作舟页码:第6页共11页质量保证协议1、目的:为明确公司(简称为甲方)对供应商的质量要求,并为供应商(简称为乙方)的产品不合格时,作为处理和索赔的依据。2、质量要求:2.1、乙方为甲方提供的产品,其性能必须符合甲方的《原材料技术标准》或《外协件内控标准》。2.2、乙方每次送货时,必须提供物资的合格证或自检报告等证明物资合格的材料。2.3、乙方的产品包装必须满足甲方要求;包装必须注明生产日期、生产批号、有效期、重量等。2.4、当甲方的顾客需要到乙方进行验证时,乙方应给予安排并配合验证工作。2.5、乙方必须保证百分之百的及时供货能力。3、发生不合格的处理:3.1、经甲方验证不符合《原材料技术标准》的原材料或不符合《外协内控标准》的外协件,乙方必须进行退货,并由乙方负担甲方的运输费及试验费。(运输费按每100公斤;10元/10公里、试验费按30元/100公斤)。3.2、发现乙方物资不合格时,应及时按甲方提供的信息进行整改,并在15天内提交给己方整改措施报告,经甲方确认后才能再次送货。备注:(虽然我公司对关键物资、重要物资、一般物资进行性能试验或检验,但在使用过程中如出现质量问题,乙方不能推卸责任,并由乙方负担全部损失)。乙方负责人签字(盖章):质量保证部签字(盖章):第7页共11页第6页共11页编号:时间:2021年x月x日书山有路勤为径,学海无涯苦作舟页码:第7页共11页CK-CG/BD--09供应商调查表供应商名称:地址:电话:邮政编码:企业类别:第8页共11页第7页共11页编号:时间:2021年x月x日书山有路勤为径,学海无涯苦作舟页码:第8页共11页供应商调查表内容供应商全称供应商性质上级主管机关建厂(经营部)日期建筑面积(m2)固定资产年销售产值职工总数企业负责人其中质量负责人营销负责人技术人员数研究/开发负责人高/中级职称人数检测员设备总数主要机构名称其第9页共11页第8页共11页编号:时间:2021年x月x日书山有路勤为径,学海无涯苦作舟页码:第9页共11页中机构设置物资名称型号产地供应物资供应商发展简介及质量保证能力第10页共11页第9页共11页编号:时间:2021年x月x日书山有路勤为径,学海无涯苦作舟页码:第10页共11页供应商贯标名称及日期是否通过第三方认证认证标准通过认证日期认证机构名称证书号供方负责人签字(盖章):日期:第11页共11页第10页共11页编号:时间:2021年x月x日书山有路勤为径,学海无涯苦作舟页码:第11页共11页审批意见:审批人/日期:注:(对封皮的企业类别分A.B两类。A、生产厂家B、代理商)。11

1、当您付费下载文档后,您只拥有了使用权限,并不意味着购买了版权,文档只能用于自身使用,不得用于其他商业用途(如 [转卖]进行直接盈利或[编辑后售卖]进行间接盈利)。
2、本站所有内容均由合作方或网友上传,本站不对文档的完整性、权威性及其观点立场正确性做任何保证或承诺!文档内容仅供研究参考,付费前请自行鉴别。
3、如文档内容存在违规,或者侵犯商业秘密、侵犯著作权等,请点击“违规举报”。

碎片内容

【企业管理表格】财会--供应商

确认删除?
VIP
微信客服
  • 扫码咨询
会员Q群
  • 会员专属群点击这里加入QQ群
客服邮箱
回到顶部