电脑桌面
添加小米粒文库到电脑桌面
安装后可以在桌面快捷访问

公路工程常用表格汇总VIP免费

公路工程常用表格汇总_第1页
1/141
公路工程常用表格汇总_第2页
2/141
公路工程常用表格汇总_第3页
3/141
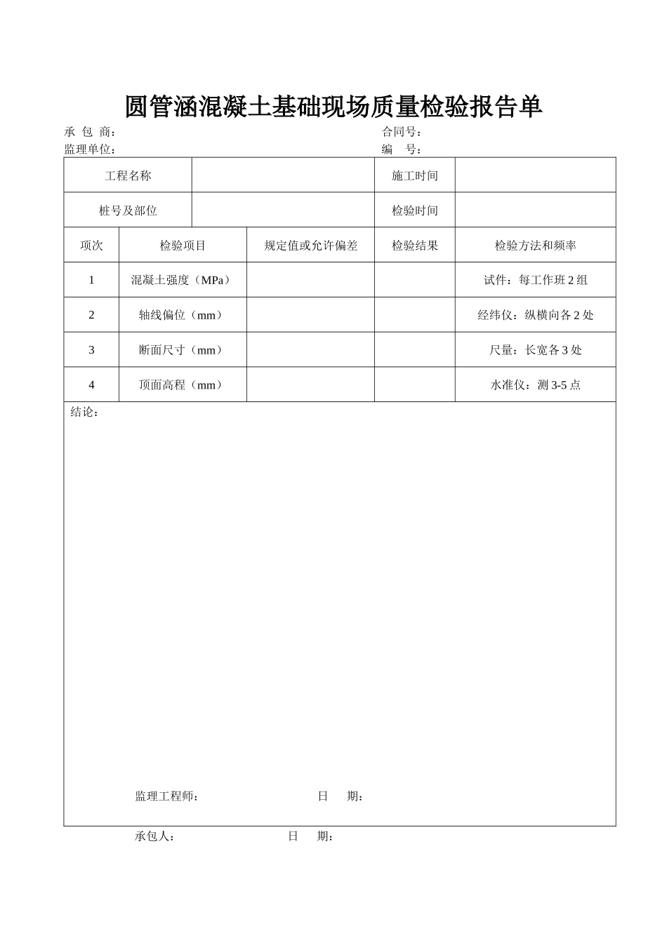
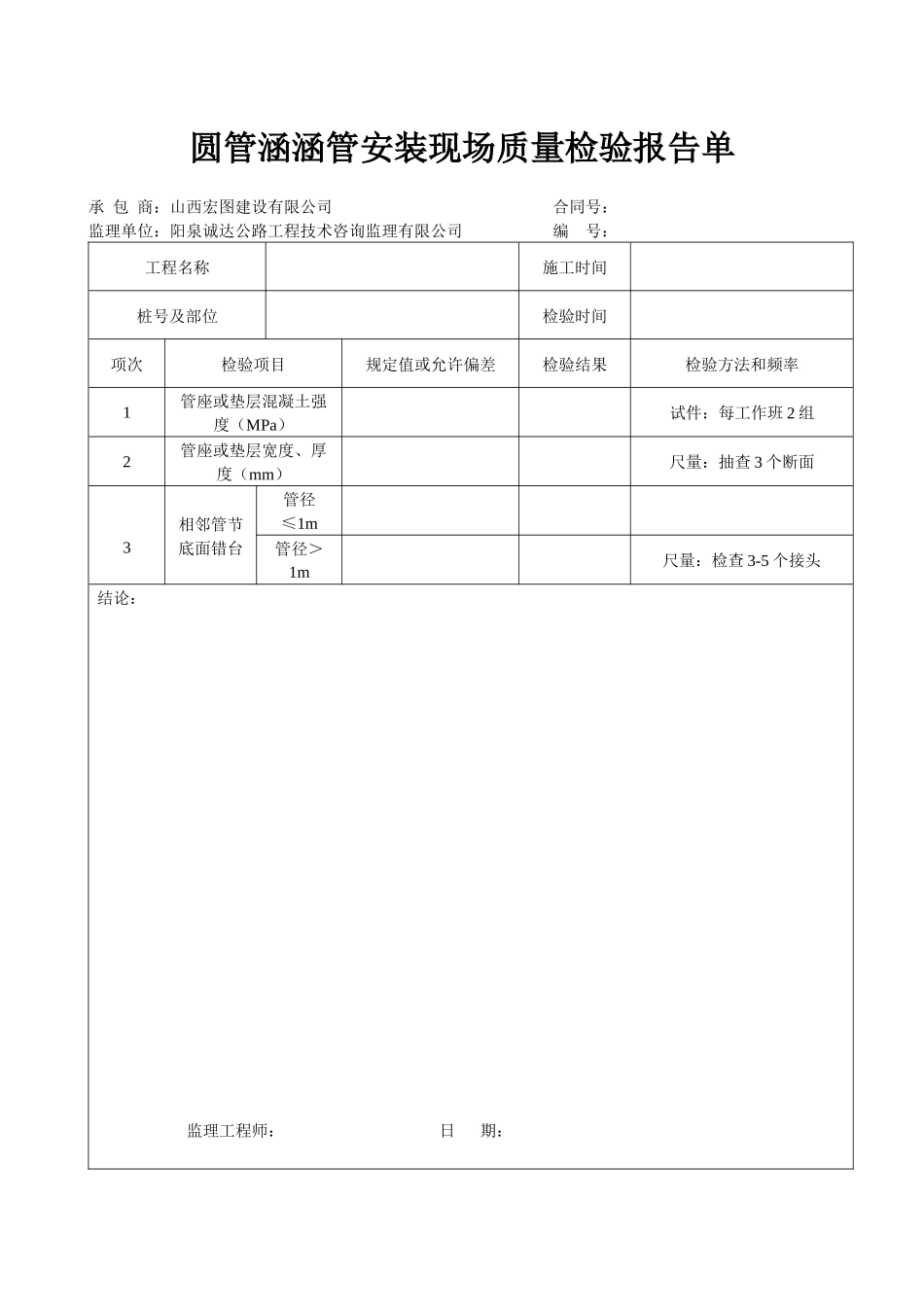
圆管涵混凝土基础现场质量检验报告单承包商:合同号:监理单位:编号:工程名称施工时间桩号及部位检验时间项次检验项目规定值或允许偏差检验结果检验方法和频率1混凝土强度(MPa)试件:每工作班2组2轴线偏位(mm)经纬仪:纵横向各2处3断面尺寸(mm)尺量:长宽各3处4顶面高程(mm)水准仪:测3-5点结论:监理工程师:日期:承包人:日期:圆管涵涵管安装现场质量检验报告单承包商:山西宏图建设有限公司合同号:监理单位:阳泉诚达公路工程技术咨询监理有限公司编号:工程名称施工时间桩号及部位检验时间项次检验项目规定值或允许偏差检验结果检验方法和频率1管座或垫层混凝土强度(MPa)试件:每工作班2组2管座或垫层宽度、厚度(mm)尺量:抽查3个断面3相邻管节底面错台管径≤1m管径>1m尺量:检查3-5个接头结论:监理工程师:日期:承包人:日期:中桩放样记录表项目名称:阳泉市郊区府东、府西路建设工程施工单位:山西宏图建设有限公司合同号:桩号坐标支仪点后视点距离坐标方位角测量:计算:复核:日期:投入本工程的主要人员表序号职务姓名数量备注检验表1土方路基现场质量检验报告单承包单位:合同号:监理单位:编号:工程名称桩号及部位施工日期检验日期填筑材料最大干密度最佳含水量检验项目规定值或允许偏差检验方法与频率检验结果压实度(%)不小于设计要求值密度法:每200m每压实层测4处纵断高程(mm)+10,-20水准仪:每200m测4断面中线偏位(mm)100经纬仪:每200m测4点宽度(mm)符合设计要求米尺:每200m测4处平整度(mm)203m直尺:每200m测2处×10尺横坡(%)±0.5水准仪:每200m测4个断面边坡(mm)符合设计要求尺量:每200m测4处外观检查质量评定施工负责人:质量检查员:驻地监理工程师:检验表1-1路基填前地表处理现场质量检验报告单承包单位:合同号:监理单位:编号:工程名称桩号及部位施工日期检验日期检验项目规定值或允许偏差检验方法与频率检验结果纵断高程(mm)+10,-20水准仪:每200m测4断面中线偏位(mm)100经纬仪:每200m测4点平整度(mm)203m直尺:每200m测2处×10尺横坡(%)±0.5水准仪:每200m测4个断面宽度(mm)符合设计要求米尺:每200m测4处清理清除垃圾、淤泥、杂草等目测、全施工段检查回填回填坑槽、洞穴,并按要求夯实路基排水排水积水,开挖边沟表土清除按设计要求清除不适宜土壤填前压实度(%)符合要求密度法:每200m每压实层测4处外观检查质量评定施工负责人:质量检查员:驻地监理工程师:检验表2石方路基现场质量检验报告单承包单位:合同号:监理单位:编号:工程名称桩号及部位施工日期检验日期填筑材料最大干密度最佳含水量检验项目规定值或允许偏差检验方法与频率检验结果压实度(%)层厚和碾压遍数符合要求查施工记录纵断高程(mm)+10,-30水准仪:每200m测4断面中线偏位(mm)100经纬仪:每200m测4点宽度(mm)符合设计要求米尺:每200m测4处平整度(mm)303m直尺:每200m测2处×10尺横坡(%)±0.5水准仪:每200m测4个断面边坡(mm)坡度符合设计要求尺量:每200m测4处平顺度外观检查质量评定施工负责人:质量检查员:驻地监理工程师:检验表3土工格栅现场质量检验报告单承包单位:合同号:监理单位:编号:工程名称桩号及部位施工日期检验日期检验项目规定值或允许偏差检验方法与频率检验结果下承层平整度、拱度符合设计施工要求每200米检查4处搭接宽度≥50(横向)≥150(纵向)抽查2%粘结力≥20抽查2%外观检查质量评定施工负责人:质量检查员:驻地监理工程师:检验表5伸缩缝安装现场质量检验报告单承包单位:合同号:监理单位:编号:工程名称桩号及部位施工日期检验日期检验项目规定值或允许偏差检验方法与频率检验结果长度(mm)符合设计要求尺量:每道缝宽(mm)符合设计要求尺量:每道2处与桥面高差(mm)2尺量:3-7处纵坡(%)大型±0.5水准仪:测量纵向锚固混凝土端部3处一般横向平整度(mm)33m直尺:每道外观检查质量评定施工负责人:质量检查员:驻地监理工程师:检验表6管道基础及管节安装现场质量检验报告单承包单位:合同号:监理单位:编号:工程名称桩号及部位施工日期检验...

1、当您付费下载文档后,您只拥有了使用权限,并不意味着购买了版权,文档只能用于自身使用,不得用于其他商业用途(如 [转卖]进行直接盈利或[编辑后售卖]进行间接盈利)。
2、本站所有内容均由合作方或网友上传,本站不对文档的完整性、权威性及其观点立场正确性做任何保证或承诺!文档内容仅供研究参考,付费前请自行鉴别。
3、如文档内容存在违规,或者侵犯商业秘密、侵犯著作权等,请点击“违规举报”。

碎片内容

公路工程常用表格汇总

您可能关注的文档

确认删除?
VIP
微信客服
  • 扫码咨询
会员Q群
  • 会员专属群点击这里加入QQ群
客服邮箱
回到顶部