电脑桌面
添加小米粒文库到电脑桌面
安装后可以在桌面快捷访问

第十四章 进出口合同的履行VIP免费

第十四章 进出口合同的履行_第1页
1/19
第十四章 进出口合同的履行_第2页
2/19
第十四章 进出口合同的履行_第3页
3/19
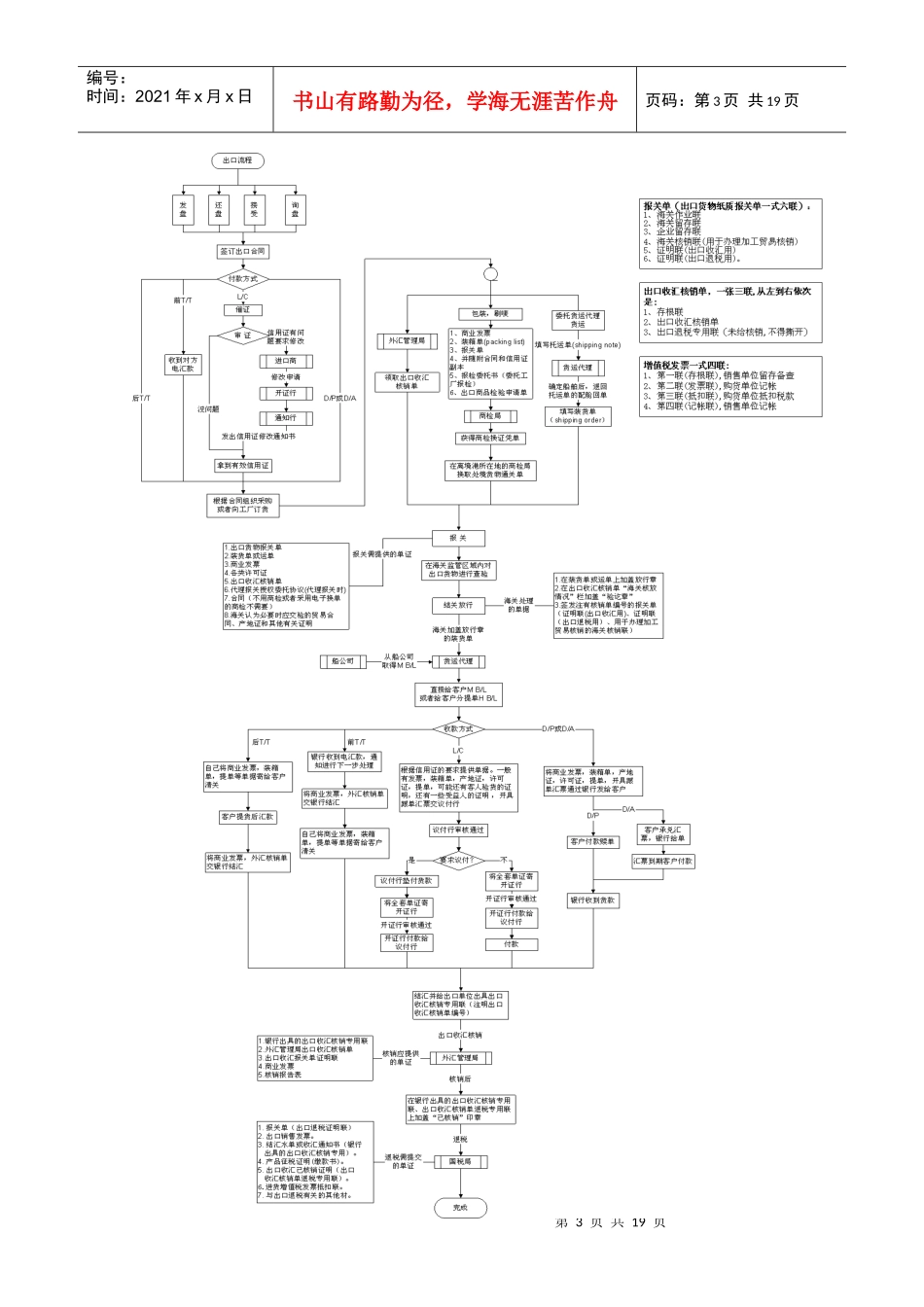
第1页共19页编号:时间:2021年x月x日书山有路勤为径,学海无涯苦作舟页码:第1页共19页义乌工商职业技术学院教案2009/2010学年第一学期课程名称国际贸易理论与实务授课教师陈英南单元号14单元课题第十四章:进出口合同的履行授课班级08国贸4班授课课时:理论2实践0单元教学目的及要求1、要求学生掌握履行出口合同的基本程序,审证的要点,出口结汇的各种方法;2、熟悉各种出口单据的制作,理解出口核销单的作用,了解进口环节中海关向进口企业或收货人征收的主要税种及其计算。单元教学内容1、了解不同结算方式及贸易术语下,进出口合同履行的的各环节的内容和做法。2、能够协调各个环节所涉及的相关部门的业务工作。单元教学重点1、信用证方式、CIF术语下,出口合同的履行程序。2、审证的要点、各种出口单据的制作。单元教学难点1、审证的要点、各种出口单据的制作第2页共19页第1页共19页编号:时间:2021年x月x日书山有路勤为径,学海无涯苦作舟页码:第2页共19页备注无第十四章进出口合同的履行【教学目标】要求学生掌握履行出口合同的基本程序,审证的要点,出口结汇的各种方法;熟悉各种出口单据的制作,理解出口核销单的作用,了解进口环节中海关向进口企业或收货人征收的主要税种及其计算。通过本章学习,你应该能够:1、了解不同结算方式及不同贸易术语下,进出口合同履行的的各环节的内容和做法。2、能够协调各个环节所涉及的相关部门的业务工作。【教学内容】第一节出口合同的履行在国际贸易中,国际货物买卖合同一旦依法有效成立,双方当事人必须各自履行合同规定的权利和义务。对出口贸易合同的签订和履行,有国际性的章程可循:如根据《联合国国际货物销售合同公约》的规定,卖方必须按合同和公约,交付货物,移交一切与货物有关的单据并转移货物所有权。履行合同是一项极为严肃的工作,必须谨慎对待,因为任何一方违反了合同中的某一条款,违约方就要承担相应的法律责任。与此同时,履行合同还是衡量企业资信状况的一个重要指标。如果依法订立了合同却不履约,势必带来信誉上的损失。此外,在履约过程中,还必须严格地贯彻我国的对外贸易方针政策,在平等互利的基础上,做到“重合同,守信用”,确保我国的对外贸易信誉。由此可见,严格履行合同具有十分重要的意义。在出口贸易中,进出口商选择的贸易术语及货款结算方式不同,出口合同履行的过程也不同,详见下图所示:第3页共19页第2页共19页编号:时间:2021年x月x日书山有路勤为径,学海无涯苦作舟页码:第3页共19页第4页共19页第3页共19页编号:时间:2021年x月x日书山有路勤为径,学海无涯苦作舟页码:第4页共19页下面本文按CIF术语成交、凭信用证方式付款的合同为例,将出口合同履行所涉及的各项业务分述如下。概括起来就是货(备货、报检)、证(催证、审证和改证)、船(办理货运手续、报关、投保)、款(制单结汇)四个环节。一、备货与报检(一)备货所谓备货,是指根据出口合同所规定的商品品质、规格、数量、重量、花色品种、包装等要求,按时保质保量准备好货物。其主要内容包括:及时向供货部门或生产企业进行逐一的交待、检查和督促,核实应交货物的品质、规格、数量和交运时间,并进行必要的包装以及刷制唛头等项工作。在备货交运过程中,应注意以下几点;1、对所备货物的品质、规格、花色品种要严格核对,使所交运的货物完全符合合同和信用证的规定。对于那些不符合要求的货物必须重新加工或调换。2、备货数量可适当有余,以备不测,在短缺时可以补足,避免短交。3、所备货物的包装必须符合出口合同规定,包括内外包装的方式方法、用料、重量等。由于运输公司按重量或体积计算运费,出口企业应尽量选择重量轻的小体积包装,以节省运输费用。随着技术进步,自动仓储环境处理的货物越来越多,货物在运输和仓储过程中,通常由传送带根据条形码自动扫描分拣。因此,应注意根据仓储要求,严格按统一尺寸对货物进行包装或将货物放置标准尺寸的牢固托盘上,并预先正确印制和贴放条形码。4、运输包装的刷唛,要按买卖双方约定的式样,要求图形和文字清晰、醒目,位置适当,涂料不易脱落和防止错刷。唛头式...

1、当您付费下载文档后,您只拥有了使用权限,并不意味着购买了版权,文档只能用于自身使用,不得用于其他商业用途(如 [转卖]进行直接盈利或[编辑后售卖]进行间接盈利)。
2、本站所有内容均由合作方或网友上传,本站不对文档的完整性、权威性及其观点立场正确性做任何保证或承诺!文档内容仅供研究参考,付费前请自行鉴别。
3、如文档内容存在违规,或者侵犯商业秘密、侵犯著作权等,请点击“违规举报”。

碎片内容

第十四章 进出口合同的履行

确认删除?
VIP
微信客服
  • 扫码咨询
会员Q群
  • 会员专属群点击这里加入QQ群
客服邮箱
回到顶部