电脑桌面
添加小米粒文库到电脑桌面
安装后可以在桌面快捷访问

14000法律-法规-标准及要求清单VIP免费

14000法律-法规-标准及要求清单_第1页
1/12
14000法律-法规-标准及要求清单_第2页
2/12
14000法律-法规-标准及要求清单_第3页
3/12
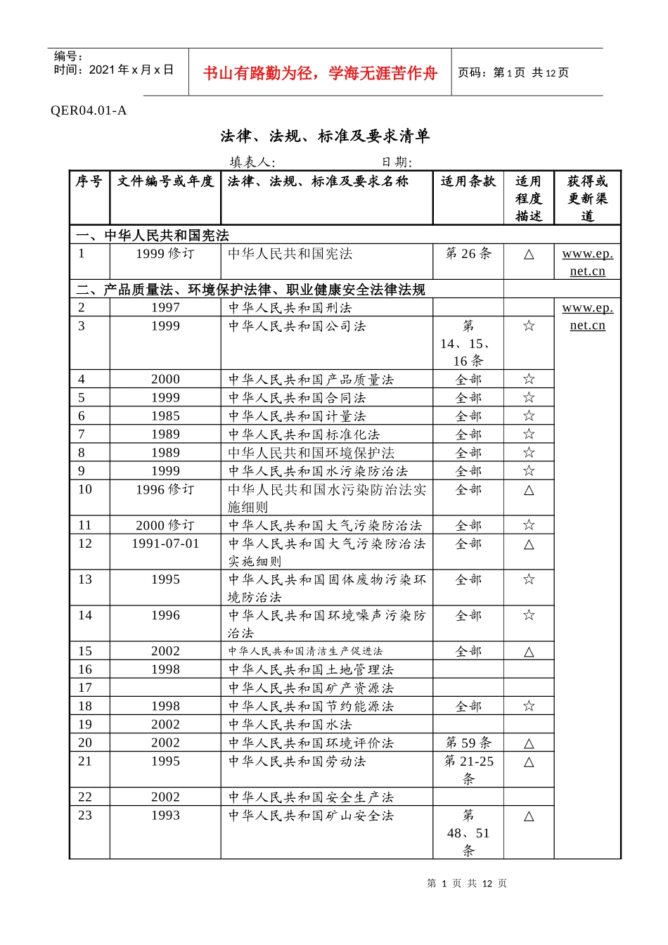
第1页共12页编号:时间:2021年x月x日书山有路勤为径,学海无涯苦作舟页码:第1页共12页法律、法规、标准及要求清单填表人:日期:序号文件编号或年度法律、法规、标准及要求名称适用条款适用程度描述获得或更新渠道一、中华人民共和国宪法11999修订中华人民共和国宪法第26条△www.ep.net.cn二、产品质量法、环境保护法律、职业健康安全法律法规21997中华人民共和国刑法www.ep.net.cn31999中华人民共和国公司法第14、15、16条☆42000中华人民共和国产品质量法全部☆51999中华人民共和国合同法全部☆61985中华人民共和国计量法全部☆71989中华人民共和国标准化法全部☆81989中华人民共和国环境保护法全部☆91999中华人民共和国水污染防治法全部☆101996修订中华人民共和国水污染防治法实施细则全部△112000修订中华人民共和国大气污染防治法全部☆121991-07-01中华人民共和国大气污染防治法实施细则全部△131995中华人民共和国固体废物污染环境防治法全部☆141996中华人民共和国环境噪声污染防治法全部☆152002中华人民共和国清洁生产促进法全部△161998中华人民共和国土地管理法17中华人民共和国矿产资源法181998中华人民共和国节约能源法全部☆192002中华人民共和国水法202002中华人民共和国环境评价法第59条△211995中华人民共和国劳动法第21-25条△222002中华人民共和国安全生产法231993中华人民共和国矿山安全法第48、51条△QER04.01-A第2页共12页第1页共12页编号:时间:2021年x月x日书山有路勤为径,学海无涯苦作舟页码:第2页共12页序号文件编号或年度法律、法规、标准及要求名称适用条款适用程度描述获得或更新渠道241998中华人民共和国消防法第16-18、25-28条☆251995中华人民共和国食品卫生法262002中华人民共和国职业病防治法271996中华人民共和国煤炭法282003中华人民共和国道路交通安全法291983中华人民共和国海上交通安全法301992中华人民共和国妇女权益保障法312001中华人民共和国工会法321992中华人民共和国未成年人保护法331990中华人民共和国铁路法341991中华人民共和国残疾人保障法三、环境保护和职业健康安全行政法规、规章、规范性文件352002排污费征收使用管理条例第12条☆www.ep.net.cn362003排污费征收标准管理办法(附件一:排污费征收标准及计算方法)371997国务院关于加强乡镇、街道企业环境管理的规定第九条△381997关于加强乡镇企业环境保护工作的规定391992关于加强外商投资建设项目环境保护管理的通知第三、四、五条401996国务院关于环境保护若干问题的决定第三条△411992排放污染物申报登记管理规定(第十号局令)全部☆421988水污染物排放许可证管理暂行办法第5-15条☆431989饮用水水源保护区污染防治管理规定△441988污水处理设施环境保护监督管理办法△45公消[1999]031号《关于逐步淘汰哈龙固定灭火系统和哈龙灭火器有关问题的通知》☆第3页共12页第2页共12页编号:时间:2021年x月x日书山有路勤为径,学海无涯苦作舟页码:第3页共12页序号文件编号或年度法律、法规、标准及要求名称适用条款适用程度描述获得或更新渠道462001节约用电管理办法△471999中国逐步淘汰臭氧层物质国家方案△481995淮河流域水污染防治暂行条例492001淮河和太湖流域排放重点水污染物许可证管理办法(试行)50环发[1997]634号酸雨控制区和二氧化硫污染控制区划分方案51卫法监发[2002]99号食品生产经营单位废弃食用油脂管理的规定522003医疗废物管理条例532003安全生产违法行为行政处罚办法542001国务院关于特大安全事故行政责任追究的规定55劳部发[1995]322号重大事故隐患管理规定562003建设工程安全生产管理条例571956工厂安全卫生规程581963国务院关于加强企业生产中安全工作的几项规定591986电气安全管理规程601987中华人民共和国内河交通安全管理条例611987电力设施保护条例621988水利电力安全生产工作条例631988烟草行业安全管理暂行条例641988中华人民共和国道路交通管理条例651994外商投资企业劳动管理规定661994劳动监察员管理办法672000煤矿安全监察条例681994矿山建设工程安全监督实施办法691987乡镇煤矿安全规程701995矿山安全监察工作规则712001煤矿安...

1、当您付费下载文档后,您只拥有了使用权限,并不意味着购买了版权,文档只能用于自身使用,不得用于其他商业用途(如 [转卖]进行直接盈利或[编辑后售卖]进行间接盈利)。
2、本站所有内容均由合作方或网友上传,本站不对文档的完整性、权威性及其观点立场正确性做任何保证或承诺!文档内容仅供研究参考,付费前请自行鉴别。
3、如文档内容存在违规,或者侵犯商业秘密、侵犯著作权等,请点击“违规举报”。

碎片内容

14000法律-法规-标准及要求清单

您可能关注的文档

精品中小学资料+ 关注
实名认证
内容提供者

精品文档

相关文档

确认删除?
VIP
微信客服
  • 扫码咨询
会员Q群
  • 会员专属群点击这里加入QQ群
客服邮箱
回到顶部