电脑桌面
添加小米粒文库到电脑桌面
安装后可以在桌面快捷访问

多层及高层钢构件安装工程检验批质量验收记录表VIP专享VIP免费

多层及高层钢构件安装工程检验批质量验收记录表_第1页
1/1
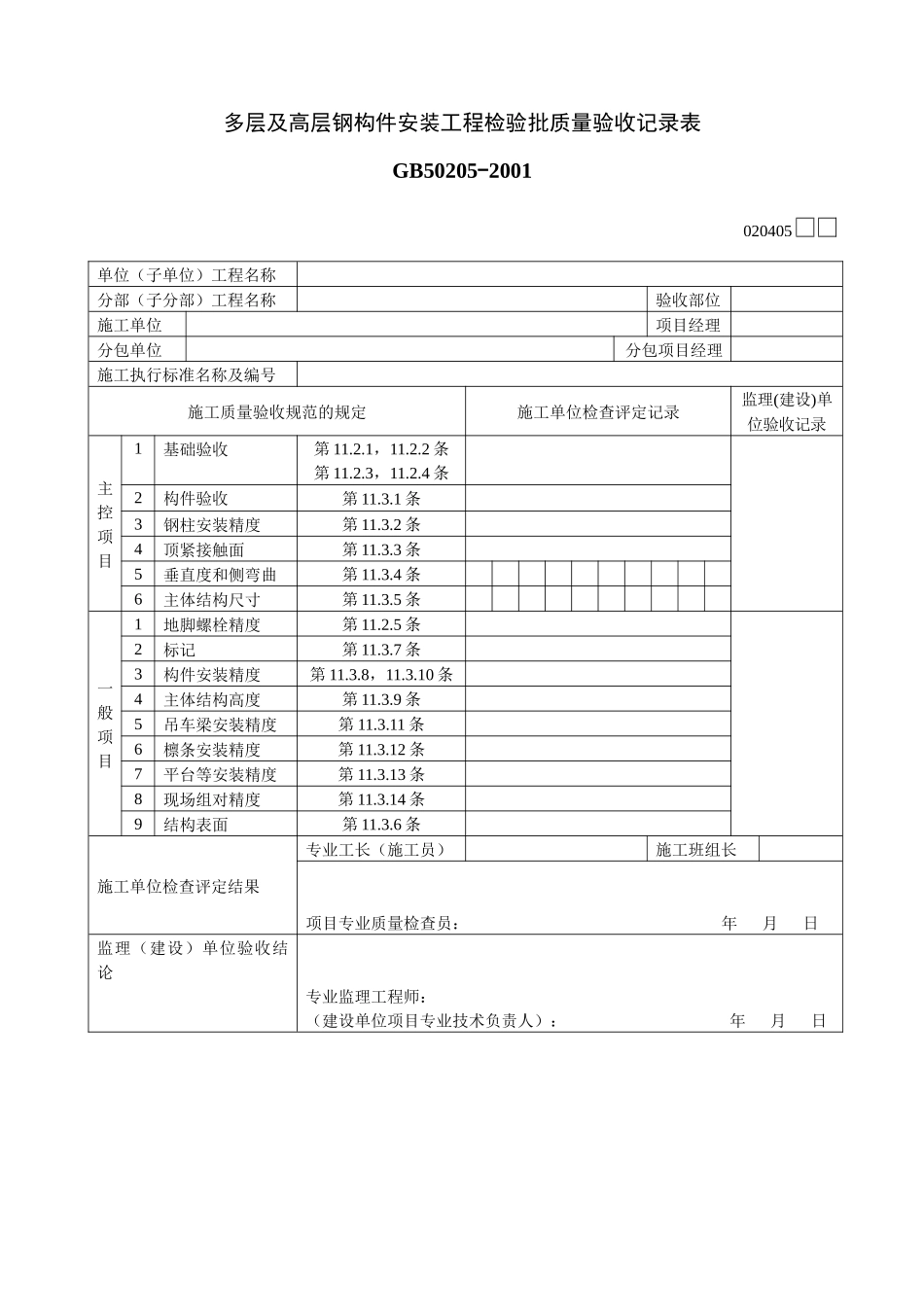
多层及高层钢构件安装工程检验批质量验收记录表GB50205-2001020405单位(子单位)工程名称分部(子分部)工程名称验收部位施工单位项目经理分包单位分包项目经理施工执行标准名称及编号施工质量验收规范的规定施工单位检查评定记录监理(建设)单位验收记录主控项目1基础验收第11.2.1,11.2.2条第11.2.3,11.2.4条2构件验收第11.3.1条3钢柱安装精度第11.3.2条4顶紧接触面第11.3.3条5垂直度和侧弯曲第11.3.4条6主体结构尺寸第11.3.5条一般项目1地脚螺栓精度第11.2.5条2标记第11.3.7条3构件安装精度第11.3.8,11.3.10条4主体结构高度第11.3.9条5吊车梁安装精度第11.3.11条6檩条安装精度第11.3.12条7平台等安装精度第11.3.13条8现场组对精度第11.3.14条9结构表面第11.3.6条施工单位检查评定结果专业工长(施工员)施工班组长项目专业质量检查员:年月日监理(建设)单位验收结论专业监理工程师:(建设单位项目专业技术负责人):年月日

1、当您付费下载文档后,您只拥有了使用权限,并不意味着购买了版权,文档只能用于自身使用,不得用于其他商业用途(如 [转卖]进行直接盈利或[编辑后售卖]进行间接盈利)。
2、本站所有内容均由合作方或网友上传,本站不对文档的完整性、权威性及其观点立场正确性做任何保证或承诺!文档内容仅供研究参考,付费前请自行鉴别。
3、如文档内容存在违规,或者侵犯商业秘密、侵犯著作权等,请点击“违规举报”。

碎片内容

多层及高层钢构件安装工程检验批质量验收记录表

确认删除?
VIP
微信客服
  • 扫码咨询
会员Q群
  • 会员专属群点击这里加入QQ群
客服邮箱
回到顶部