电脑桌面
添加小米粒文库到电脑桌面
安装后可以在桌面快捷访问

橱柜制作与安装工程检验批质量验收记录表VIP免费

橱柜制作与安装工程检验批质量验收记录表_第1页
1/2
橱柜制作与安装工程检验批质量验收记录表_第2页
2/2
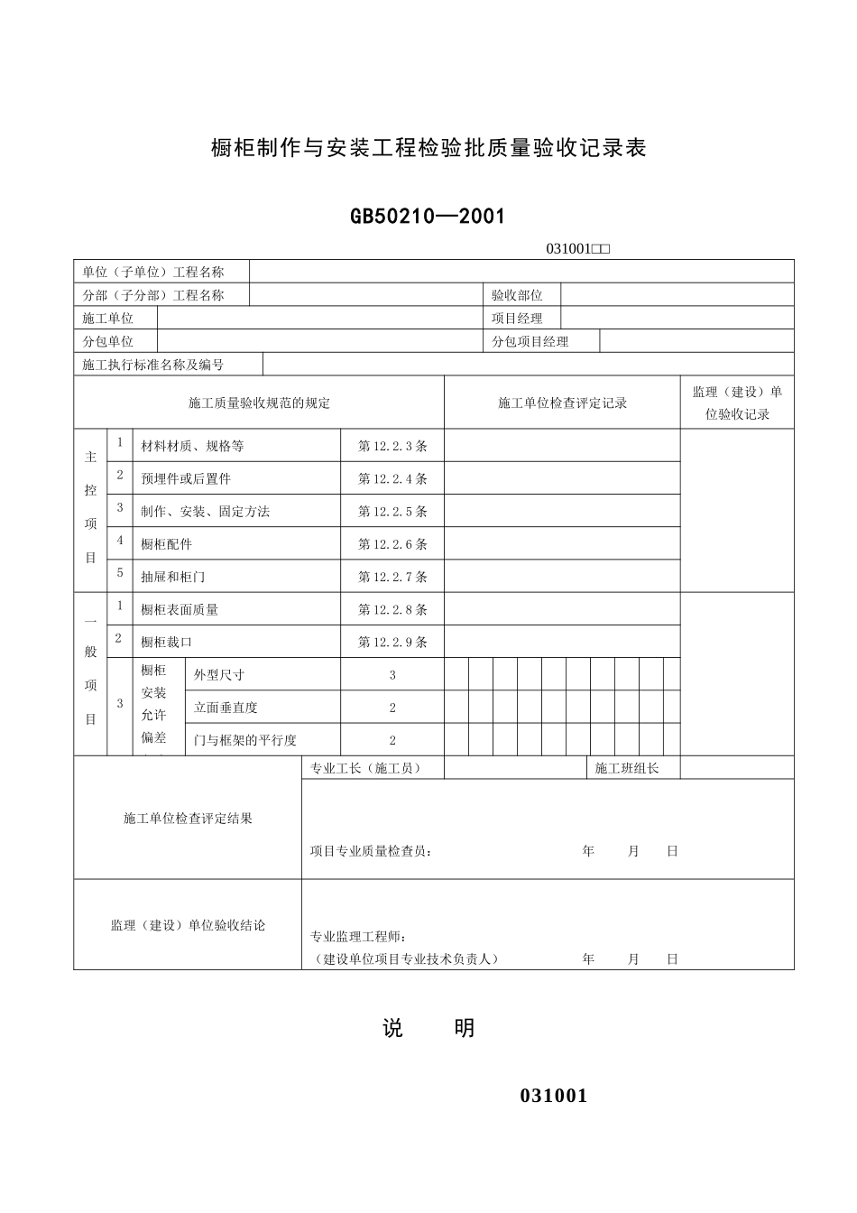
橱柜制作与安装工程检验批质量验收记录表GB50210—2001031001□□单位(子单位)工程名称分部(子分部)工程名称验收部位施工单位项目经理分包单位分包项目经理施工执行标准名称及编号施工质量验收规范的规定施工单位检查评定记录监理(建设)单位验收记录主控项目1材料材质、规格等第12.2.3条2预埋件或后置件第12.2.4条3制作、安装、固定方法第12.2.5条4橱柜配件第12.2.6条5抽屉和柜门第12.2.7条一般项目1橱柜表面质量第12.2.8条2橱柜裁口第12.2.9条3橱柜安装允许偏差(mm)外型尺寸3立面垂直度2门与框架的平行度2施工单位检查评定结果专业工长(施工员)施工班组长项目专业质量检查员:年月日监理(建设)单位验收结论专业监理工程师:(建设单位项目专业技术负责人)年月日说明031001主控项目1、橱柜制作与安装所用材料的材质和规格、木材的燃烧性能等级和含水率、花岗石的放射性及人造木板的甲醛含量应符合设计要求及国家现行标准的有关规定。观察:检查产品合格证书、进场验收记录、性能检测报告和复验报告。2、橱柜安装预埋件或后置埋件的数量、规格、位置应符合设计要求。检查隐蔽工程验收记录和施工记录。3、橱柜的造型、尺寸、安装位置、制作和固定方法应符合设计要求。橱柜安装必须牢固。观察和尺量检查;手扳检查。4、橱柜配件的品种、规格应符合设计要求。配件应齐全,安装应牢固。观察和手扳检查;检查进场验收记录。5、橱柜的抽屉和柜门应开关灵活、回位正确。观察和开闭检查。一般项目:1、橱柜表面应平整、洁净、色泽一致,不得有裂缝、翘曲及损坏。观察检查。2、橱柜裁口应顺直、拼缝应严密:观察检查。3、橱柜安装的允许偏差用尺量及1m垂直检测尺检查。

1、当您付费下载文档后,您只拥有了使用权限,并不意味着购买了版权,文档只能用于自身使用,不得用于其他商业用途(如 [转卖]进行直接盈利或[编辑后售卖]进行间接盈利)。
2、本站所有内容均由合作方或网友上传,本站不对文档的完整性、权威性及其观点立场正确性做任何保证或承诺!文档内容仅供研究参考,付费前请自行鉴别。
3、如文档内容存在违规,或者侵犯商业秘密、侵犯著作权等,请点击“违规举报”。

碎片内容

橱柜制作与安装工程检验批质量验收记录表

确认删除?
VIP
微信客服
  • 扫码咨询
会员Q群
  • 会员专属群点击这里加入QQ群
客服邮箱
回到顶部