电脑桌面
添加小米粒文库到电脑桌面
安装后可以在桌面快捷访问

公路工程质量管理行为督查内容及评分表(DOC13页)VIP免费

公路工程质量管理行为督查内容及评分表(DOC13页)_第1页
1/11
公路工程质量管理行为督查内容及评分表(DOC13页)_第2页
2/11
公路工程质量管理行为督查内容及评分表(DOC13页)_第3页
3/11
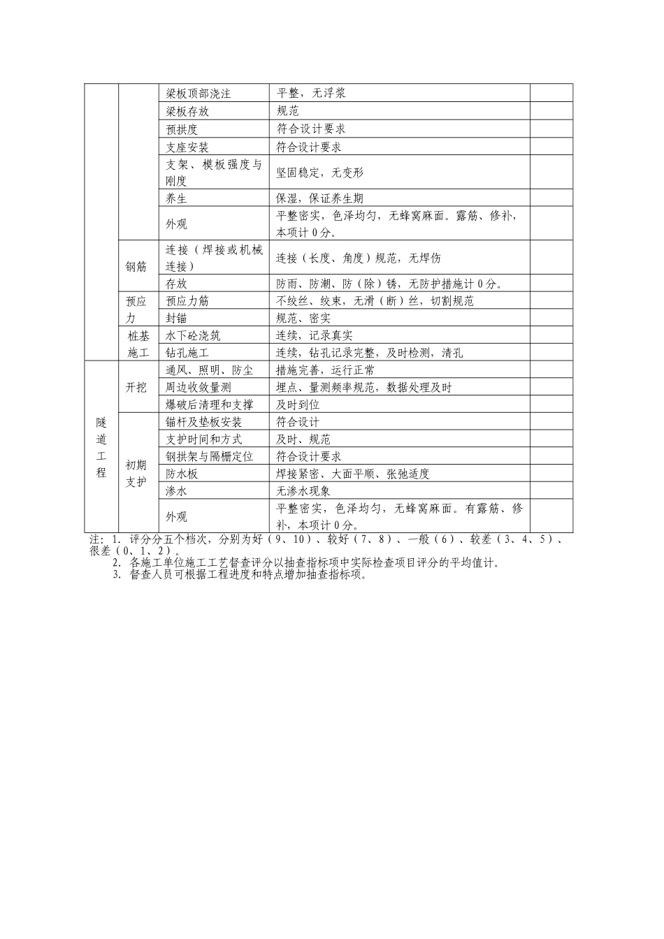
附表1:公路工程质量管理行为督查内容及评分表督查内容抽查指标项标准或要求评分建设质量监督手续及时、完善施工许可手续及时、完善质量管理目标、制度和措施目标明确具体,制度和措施健全,有针对性和可操作性,且落实到位。分包及劳务管理管理制度健全,落实到位,施工工期控制规范、合理施工、监理重要人员调整批复规范,手续齐全变更管理规范支付管理及时,规范质量问题、质量事故及重大隐患处理有制度,且处理及时到位对有关检查整改落实情况及时,到位扣分无针对性措施压缩工期扣2分施工项目经理、总工、质检负责人、试验室主任到位及持证情况均符合合同或招标文件要求质量管理制度和措施完善,有针对性和可操作性,且落实到位。分包及劳务管理管理制度健全,落实到位施工组织设计有针对性、操作性、合理性,及时报批施工技术交底及时、全面质量检查及整改落实情况按要求检查,及时整改落实试验室管理符合合同要求,人员到位、设备齐全,管理规范质量文件、档案管理完整、规范、落实到位文明施工现场整洁,规范,环保扣分资料虚假扣2分人员资格虚假扣2分监理监理实施细则、监理计划完善、有针对性监理工程师资格、到位符合合同要求,及时岗位登记试验室管理符合合同要求,人员到位、设备齐全,管理规范标准试验、配合比设计验证审批及时规范、资料齐全中间交工验收及质量评定及时,规范抽检及时,规范旁站、巡视到位、记录齐全准确日志记录记录真实、人手一册、每日连续质量监理指令指令闭合扣分资料虚假扣3分人员资格虚假扣3分设计设计交底及时、全面设计人员驻场服务到位设计变更合理、及时、手续齐全注:1.评分分五个档次,分别为好(9、10分)、较好(7、8分)、一般(6分)、较差(3、4、5分)、很差(0、1、2分)。2.各单位质量管理行为督查评分为各项抽查指标项评分的平均值减去应扣除分数。附表2:公路工程施工工艺督查内容及评分表单位工程分部工程抽查指标项标准或要求评分路基工程土石方含水量适宜,碾压无明显轮迹、无“弹簧”临时排水符合规范或施工组织设计要求。造成路基严重冲刷或冲毁农田的,本项计0分。分层厚度满足要求,与压实功效匹配取弃土符合设计或施工组织设计要求,否则本项计0分。砌体砌筑和勾缝砌筑、勾缝密实牢固软基处理处理范围及深度符合设计要求沉降观测按要求进行设置、布点和观测路面工程沥青面层材料规格及存放场地硬化,无混堆;集料针片状符合要求摊铺和碾压温度、速度现场控制有效,满足要求均匀性沥青用量稳定,无明显离析或明显超粒径层间处理无污染,粘层油适量,交通管制到位砼面层材料规格及存放场地硬化,无混堆;水泥存放符合防雨、防潮要求;集料针片状符合要求均匀性水灰比稳定,无明显离析或明显超粒径接缝、传(拉)力杆设置接缝平顺,填料饱满,传(拉)力杆位置准确、牢固养生保湿,保证养生期基层底基层材料规格及存放场地硬化,无混堆;水泥存放符合防雨、防潮要求;材料规格符合要求均匀性无明显离析或明显超粒径含水量适宜,碾压无明显轮迹养生保湿,保证养生期;交通管制到位;表面无松散、剥落桥梁工程砼工程材料规格及存放场地硬化,无混堆;水泥存放符合防雨、防潮要求;集料针片状符合要求均匀性水灰比稳定,无明显离析或超料径湿接缝施工规范,混凝土密实梁板顶部浇注平整,无浮浆梁板存放规范预拱度符合设计要求支座安装符合设计要求支架、模板强度与刚度坚固稳定,无变形养生保湿,保证养生期外观平整密实,色泽均匀,无蜂窝麻面。露筋、修补,本项计0分。钢筋连接(焊接或机械连接)连接(长度、角度)规范,无焊伤存放防雨、防潮、防(除)锈,无防护措施计0分。预应力预应力筋不绞丝、绞束,无滑(断)丝,切割规范封锚规范、密实桩基施工水下砼浇筑连续,记录真实钻孔施工连续,钻孔记录完整,及时检测,清孔隧道工程开挖通风、照明、防尘措施完善,运行正常周边收敛量测埋点、量测频率规范,数据处理及时爆破后清理和支撑及时到位初期支护锚杆及垫板安装符合设计支护时间和方式及时、规范钢拱架与隔栅定位符合设计要求防水板焊接紧密、大面平顺、张弛适度渗水无渗水现象外观平整密实,色泽均匀,无蜂窝麻...

1、当您付费下载文档后,您只拥有了使用权限,并不意味着购买了版权,文档只能用于自身使用,不得用于其他商业用途(如 [转卖]进行直接盈利或[编辑后售卖]进行间接盈利)。
2、本站所有内容均由合作方或网友上传,本站不对文档的完整性、权威性及其观点立场正确性做任何保证或承诺!文档内容仅供研究参考,付费前请自行鉴别。
3、如文档内容存在违规,或者侵犯商业秘密、侵犯著作权等,请点击“违规举报”。

碎片内容

公路工程质量管理行为督查内容及评分表(DOC13页)

墨香书阁+ 关注
实名认证
内容提供者

热爱教学事业,对互联网知识分享很感兴趣

相关文档

确认删除?
VIP
微信客服
  • 扫码咨询
会员Q群
  • 会员专属群点击这里加入QQ群
客服邮箱
回到顶部