电脑桌面
添加小米粒文库到电脑桌面
安装后可以在桌面快捷访问

XXXX新规范水利水电工程施工质量评定表样表(下)VIP免费

XXXX新规范水利水电工程施工质量评定表样表(下)_第1页
1/51
XXXX新规范水利水电工程施工质量评定表样表(下)_第2页
2/51
XXXX新规范水利水电工程施工质量评定表样表(下)_第3页
3/51
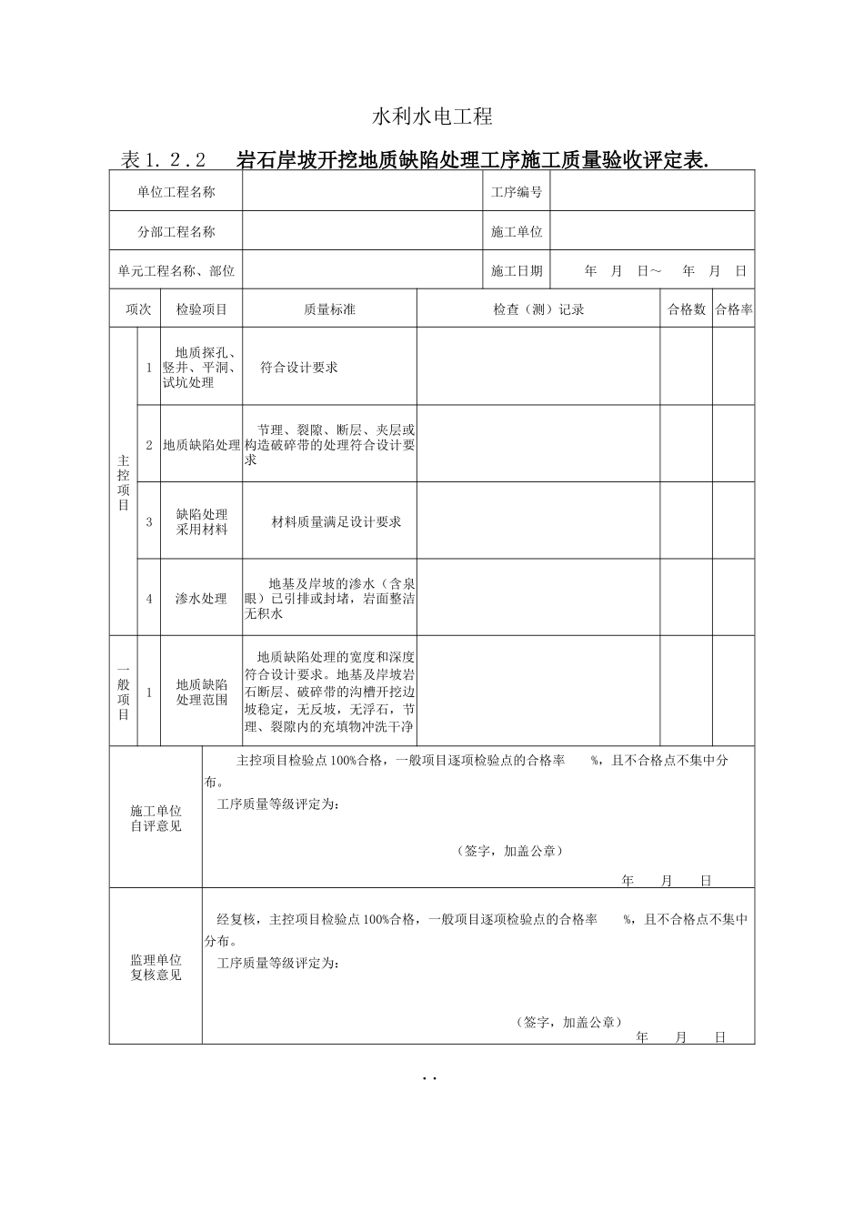
表1.2.2岩石岸坡开挖地质缺陷处理工序施工质量验收评定表填表说明填表时必须遵守“填表基本规定”,并符合以下要求。1.单位工程、分部工程、单元工程名称及部位填写要与表1.2相同。2.检验(测)方法及数量。检验项目检验方法检验数量地质探孔、竖井、平洞、试坑处理观察、量测、查阅施工记录等全数检查地质缺陷处理缺陷处理采用材料查阅施工记录,取样试验等每种材料至少抽验1组渗水处理观察、查阅施工记录全数检查地质缺陷处理范围观察、量测、查阅施工记录总检测点数量采用横断面或纵断面控制,各断面点数不少于5个点;局部突出或凹陷部位(面积在0.5㎡以上者)应增设检测点3.工序施工质量验收评定应提交下列资料:(1)施工单位各班(组)的初检记录、施工队复检记录、施工单位专职质检员终检记录,工序中各施工质量检验项目的检验资料。(2)监理单位对工序中施工质量检验项目的平行检测资料。4.工序质量标准。(1)合格标准。1)主控项目,检验结果应全部符合SL631的要求。2)一般项目,逐项应有70%及以上的检验点合格,且不合格点不应集中。3)各项报验资料应符合SL631的要求。(2)优良标准。1)主控项目,检验结果应全部符合SL631的要求。2)一般项目,逐项应有90%及以上的检验点合格,且不合格点不应集中。3)各项报验资料应符合SL631的要求水利水电工程表1.2.2岩石岸坡开挖地质缺陷处理工序施工质量验收评定表.单位工程名称工序编号分部工程名称施工单位单元工程名称、部位施工日期年月日~年月日项次检验项目质量标准检查(测)记录合格数合格率主控项目1地质探孔、竖井、平洞、试坑处理符合设计要求2地质缺陷处理节理、裂隙、断层、夹层或构造破碎带的处理符合设计要求3缺陷处理采用材料材料质量满足设计要求4渗水处理地基及岸坡的渗水(含泉眼)已引排或封堵,岩面整洁无积水一般项目1地质缺陷处理范围地质缺陷处理的宽度和深度符合设计要求。地基及岸坡岩石断层、破碎带的沟槽开挖边坡稳定,无反坡,无浮石,节理、裂隙内的充填物冲洗干净施工单位自评意见主控项目检验点100%合格,一般项目逐项检验点的合格率%,且不合格点不集中分布。工序质量等级评定为:(签字,加盖公章)年月日监理单位复核意见经复核,主控项目检验点100%合格,一般项目逐项检验点的合格率%,且不合格点不集中分布。工序质量等级评定为:(签字,加盖公章)年月日..表1.3岩石地基开挖单元工程施工质量验收评定表填表说明填表时必须遵守“填表基本规定”,并符合以下要求。1.单元工程划分:以施工检查验收的区、段划分,每一区、段划分为一个单元工程。2.单元工程量:填写本单元开挖工程量(m³)。3.岩石开挖施工单元工程宜分为岩石地基开挖、地质缺陷处理2个工序,其中岩石地基开挖为主要工序。本表是在表1.3.1、表1.3.2工序质量验收评定后完成。4.单元工程施工质量验收评定应包括下列资料。(1)施工单位应提交单元工程中所含工序(或检验项目)验收评定的检验资料,各项实体检验项目的检验记录资料。(2)监理单位应提交对单元工程施工质量的平行检测资料。5.单元工程质量标准。(1)合格标准:各工序施工质量验收评定应全部合格;各项报验资料应符合SL631的要求。(2)优良标准:各工序施工质量验收评定应全部合格,其中优良工序应达到50%及以上,且主要工序应达到优良等级;工序报验资料应符合SL631的要求。水利水电工程表1.3岩石地基开挖单元工程施工质量验收评定表单位工程名称单元工程量分部工程名称施工单位单元工程名称、部位施工日期年月日~年月日项次工序编号工序质量验收评定等级1Δ岩石地基开挖工序2岩石地基开挖地质缺陷处理工序施工单位自评意见各工序施工质量全部合格,其中优良工序占%,且主要工序达到等级。单元工程质量等级评定为:(签字,加盖公章)年月日监理单位复核意见经抽查并查验报告和检验资料,各工序施工质量全部合格,其中优良工序占%,且主要工序达到等级。单元工程质量等级评定为:(签字,加盖公章)年月日表1.3.1岩石地基开挖工序施工质量验收评定表填表说明填表时必须遵守“填表基本规定”,并符合以下要求。1.单位工程、分部工程、单元工程名称及...

1、当您付费下载文档后,您只拥有了使用权限,并不意味着购买了版权,文档只能用于自身使用,不得用于其他商业用途(如 [转卖]进行直接盈利或[编辑后售卖]进行间接盈利)。
2、本站所有内容均由合作方或网友上传,本站不对文档的完整性、权威性及其观点立场正确性做任何保证或承诺!文档内容仅供研究参考,付费前请自行鉴别。
3、如文档内容存在违规,或者侵犯商业秘密、侵犯著作权等,请点击“违规举报”。

碎片内容

XXXX新规范水利水电工程施工质量评定表样表(下)

您可能关注的文档

确认删除?
VIP
微信客服
  • 扫码咨询
会员Q群
  • 会员专属群点击这里加入QQ群
客服邮箱
回到顶部