电脑桌面
添加小米粒文库到电脑桌面
安装后可以在桌面快捷访问

TS16949—纠正和预防措施控制程序VIP免费

TS16949—纠正和预防措施控制程序_第1页
1/6
TS16949—纠正和预防措施控制程序_第2页
2/6
TS16949—纠正和预防措施控制程序_第3页
3/6
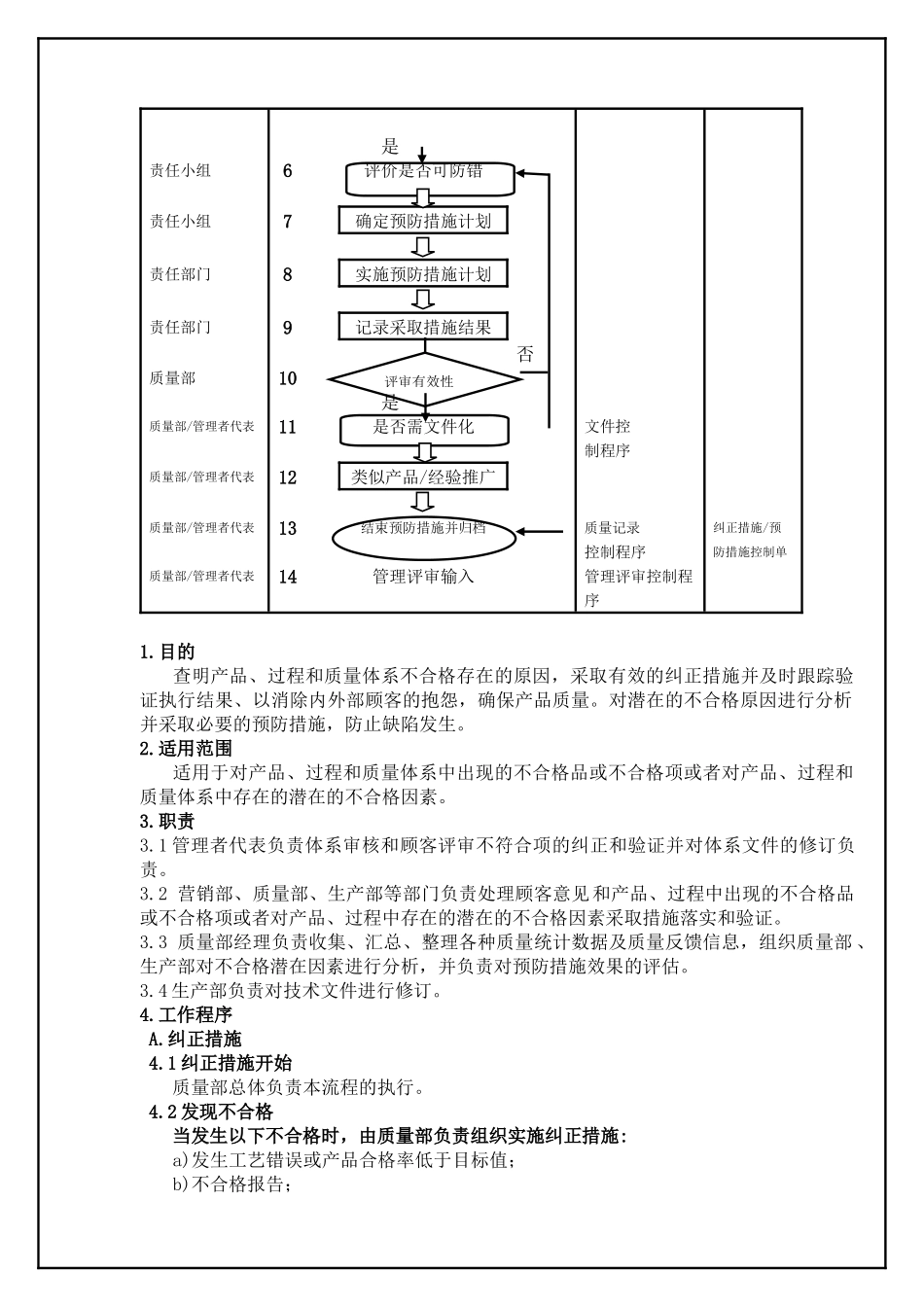
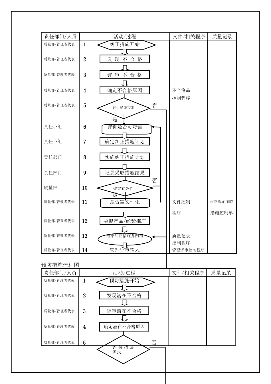
纠正措施流程图Version版次Update修订Page页码Update/ModifyReason制订/修订原因Author修订者Date日期Compile编制Dept.部门:Check审核Dept.部门:Approve批准Dept.部门:Name姓名:Name姓名:Name姓名:Date日期:Date日期:Date日期:Co-Signature会签Dept.部门:Name姓名:Date日期:责任部门/人员活动/过程文件/相关程序质量记录质量部/管理者代表1纠正措施开始质量部/管理者代表2发现不合格质量部/管理者代表3评审不合格质量部/管理者代表4确定不合格原因不合格品控制程序质量部/管理者代表5否是责任小组6评价是否可防错责任小组7确定纠正措施计划责任部门8实施纠正措施计划责任部门9记录采取措施结果否质量部10是质量部/管理者代表11是否需文件化文件控制纠正措施/预防程序措施控制单质量部/管理者代表12类似产品/经验推广质量部/管理者代表13结束纠正措施并归档质量记录控制程序质量部/管理者代表14管理评审输入管理评审控制程序预防措施流程图责任部门/人员活动/过程文件/相关程序质量记录质量部/管理者代表1预防措施开始质量部/管理者代表2发现潜在不合格质量部/管理者代表3评审潜在不合格质量部/管理者代表4确定潜在不合格原因质量部/管理者代表5否评价措施需求评审有效性评价措施需求是责任小组6评价是否可防错责任小组7确定预防措施计划责任部门8实施预防措施计划责任部门9记录采取措施结果否质量部10是质量部/管理者代表11是否需文件化文件控制程序质量部/管理者代表12类似产品/经验推广质量部/管理者代表13结束预防措施并归档质量记录纠正措施/预控制程序防措施控制单质量部/管理者代表14管理评审输入管理评审控制程序1.目的查明产品、过程和质量体系不合格存在的原因,采取有效的纠正措施并及时跟踪验证执行结果、以消除内外部顾客的抱怨,确保产品质量。对潜在的不合格原因进行分析并采取必要的预防措施,防止缺陷发生。2.适用范围适用于对产品、过程和质量体系中出现的不合格品或不合格项或者对产品、过程和质量体系中存在的潜在的不合格因素。3.职责3.1管理者代表负责体系审核和顾客评审不符合项的纠正和验证并对体系文件的修订负责。3.2营销部、质量部、生产部等部门负责处理顾客意见和产品、过程中出现的不合格品或不合格项或者对产品、过程中存在的潜在的不合格因素采取措施落实和验证。3.3质量部经理负责收集、汇总、整理各种质量统计数据及质量反馈信息,组织质量部、生产部对不合格潜在因素进行分析,并负责对预防措施效果的评估。3.4生产部负责对技术文件进行修订。4.工作程序A.纠正措施4.1纠正措施开始质量部总体负责本流程的执行。4.2发现不合格当发生以下不合格时,由质量部负责组织实施纠正措施:a)发生工艺错误或产品合格率低于目标值;b)不合格报告;评审有效性c)产品在生产过程中出现严重的不合格项;d)应用统计技术时出现了不受控的情况或出现Cpk值下降的情况;e)原材料或外协件出现质量问题时。当发生以下不合格时,由管理者代表负责组织实施纠正措施:a)内部、外部质量审核中发现的不符合项;b)管理评审中发现的不合格项或待改进项目;c)顾客拒收零件或顾客限制供货;d)顾客的投诉及抱怨;4.3评审不合格质量部和管理者代表组织相关部门成立一个小组对不合格进行评审。4.4确定不合格原因质量部和管理者代表负责组织的小组在评审不合格之后,要分析确定不合格原因。分析可以采用专家会诊和由项目经理领导的横向协调小组集体讨论等方法,可以应用鱼刺图、直方图、排列图、能力调查、概率值等统计工具帮助找出问题的根本原因,根本原因通常不明显,因此需要对以下内容进行评审,例如:a)产品规范(其中包括材料);b)所有有关的过程/操作(设备、工装、模具);c)质量记录;d)售后服务报告和顾客抱怨;e)模拟试验。若顾客有规定的解决问题的方式,则本组织采用顾客规定的方式。对于顾客拒收的零件,在必要时应对全过程进行评审并尽可能利用外部的独立的第三方实验室机构进行试验。在确定不合格原因分析时,只要相关,就必须将供应商和/或顾客一同包括进去。对于原材料/外协出现质量问题时,需由进货检验员以《纠正/预防措施处理单》提交给供应商,由...

1、当您付费下载文档后,您只拥有了使用权限,并不意味着购买了版权,文档只能用于自身使用,不得用于其他商业用途(如 [转卖]进行直接盈利或[编辑后售卖]进行间接盈利)。
2、本站所有内容均由合作方或网友上传,本站不对文档的完整性、权威性及其观点立场正确性做任何保证或承诺!文档内容仅供研究参考,付费前请自行鉴别。
3、如文档内容存在违规,或者侵犯商业秘密、侵犯著作权等,请点击“违规举报”。

碎片内容

TS16949—纠正和预防措施控制程序

您可能关注的文档

确认删除?
VIP
微信客服
  • 扫码咨询
会员Q群
  • 会员专属群点击这里加入QQ群
客服邮箱
回到顶部