电脑桌面
添加小米粒文库到电脑桌面
安装后可以在桌面快捷访问

钢筋绑扎分项工程质量验收表VIP免费

钢筋绑扎分项工程质量验收表_第1页
1/24
钢筋绑扎分项工程质量验收表_第2页
2/24
钢筋绑扎分项工程质量验收表_第3页
3/24
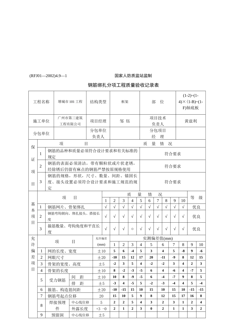
(RFJ01—2002)4.9—1国家人防质监站监制钢筋绑扎分项工程质量验收记录表工程名称增城市101工程结构类型框架部位(1-2)~(1-4)×(1-B)~(1-F)轴底板施工单位广州市第三建筑工程有限公司项目经理邹钰项目技术负责人黄兹利分包单位分包单位负责人分包项目经理保证项目项目质量情况1钢筋的品种和质量必须符合设计要求和有关标准的规定符合要求2钢筋的表面必须清洁,带有颗粒状或片状老锈,经除锈后仍留有麻点的钢筋严禁按原规格使用符合要求3钢筋的规格,形状,尺寸、数量、间距、锚固长度、接头设置必须符合设计要求和施工规范的规定符合要求基本项目项目质量情况等级123456789101钢筋网片、骨架绑扎√√√√√√√√√√优良2钢筋弯钩朝向、绑扎接头、搭接长度√√√√√√√√√√优良3箍筋数量、弯钩角度和平直长度√√√○√√√√√√优良允许偏差项目项目允许偏差(mm)实测偏差值(mm)123456789101网的长度、宽度±1056-45345-89-62网眼尺寸±20-1015121720-11-9812153骨架的宽度、高度±5-2354-2-234234骨架的长度±108-2-3-564-64-755受力钢筋间距±10108-9-56-4-7985排距±5-34-55-2-3-445-46箍筋、构造筋间距±20-10-15151015101510-15-157钢筋弯起点位移2015105981215171688焊接预埋件中心线位移52254323124外露长度+3-021230211329预留洞中心线位移±5截面内寸±3检查结果保证项目符合设计要求和有关标准的规定基本项目检查30点,其中优良29点,优良率96%允许偏差项目实测100点,其中合格100点,合格率100%检查结论主控项目全部合格,一般项目满足规范规定要求。专业技术负责人年月日验收结论监理工程师年月日YB1国家人防质监站监制隐蔽工程检查验收记录工程名称:增城市101工程建设单位:增城市人民防空办公室图号:RG-01~06改、RG-08~24图纸隐蔽部位:(1-2)~(1-4)×(1-B)~(1-F)轴底板钢筋施工单位:广州市第三建筑工程有限公司隐蔽日期:年月日隐蔽检查内容:1、依据结构图纸施工,钢筋品种、级别、规格、配筋数量、位置、间距符合设计及规范要求。2、钢筋绑扎安装质量牢固,无漏扣现象,观感符合要求,保护层厚度符合要求。3、钢筋无锈蚀,无污染,所用钢筋有合格证且复试合格。4、符合验收规范《混凝土结构工程施工质量验收规范》(GB50204-2002)。监理工程师检查意见:人防工程质监部门验核意见:试验单、合名称或直径出厂合格证编号试验单编号C3208002800BGL10-200581C2851000690BGL10-200486C250D100357BGL10-200486核查人:验核人:格证、焊件编号C22Z0500037LBGL10-200486C20D9606374RBGL10-200486C18D0600224RBGL10-200487C16D9601318LBGL10-200491C14Z9500581LBGL10-200492C12Z9500568LBGL10-200492C1009150256BGL10-200583A810201987BGL10-200492专业技术负责人:质量检查员:填表人:注:本表适用于砼、钢筋、砌体埋筋、防水、回填等隐蔽工程。当用于基坑验槽记录时,表头填写“验槽”二字,并应增加设计、地质勘察单位参加人员签字栏。(RFJ01—2002)4.9—1国家人防质监站监制钢筋绑扎分项工程质量验收记录表工程名称增城市101工程结构类型框架部位1/10~(1-6)×(1-D)~(1-H)轴底板施工单位广州市第三建筑工程有限公司项目经理邹钰项目技术负责人黄兹利分包单位分包单位负责人分包项目经理保证项目项目质量情况1钢筋的品种和质量必须符合设计要求和有关标准的规定符合要求2钢筋的表面必须清洁,带有颗粒状或片状老锈,经除锈后仍留有麻点的钢筋严禁按原规格使用符合要求3钢筋的规格,形状,尺寸、数量、间距、锚固长度、接头设置必须符合设计要求和施工规范的规定符合要求基本项目项目质量情况等级123456789101钢筋网片、骨架绑扎√○√√√○√√√√合格2钢筋弯钩朝向、绑扎接头、搭接长度√√√√√√√√○√合格3箍筋数量、弯钩角度和平直长度√√√○√√√√√√合格允许偏差项目项目允许偏差(mm)实测偏差值(mm)123456789101网的长度、宽度±10-68910-7-556872网眼尺寸±2015-12-91087-1110-12-183骨架的宽度、高度±5-235-1-2-2-54-554骨架的长度±108-4396-664-7-95受力钢筋间距±10108-9-56-4-7985排距±5-32-5-3-2-3-445-46箍筋、构造筋间距±205-15151...

1、当您付费下载文档后,您只拥有了使用权限,并不意味着购买了版权,文档只能用于自身使用,不得用于其他商业用途(如 [转卖]进行直接盈利或[编辑后售卖]进行间接盈利)。
2、本站所有内容均由合作方或网友上传,本站不对文档的完整性、权威性及其观点立场正确性做任何保证或承诺!文档内容仅供研究参考,付费前请自行鉴别。
3、如文档内容存在违规,或者侵犯商业秘密、侵犯著作权等,请点击“违规举报”。

碎片内容

钢筋绑扎分项工程质量验收表

确认删除?
VIP
微信客服
  • 扫码咨询
会员Q群
  • 会员专属群点击这里加入QQ群
客服邮箱
回到顶部