电脑桌面
添加小米粒文库到电脑桌面
安装后可以在桌面快捷访问

钢结构质量检查资料表格VIP专享VIP免费

钢结构质量检查资料表格_第1页
1/36
钢结构质量检查资料表格_第2页
2/36
钢结构质量检查资料表格_第3页
3/36
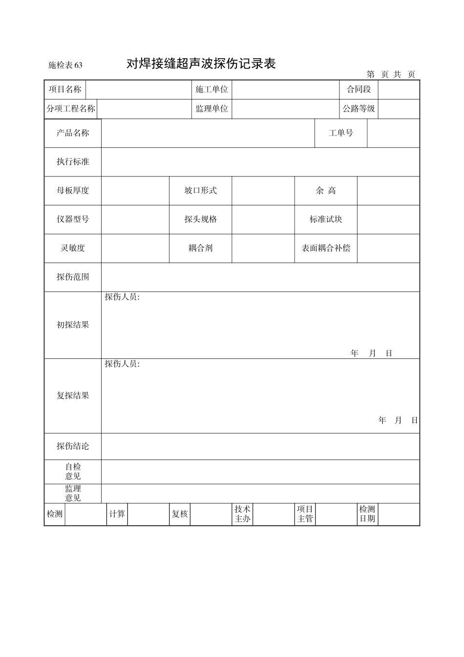
钢结构质量检查资料表格施检表62磁粉探伤记录表……………………………………………施检表63对焊接缝超声波探伤记录表………………………………………………………施检表64主要焊缝施焊记录表………………………………………………………………施检表65T型焊缝超声波探伤记录表………………………………………………………施检表66高强度螺栓施拧扳手标定记录表…………………………………………………施检表67高强度螺栓施工扭矩检查计算表…………………………………………………施检表69高强度螺栓检查表(一)…………………………………………………………施检表70高强度螺栓检查表(二)…………………………………………………………施检表71高强度螺栓栓接面抗滑仪系数检查………………………………………………施检表72高强度螺栓终拧扭矩检查表………………………………………………………土建检表8.9.1-3钢箱梁制作质量检验报告单……………………………………………………土建检表8.9.2钢梁防护涂装质量检验报告单…………………………………………………土建检表8.9.3钢梁安装质量检验报告单……总评表3分部工程质量检验评定表…………………………………………………总评附表工程质量检验评定汇总表土建评表8.11.14钢箱梁段制作质量检验评定表土建评表8.11.16钢加劲梁安装质量检验评定表土建评表8.12.3钢桥面板上防水粘结层质量检验评定表土建评表8.12.4钢桥面板上沥青混凝土铺装质量检验评定表监土建检表8.9.1-3钢箱梁制作质量检验报告单监土建检表8.9.2钢梁防护涂装质量检验报告单监土建检表8.9.3钢梁安装质量检验报告单监土建检表8.12.3钢桥面板上防水粘结层质量检验报告单监土建评表8.9.1-3钢箱梁制作质量检验评定表监土建评表8.9.2钢梁防护涂装质量检验评定表监土建评表8.9.3钢梁安装质量检验评定表监土建评表8.10.5钢箱梁段制作质量检验评定表监土建评表8.11.14钢箱梁段制作质量检验评定表监土建评表8.12.3钢桥面板上防水粘结层质量检验评定表监土建评表8.12.4钢桥面板上沥青混凝土铺装质量检验评定表施检表62磁粉探伤记录表第页共页项目名称施工单位合同段分项工程名称监理单位公路等级产品名称工单号仪器型号探测范围表面状态验收标准磁化方法磁粉间距(mm)磁悬液浓度磁化方向磁化种类试片型号电流种类磁化电流(A)磁悬液种类杆件编号探伤人员日期缺陷总数缺陷最大长度(mm)复探人员日期探伤结论自检意见监理意见检测计算复核技术主办项目主管检测日期施检表63对焊接缝超声波探伤记录表第页共页项目名称施工单位合同段分项工程名称监理单位公路等级产品名称工单号执行标准母板厚度坡口形式余高仪器型号探头规格标准试块灵敏度耦合剂表面耦合补偿探伤范围初探结果探伤人员:年月日复探结果探伤人员:年月日探伤结论自检意见监理意见检测计算复核技术主办项目主管检测日期施检表64主要焊缝施焊记录表第页共页项目名称施工单位合同段分项工程名称监理单位公路等级材质杆号数量焊接方法接头形式环境温度()℃相对温度(%)焊道序号预热温度()℃层间温度()℃焊接材料电流(A)电压(V)车速(m/h)条速(m/h)焊缝外观质量接头简图:焊工及钢印号:专检:年月日年月日自检意见监理意见检测计算复核技术主办项目主管检测日期施检表65T型焊缝超声波探伤记录表第页共页项目名称施工单位合同段分项工程名称监理单位公路等级产品名称工单号执行标准现板厚度盖板厚度坡口形成仪器型号探头规格标准试块灵敏度耦合剂表面耦合补偿探伤范围杆号初探结果初探日期探伤人员复探结果探伤人员:年月日结论自检意见监理意见检测计算复核技术主办项目主管检测日期施检表66高强度螺栓施拧扳手标定记录表第页共页项目名称施工单位合同段分项工程名称监理单位公路等级桩号及部位扳手种类扳手编号标定误差节点位置螺栓批号螺栓规格标定时间温度()℃结论自检意见监理意见检测计算复核技术主办项目主管检测日期施检表67高强度螺栓施工扭矩检查计算表第页共页项目名称施工单位合同段分项工程名称监理单位公路等级桩号及部位批号及规格平均扭矩系数标准偏差施工扭矩TO(N·m)检查扭矩Tch(N·m)检查合格扭矩范围...

1、当您付费下载文档后,您只拥有了使用权限,并不意味着购买了版权,文档只能用于自身使用,不得用于其他商业用途(如 [转卖]进行直接盈利或[编辑后售卖]进行间接盈利)。
2、本站所有内容均由合作方或网友上传,本站不对文档的完整性、权威性及其观点立场正确性做任何保证或承诺!文档内容仅供研究参考,付费前请自行鉴别。
3、如文档内容存在违规,或者侵犯商业秘密、侵犯著作权等,请点击“违规举报”。

碎片内容

钢结构质量检查资料表格

确认删除?
VIP
微信客服
  • 扫码咨询
会员Q群
  • 会员专属群点击这里加入QQ群
客服邮箱
回到顶部