电脑桌面
添加小米粒文库到电脑桌面
安装后可以在桌面快捷访问

SL636水轮发电机组安装工程质量评定表VIP免费

SL636水轮发电机组安装工程质量评定表_第1页
1/131
SL636水轮发电机组安装工程质量评定表_第2页
2/131
SL636水轮发电机组安装工程质量评定表_第3页
3/131
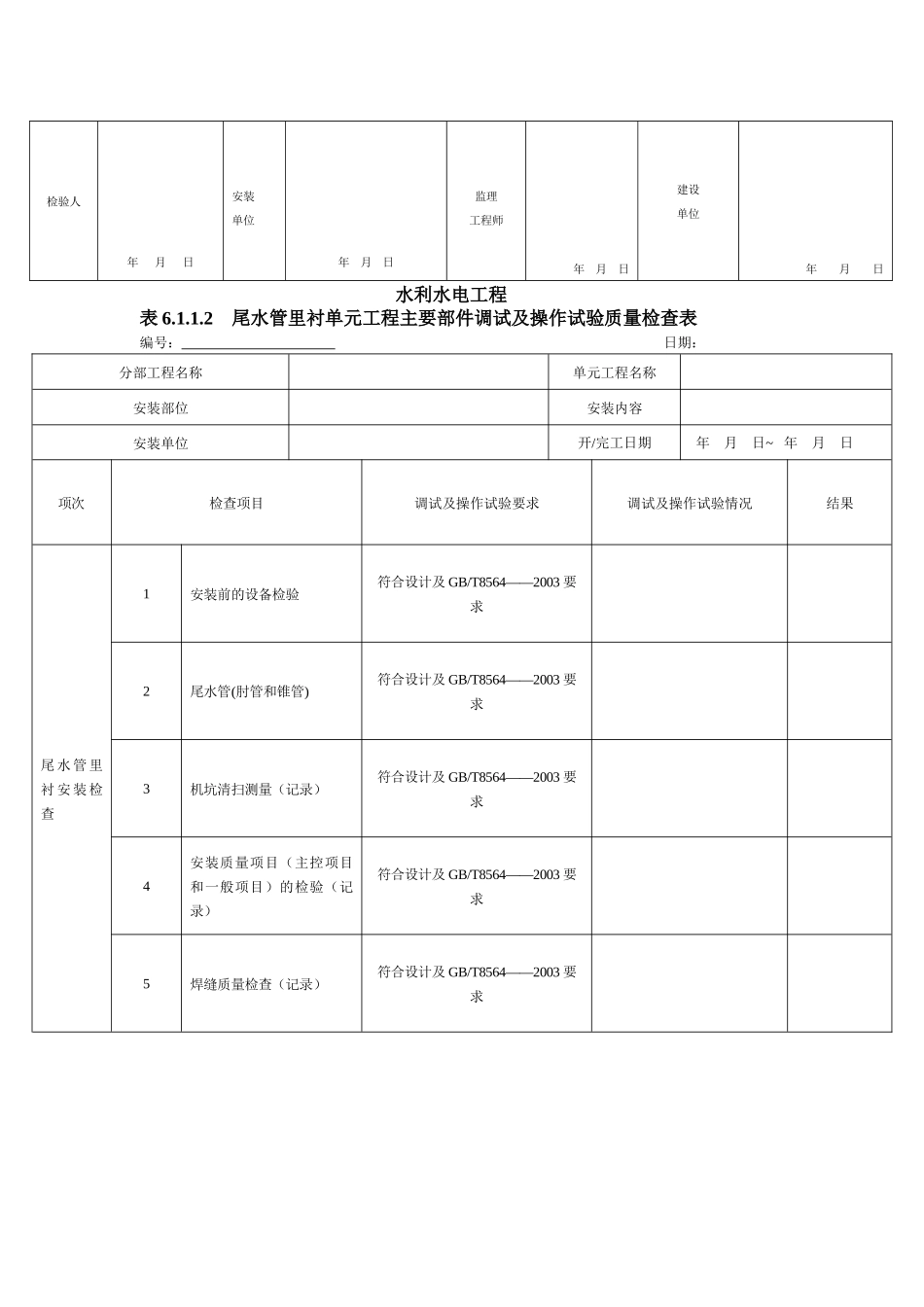
水利水电工程表6.1.1立式反击式水轮机尾水管里衬单元工程安装质量验收评定表单位工程名称单元工程量分部工程名称安装单位单元工程名称、部位评定日期年月日项次项目主控项目(个)一般项目(个)合格数优良数合格数优良数1单元工程安装质量(见表6.1.1.1)主要部件调试及操作试验符合SL636和相关专业标准的规定主要部件调试及操作试验质量(见表6.1.1.2)施工单位自评意见主要部件调试及操作试验符合要求,各项报验资料符合规定。检验项目全部合格。检检验项目优良标准率为,其中主控项目优良标准率为,单元工程安装质量验收评定等级为。(签字,加盖公章)年月日监理单位意见主要部件调试及操作试验符合要求,各项报验资料符合规定。检验项目全部合格。检验项目优良标准率为,其中主控项目优良标准率为,单元工程安装质量验收评定等级为。(签字,加盖公章)年月日建设单位意见(签字,加盖公章)年月日注1:主控项目和一般项目中的合格数是指达到合格及以上质量标准的项目个数。注2:检验项目优良标准率=(主控项目优良数+一般项目优良数)/检验项目总数×100%。注3:对重要隐蔽单元工程和关键部位单元工程的安装质量验收评定应有设计、建设等单位的代表填写意见并签字;具体要求应满足SL176的规定。注4:本表所填“单元工程量”不作为施工单位工程量结算计量的依据。水利水电工程表6.1.1.1立式反击式水轮机尾水管里衬安装质量检查表编号:日期:分部工程名称单元工程名称安装部位安装内容安装单位开/完工日期年月日~年月日项次检查项目允许偏差(mm)检测值(mm)合格数优良数质量标准等级合格优良转轮直径D1(mm)转轮直径D1(mm)D1<30003000≤D1<60006000≤D1<80008000≤D1<10000D1≥10000D1<30003000≤D1<60006000≤D1<80008000≤D1<10000D1≥10000主控项目1肘管、维管上管口中心及方位46810123568102焊缝无表面裂缝及明显咬边缺肉一般项目1锥管管口直径±0.0015D±0.0010D2内壁裂缝错牙符合设计要求3上管口高程0~80~120~150~180~200~60~100~120~150~184肘管断面尺寸±0.0015H(B,r)±0.0010H(B,r)±0.0012H(B,r)±0.0008H(B,r)5下管口与混凝土管口平滑过渡注1:D—锥管管口直径设计值,mm;H—断面高度,mm;B—断面长度,mm;r—断面弧段半径,mm。注2:表中数值为允许偏差值,mm。检查意见:主控项目共项,其中合格项,合格率;优良项,优良率。一般项目共项,其中合格项,合格率;优良项,优良率。检验人年月日安装单位年月日监理工程师年月日建设单位年月日水利水电工程表6.1.1.2尾水管里衬单元工程主要部件调试及操作试验质量检查表编号:日期:分部工程名称单元工程名称安装部位安装内容安装单位开/完工日期年月日~年月日项次检查项目调试及操作试验要求调试及操作试验情况结果尾水管里衬安装检查1安装前的设备检验符合设计及GB/T8564——2003要求2尾水管(肘管和锥管)符合设计及GB/T8564——2003要求3机坑清扫测量(记录)符合设计及GB/T8564——2003要求4安装质量项目(主控项目和一般项目)的检验(记录)符合设计及GB/T8564——2003要求5焊缝质量检查(记录)符合设计及GB/T8564——2003要求检查意见:检验人年月日安装单位年月日监理工程师年月日建设单位年月日水利水电工程表6.1.2转轮室、基础环、座环单元工程安装质量验收评定表单位工程名称单元工程量分部工程名称安装单位单元工程名称、部位评定日期年月日项次项目主控项目(个)一般项目(个)合格数优良数合格数优良数1单元工程安装质量(见表6.1.2.1)主要部件调试及操作试验符合SL636和相关专业标准的规定主要部件调试及操作试验质量(见表6.1.2.2)施工单位自评意见主要部件调试及操作试验符合要求,各项报验资料符合规定。检验项目全部合格。检检验项目优良标准率为,其中主控项目优良标准率为,单元工程安装质量验收评定等级为。(签字,加盖公章)年月日监理单位意见主要部件调试及操作试验符合要求,各项报验资料符合规定。检验项目全部合格。检验项目优良标准率为,其中主控项目优良标准率为,单元工程安装质量验收评定等级为。(签字,加盖公章)年月日建设单位意见(签字,加盖公章...

1、当您付费下载文档后,您只拥有了使用权限,并不意味着购买了版权,文档只能用于自身使用,不得用于其他商业用途(如 [转卖]进行直接盈利或[编辑后售卖]进行间接盈利)。
2、本站所有内容均由合作方或网友上传,本站不对文档的完整性、权威性及其观点立场正确性做任何保证或承诺!文档内容仅供研究参考,付费前请自行鉴别。
3、如文档内容存在违规,或者侵犯商业秘密、侵犯著作权等,请点击“违规举报”。

碎片内容

SL636水轮发电机组安装工程质量评定表

您可能关注的文档

确认删除?
VIP
微信客服
  • 扫码咨询
会员Q群
  • 会员专属群点击这里加入QQ群
客服邮箱
回到顶部