电脑桌面
添加小米粒文库到电脑桌面
安装后可以在桌面快捷访问

产品质量的先期策划和控制计划APQP&CPVIP免费

产品质量的先期策划和控制计划APQP&CP_第1页
1/8
产品质量的先期策划和控制计划APQP&CP_第2页
2/8
产品质量的先期策划和控制计划APQP&CP_第3页
3/8
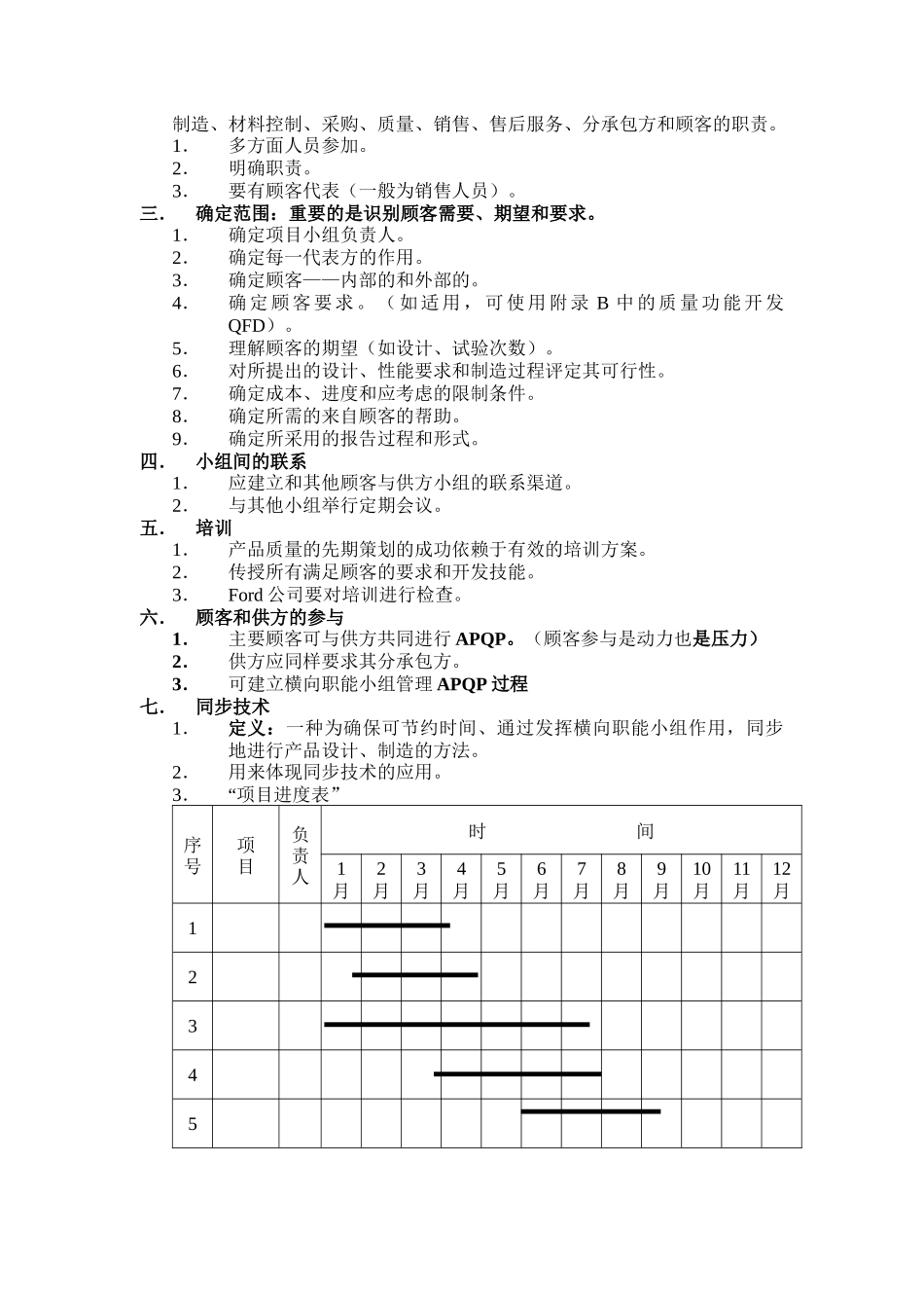
产品质量的先期策划和控制计划APQP&CPⅠ、产品质量策划循环PDSA(或PDCA)循环:P--Plan策划:根据顾客要求和组织方针建立必要的目标和过程。策划内容:主题;参与的组织部门人员及职责分工;计划步骤及人员安排;计划各步骤的量化指标、考核方式。D—Do做:实施过程。S—Study研究:对过程和产品进行监视和测量,并报告结果。A—Action处置:采取措施,以持续改进过程业绩。管理循环PDSA是周而复始,永无休止过程。是螺旋式上升。Ⅱ、产品质量策划基本原则一.产品质量策划的益处:1.引导资源,使顾客满意2.促进所需的更改的早期识别3.避免晚期更改4.以最低成本及时提供优质产品二.组织小组:(多方论证小组、项目小组、横向协调小组、跨功能小组)产品质量先期策划过程的第一步是为了分派横向职能小组的职责。有效的产品质量策划要求不仅仅是质量部门的参与。小组应该适当包括来自工程、制造、材料控制、采购、质量、销售、售后服务、分承包方和顾客的职责。1.多方面人员参加。2.明确职责。3.要有顾客代表(一般为销售人员)。三.确定范围:重要的是识别顾客需要、期望和要求。1.确定项目小组负责人。2.确定每一代表方的作用。3.确定顾客——内部的和外部的。4.确定顾客要求。(如适用,可使用附录B中的质量功能开发QFD)。5.理解顾客的期望(如设计、试验次数)。6.对所提出的设计、性能要求和制造过程评定其可行性。7.确定成本、进度和应考虑的限制条件。8.确定所需的来自顾客的帮助。9.确定所采用的报告过程和形式。四.小组间的联系1.应建立和其他顾客与供方小组的联系渠道。2.与其他小组举行定期会议。五.培训1.产品质量的先期策划的成功依赖于有效的培训方案。2.传授所有满足顾客的要求和开发技能。3.Ford公司要对培训进行检查。六.顾客和供方的参与1.主要顾客可与供方共同进行APQP。(顾客参与是动力也是压力)2.供方应同样要求其分承包方。3.可建立横向职能小组管理APQP过程七.同步技术1.定义:一种为确保可节约时间、通过发挥横向职能小组作用,同步地进行产品设计、制造的方法。2.用来体现同步技术的应用。3.“项目进度表”序号项目负责人时间1月2月3月4月5月6月7月8月9月10月11月12月1234567八.控制计划1.定义:控制零件和过程系统的书面描述。2.三个阶段:样件——尺寸测量、材料、性能试验试生产——尺寸测量、材料、性能试验生产——产品/过程特性、过程控制、试验和测量系统全过程。九.问题的解决:1.遇到设计、加工等工程问题用矩阵表形成文件(规定职责、时间)。2.在困难的情况下,建议用多方论证解决问题。3.适当时,采用附录B中分析技术。十.产品质量的进度计划可用“项目进度表”替代。(同步技术中讲过)十一.与进度图表有关的计划参见:“产品品质规划进度表”(下页)产品品质规划进度表顾客的声音设计目标※责任部门的输出总装标准试生产减少变差市场调查可靠性和质量目标DFMEA(A1)产品/制程品质系测量系统评价顾客满意保修记录和品质信息初始材料清单可制造性和装配设系统审查(A4)初期制程能力研究交付和服务小组经验初始制程流程图计制程程流程图生产零件的批准降低成本经营计划/营销策略特殊产品和制程特设计验证(A6)、场地平面生产确认测试产品/制程指标特性初期明细表设计评审布置图(A5)、特包装评价产品/制程设想产品保证计划样件制造——管理性矩阵图生产管制计划(技术革新、先进的材料管理者支持计划(A8)PFMEA(A7)(A8)、可靠性评定和新工程图样(含数学试生产管制计划品质规划认定和技术)数据)(A8)管理者支持产品可靠性研究(工程规范制程指导书零件修理和更换的材料规范MSA计划频率以及长期可靠性图样和规范的更改PPK研究计划/耐久性试验)※产品品质规划小包装规范顾客输入组的输出管理者支持新设备、工装和设施要求(A3)特殊产品和制程特性量具/试验设备要求(A3)小组可行性承诺和管理者支持(附录E)(A2)概念提出/批示项目批准样件试生产投产策划策划产品设计和开发过程设计和开发产品和过程确认生产反馈、评定和纠正措施计划和确定产品设计过程设计产品和反馈、评定项目...

1、当您付费下载文档后,您只拥有了使用权限,并不意味着购买了版权,文档只能用于自身使用,不得用于其他商业用途(如 [转卖]进行直接盈利或[编辑后售卖]进行间接盈利)。
2、本站所有内容均由合作方或网友上传,本站不对文档的完整性、权威性及其观点立场正确性做任何保证或承诺!文档内容仅供研究参考,付费前请自行鉴别。
3、如文档内容存在违规,或者侵犯商业秘密、侵犯著作权等,请点击“违规举报”。

碎片内容

产品质量的先期策划和控制计划APQP&CP

您可能关注的文档

确认删除?
VIP
微信客服
  • 扫码咨询
会员Q群
  • 会员专属群点击这里加入QQ群
客服邮箱
回到顶部