电脑桌面
添加小米粒文库到电脑桌面
安装后可以在桌面快捷访问

格萨尔混凝土(原材料及配合比)检验批质量验收记录表VIP免费

格萨尔混凝土(原材料及配合比)检验批质量验收记录表_第1页
1/54
格萨尔混凝土(原材料及配合比)检验批质量验收记录表_第2页
2/54
格萨尔混凝土(原材料及配合比)检验批质量验收记录表_第3页
3/54
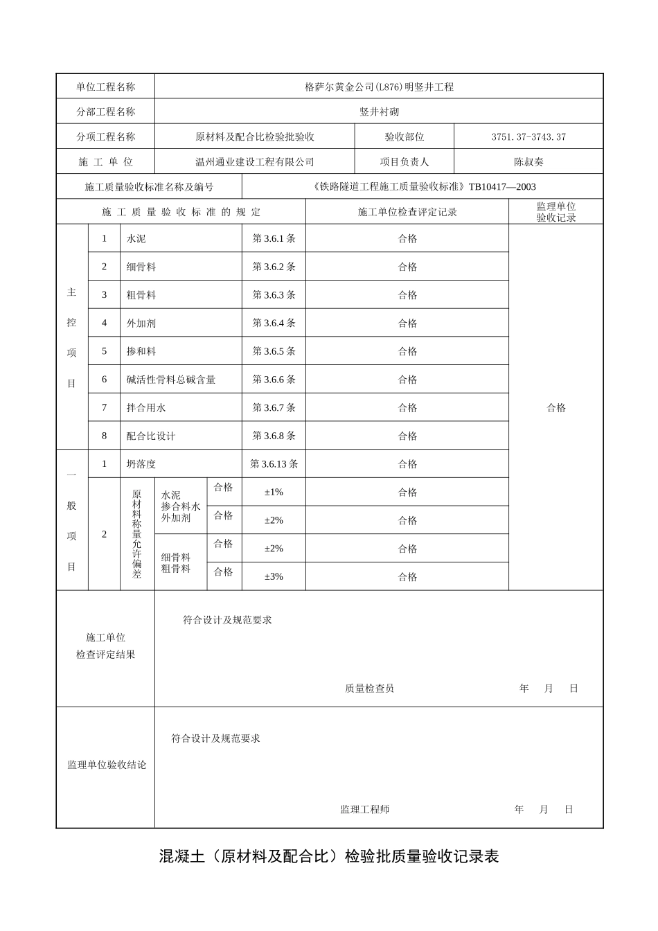
混凝土(原材料及配合比)检验批质量验收记录表单位工程名称格萨尔黄金公司(L876)明竖井工程分部工程名称竖井衬砌分项工程名称原材料及配合比检验批验收验收部位3759.37-3751.37施工单位温州通业建设工程有限公司项目负责人陈叔奏施工质量验收标准名称及编号《铁路隧道工程施工质量验收标准》TB10417—2003施工质量验收标准的规定施工单位检查评定记录监理单位验收记录主控项目1水泥第3.6.1条合格合格2细骨料第3.6.2条合格3粗骨料第3.6.3条合格4外加剂第3.6.4条合格5掺和料第3.6.5条合格6碱活性骨料总碱含量第3.6.6条合格7拌合用水第3.6.7条合格8配合比设计第3.6.8条合格一般项目1坍落度第3.6.13条合格2原材料称量允许偏差水泥掺合料水外加剂合格±1%合格合格±2%合格细骨料粗骨料合格±2%合格合格±3%合格施工单位检查评定结果符合设计及规范要求质量检查员年月日监理单位验收结论符合设计及规范要求监理工程师年月日混凝土(原材料及配合比)检验批质量验收记录表单位工程名称格萨尔黄金公司(L876)明竖井工程分部工程名称竖井衬砌分项工程名称原材料及配合比检验批验收验收部位3751.37-3743.37施工单位温州通业建设工程有限公司项目负责人陈叔奏施工质量验收标准名称及编号《铁路隧道工程施工质量验收标准》TB10417—2003施工质量验收标准的规定施工单位检查评定记录监理单位验收记录主控项目1水泥第3.6.1条合格合格2细骨料第3.6.2条合格3粗骨料第3.6.3条合格4外加剂第3.6.4条合格5掺和料第3.6.5条合格6碱活性骨料总碱含量第3.6.6条合格7拌合用水第3.6.7条合格8配合比设计第3.6.8条合格一般项目1坍落度第3.6.13条合格2原材料称量允许偏差水泥掺合料水外加剂合格±1%合格合格±2%合格细骨料粗骨料合格±2%合格合格±3%合格施工单位检查评定结果符合设计及规范要求质量检查员年月日监理单位验收结论符合设计及规范要求监理工程师年月日混凝土(原材料及配合比)检验批质量验收记录表单位工程名称格萨尔黄金公司(L876)明竖井工程分部工程名称竖井衬砌分项工程名称原材料及配合比检验批验收验收部位3743.37-3735.37施工单位温州通业建设工程有限公司项目负责人陈叔奏施工质量验收标准名称及编号《铁路隧道工程施工质量验收标准》TB10417—2003施工质量验收标准的规定施工单位检查评定记录监理单位验收记录主控项目1水泥第3.6.1条合格合格2细骨料第3.6.2条合格3粗骨料第3.6.3条合格4外加剂第3.6.4条合格5掺和料第3.6.5条合格6碱活性骨料总碱含量第3.6.6条合格7拌合用水第3.6.7条合格8配合比设计第3.6.8条合格一般项目1坍落度第3.6.13条合格2原材料称量允许偏差水泥掺合料水外加剂合格±1%合格合格±2%合格细骨料粗骨料合格±2%合格合格±3%合格施工单位检查评定结果符合设计及规范要求质量检查员年月日监理单位验收结论符合设计及规范要求监理工程师年月日混凝土(原材料及配合比)检验批质量验收记录表单位工程名称格萨尔黄金公司(L876)明竖井工程分部工程名称竖井衬砌分项工程名称原材料及配合比检验批验收验收部位3735.37-3727.37施工单位温州通业建设工程有限公司项目负责人陈叔奏施工质量验收标准名称及编号《铁路隧道工程施工质量验收标准》TB10417—2003施工质量验收标准的规定施工单位检查评定记录监理单位验收记录主控项目1水泥第3.6.1条合格合格2细骨料第3.6.2条合格3粗骨料第3.6.3条合格4外加剂第3.6.4条合格5掺和料第3.6.5条合格6碱活性骨料总碱含量第3.6.6条合格7拌合用水第3.6.7条合格8配合比设计第3.6.8条合格一般项目1坍落度第3.6.13条合格2原材料称量允许偏差水泥掺合料水外加剂合格±1%合格合格±2%合格细骨料粗骨料合格±2%合格合格±3%合格施工单位检查评定结果符合设计及规范要求质量检查员年月日监理单位验收结论符合设计及规范要求监理工程师年月日混凝土(原材料及配合比)检验批质量验收记录表单位工程名称格萨尔黄金公司(L876)明竖井工程分部工程名称竖井衬砌分项工程名称原材料及配合比检验批验收验收部位3727.37-3719.37施工单位温州通业建设工程有限公司项目负责人陈叔奏施工质量验收标准名称及编号《铁路隧道工程施工质量验收标准》TB10417—2003施工质...

1、当您付费下载文档后,您只拥有了使用权限,并不意味着购买了版权,文档只能用于自身使用,不得用于其他商业用途(如 [转卖]进行直接盈利或[编辑后售卖]进行间接盈利)。
2、本站所有内容均由合作方或网友上传,本站不对文档的完整性、权威性及其观点立场正确性做任何保证或承诺!文档内容仅供研究参考,付费前请自行鉴别。
3、如文档内容存在违规,或者侵犯商业秘密、侵犯著作权等,请点击“违规举报”。

碎片内容

格萨尔混凝土(原材料及配合比)检验批质量验收记录表

您可能关注的文档

确认删除?
VIP
微信客服
  • 扫码咨询
会员Q群
  • 会员专属群点击这里加入QQ群
客服邮箱
回到顶部