电脑桌面
添加小米粒文库到电脑桌面
安装后可以在桌面快捷访问

Six Sigma黑带品质机能展开(QFD)VIP免费

Six Sigma黑带品质机能展开(QFD)_第1页
1/7
Six Sigma黑带品质机能展开(QFD)_第2页
2/7
Six Sigma黑带品质机能展开(QFD)_第3页
3/7
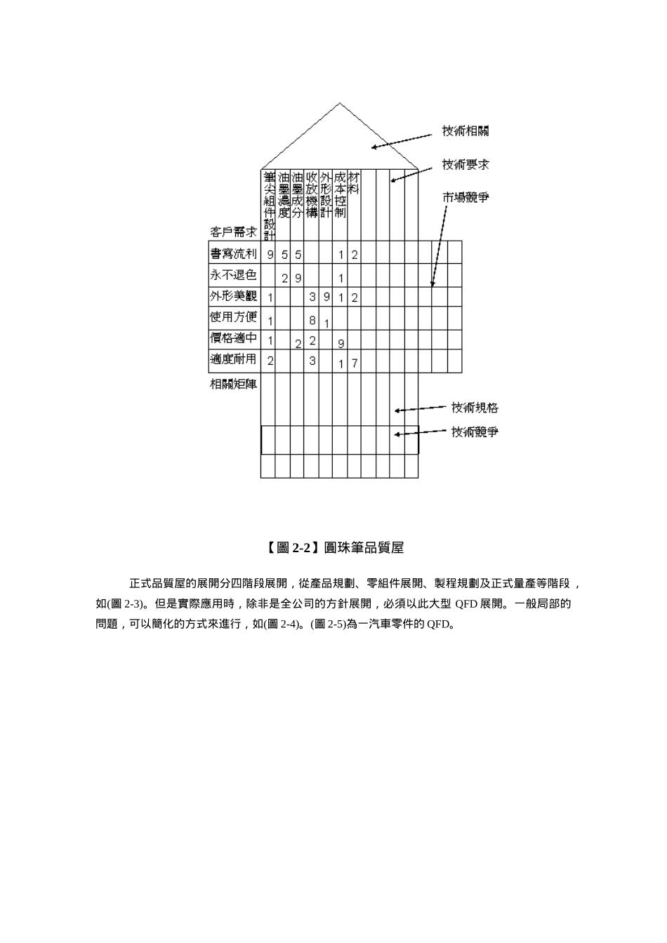
SixSigma黑帶品質機能展開(QFD)作者官生平教授http://imil.au.edu.tw/~kuan/index.htm品質機能展開(QualityFunctionDeployment)1.前言品質機能展開(QualityFunctionDeployment,簡稱QFD)是將客戶對產品的需求進行多層次的演繹分析,轉變為產品設計要求、零組件的特性、製程設計要求、生產要求的品質工程管理技術一般以客戶需求與產品品質特性及工程管理措施之間的關係進行矩陣展開和重要度評估分析,找出對客戶需求影響最大的產品品質特性及工程管理措施,把握重點,使企業將工程管理放在關鍵的地方,以確實滿足客戶需求而獲得實值的效益。2.QFD的基本方法QFD的基本方法是以品質屋(QualityHouse)的模式,分析客戶需求與產品品質特性及工程管理措施之間的關係,找出關鍵措施以指導工程及管理人員抓住重點而能有效管理,避免矛盾,製造出客戶滿意的產品。【圖2-1】品質屋品質屋的構成以矩陣的方式如(圖2-1),以客戶需求的展開,提出技術的要求。以技術的要求尋求工程措施並定出規格目標,評估客戶需求與技術要求的相關程度,技術要求之間的相關程度,再評估產品的競爭能力及技術的競爭能力。【例2-1】以圓珠筆開發的品質屋為例,如(圖2-2)(1)客戶的要求:書寫流利;永不退色;外形美觀;使用方便;價格適中;適度耐用為訴求。(2)技術的設計要求:筆尖組件設計;油墨濃度;油墨成分;收放機構;外形設計;成本控制;材料。【圖2-2】圓珠筆品質屋正式品質屋的展開分四階段展開,從產品規劃、零組件展開、製程規劃及正式量產等階段,如(圖2-3)。但是實際應用時,除非是全公司的方針展開,必須以此大型QFD展開。一般局部的問題,可以簡化的方式來進行,如(圖2-4)。(圖2-5)為一汽車零件的QFD。【圖2-3】四階段的QFD品質機能承認確認製作修訂日期展開87654321NO123456789101112NO管制方式重要特性客戶規格客戶品質要求12345678910注意事項工程規格及要求備◇:相關◆:重要相關註※:管制選定【圖2-4】簡化的QFD品質機能展開承認確認製作修訂日期87654321NO123456789101112進料檢驗重要管理看板檢查基準書規格標準書ES抽樣頻度量產抽樣頻度CPK分析NO管制方式重要特性電線與端子固著誤配線線徑端子壓著電壓降端子脫落輸出電壓動作頻率短路斷路客戶規格客戶品質要求※※※※1壓著高度◆◆◆◆壓著規格※※※2壓著寬度◇◇◇◇壓著規格※※※3連鎖部長度◇◇0.5mm以下※※※※4線蕊壓入前足◆◆◆◆0條※※※5前足喇叭口◇◇◇0.3~0.8mm※※※6線皮壓著◆◇◇◆※※※7端子彎曲◇※※※8壓著毛邊◇◇◇※※※9線蕊壓斷◆◆◆◆※※※10蕊線露出前足◇◇◇◇0.5~1.5mm※11導通◆◆◆◆◆◆※12包裝方式◆◆※※13端子定位◆※14單蕊直徑◆規格標準書※15根蕊數◆規格標準書※※※※16冷光板特性◆◆規格標準書注意事項工程規格及要求6kg以上不可規格標準6kg以上1Mv以下備◇:相關◆:重要相關註※:管制選定【圖2-5】一汽車零件的QFD回6σ文章

1、当您付费下载文档后,您只拥有了使用权限,并不意味着购买了版权,文档只能用于自身使用,不得用于其他商业用途(如 [转卖]进行直接盈利或[编辑后售卖]进行间接盈利)。
2、本站所有内容均由合作方或网友上传,本站不对文档的完整性、权威性及其观点立场正确性做任何保证或承诺!文档内容仅供研究参考,付费前请自行鉴别。
3、如文档内容存在违规,或者侵犯商业秘密、侵犯著作权等,请点击“违规举报”。

碎片内容

Six Sigma黑带品质机能展开(QFD)

您可能关注的文档

确认删除?
VIP
微信客服
  • 扫码咨询
会员Q群
  • 会员专属群点击这里加入QQ群
客服邮箱
回到顶部