电脑桌面
添加小米粒文库到电脑桌面
安装后可以在桌面快捷访问

锅炉安装工程检验批质量验收记录表VIP专享VIP免费

锅炉安装工程检验批质量验收记录表_第1页
1/2
锅炉安装工程检验批质量验收记录表_第2页
2/2
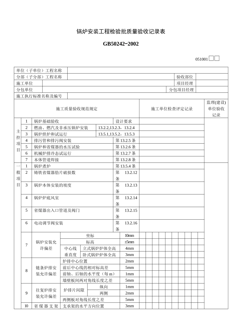
锅炉安装工程检验批质量验收记录表GB50242-2002051001单位(子单位)工程名称分部(子分部)工程名称验收部位施工单位项目经理分包单位分包项目经理施工执行标准名称及编号施工质量验收规范规定施工单位检查评定记录监理(建设)单位验收记录主控项目1锅炉基础验收设计要求2燃油、燃汽及非承压锅炉安装13.2.2,13.2.3,13.2.43锅炉烘炉和试运行13.5.1,13.5.2,13.5.34排污管和排污阀安装第13.2.5条5锅炉和省煤器的水压试验第13.2.6条6机械炉排冷态试运行第13.2.7条7本体管道焊接第13.2.8条一般项目1锅炉煮炉第13.5.4条2铸铁省煤器肋片破损数第13.2.12条3锅炉本体安装的坡度第13.2.13条4锅炉炉底风室第13.2.14条5省煤器出入口管道及阀门第13.2.15条6电动调节阀安装第13.2.16条7锅炉安装允许偏差坐标10mm标高±5mm中心线垂直度立式锅炉炉体全高4mm卧式锅炉炉体全高3mm8链条炉排安装允许偏差炉排中心位置2mm前后中心线的相对标高差5mm前轴、后轴的水平度(每m)1mm墙壁板间两对角线长度之差5mm9往复炉排安装允许偏差炉排片间隙纵向1mm两侧2mm两侧板对角线长度之差5mm10省煤器支架支承架的水平方向位置3mm安装允许偏差支承架的标高0,-5mm支承架纵横水平度(每m)1mm施工单位检查评定结果专业工长(施工员)施工班组长项目专业质量检查员:年月日监理(建设)单位验收结论监理工程师:(建设单位项目专业技术负责人)年月日

1、当您付费下载文档后,您只拥有了使用权限,并不意味着购买了版权,文档只能用于自身使用,不得用于其他商业用途(如 [转卖]进行直接盈利或[编辑后售卖]进行间接盈利)。
2、本站所有内容均由合作方或网友上传,本站不对文档的完整性、权威性及其观点立场正确性做任何保证或承诺!文档内容仅供研究参考,付费前请自行鉴别。
3、如文档内容存在违规,或者侵犯商业秘密、侵犯著作权等,请点击“违规举报”。

碎片内容

锅炉安装工程检验批质量验收记录表

确认删除?
VIP
微信客服
  • 扫码咨询
会员Q群
  • 会员专属群点击这里加入QQ群
客服邮箱
回到顶部