电脑桌面
添加小米粒文库到电脑桌面
安装后可以在桌面快捷访问

风管与配件制作检验批质量验收记录表2ⅡVIP免费

风管与配件制作检验批质量验收记录表2Ⅱ_第1页
1/2
风管与配件制作检验批质量验收记录表2Ⅱ_第2页
2/2
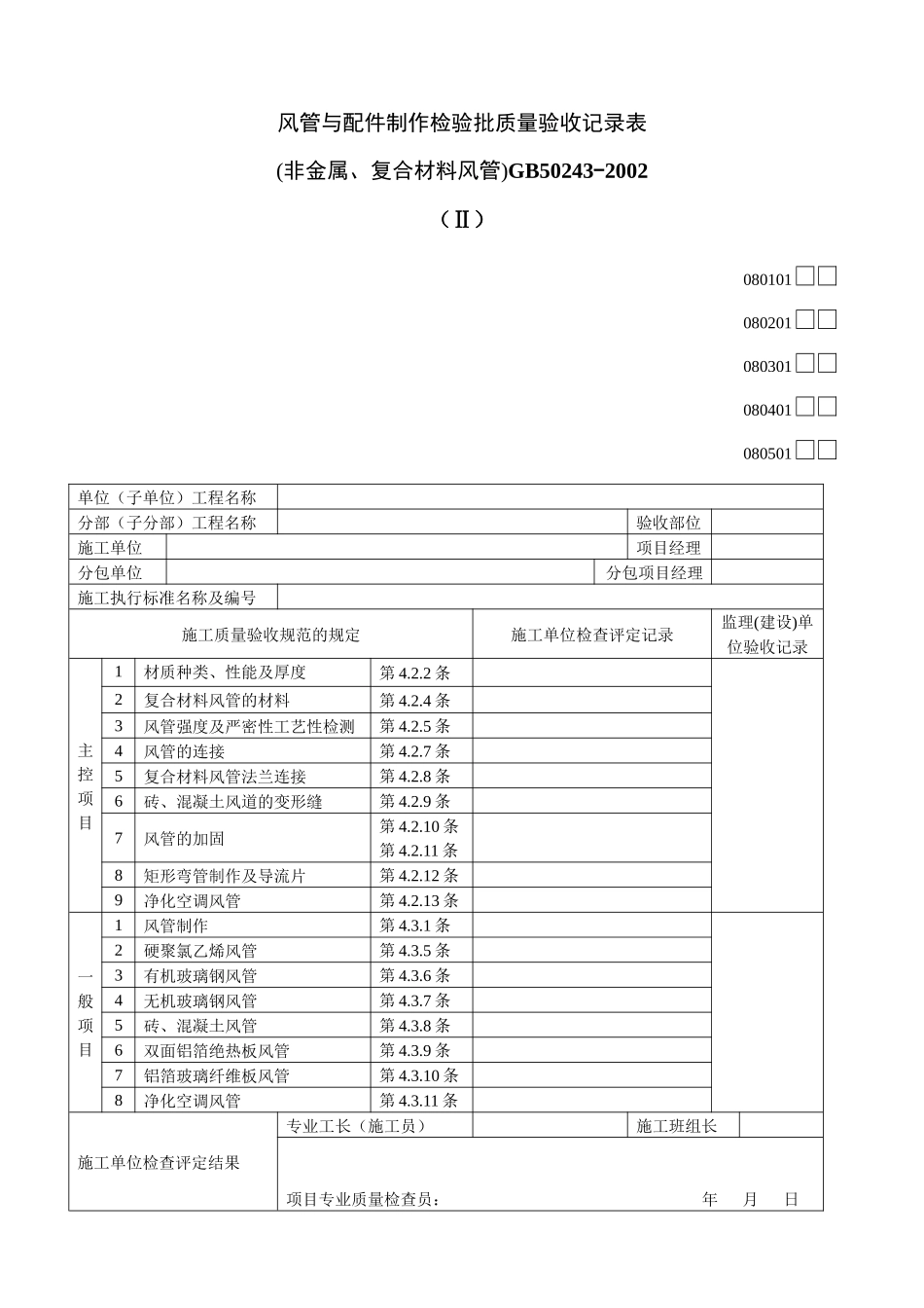
风管与配件制作检验批质量验收记录表(非金属、复合材料风管)GB50243-2002(Ⅱ)080101080201080301080401080501单位(子单位)工程名称分部(子分部)工程名称验收部位施工单位项目经理分包单位分包项目经理施工执行标准名称及编号施工质量验收规范的规定施工单位检查评定记录监理(建设)单位验收记录主控项目1材质种类、性能及厚度第4.2.2条2复合材料风管的材料第4.2.4条3风管强度及严密性工艺性检测第4.2.5条4风管的连接第4.2.7条5复合材料风管法兰连接第4.2.8条6砖、混凝土风道的变形缝第4.2.9条7风管的加固第4.2.10条第4.2.11条8矩形弯管制作及导流片第4.2.12条9净化空调风管第4.2.13条一般项目1风管制作第4.3.1条2硬聚氯乙烯风管第4.3.5条3有机玻璃钢风管第4.3.6条4无机玻璃钢风管第4.3.7条5砖、混凝土风管第4.3.8条6双面铝箔绝热板风管第4.3.9条7铝箔玻璃纤维板风管第4.3.10条8净化空调风管第4.3.11条施工单位检查评定结果专业工长(施工员)施工班组长项目专业质量检查员:年月日监理(建设)单位验收结论专业监理工程师:(建设单位项目专业技术负责人):年月日

1、当您付费下载文档后,您只拥有了使用权限,并不意味着购买了版权,文档只能用于自身使用,不得用于其他商业用途(如 [转卖]进行直接盈利或[编辑后售卖]进行间接盈利)。
2、本站所有内容均由合作方或网友上传,本站不对文档的完整性、权威性及其观点立场正确性做任何保证或承诺!文档内容仅供研究参考,付费前请自行鉴别。
3、如文档内容存在违规,或者侵犯商业秘密、侵犯著作权等,请点击“违规举报”。

碎片内容

风管与配件制作检验批质量验收记录表2Ⅱ

墨香书阁+ 关注
实名认证
内容提供者

热爱教学事业,对互联网知识分享很感兴趣

确认删除?
VIP
微信客服
  • 扫码咨询
会员Q群
  • 会员专属群点击这里加入QQ群
客服邮箱
回到顶部