电脑桌面
添加小米粒文库到电脑桌面
安装后可以在桌面快捷访问

防水混凝土 分项工程质量验收记录表VIP免费

防水混凝土 分项工程质量验收记录表_第1页
1/9
防水混凝土 分项工程质量验收记录表_第2页
2/9
防水混凝土 分项工程质量验收记录表_第3页
3/9
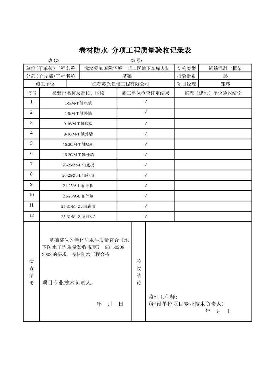
防水混凝土分项工程质量验收记录表表G2编号:单位(子单位)工程名称武汉爱家国际华城一期二区地下车库人防结构类型钢筋混凝土框架分部(子分部)工程名称基础检验批数24施工单位江苏苏兴建设工程有限公司项目经理邹玮序号检验批名称及部位、区段施工单位检查评定结果监理(建设)单位验收结论11-9/M-T轴底板、梁、承台√21-9/M-T轴剪力墙、柱√31-9/M-T轴顶板、梁√49-16/M-T轴底板、梁、承台√59-16/M-T轴剪力墙、柱√69-16/M-T轴顶板、梁√716-20/M-Y轴底板、梁、承台√816-20/M-Y轴剪力墙、柱√916-20/M-Y轴顶板、梁√1020-25/Zc-L轴底板、梁、承台√1120-25/Zc-L轴剪力墙、柱√1220-25/Zc-L轴顶板、梁√检查结论基础部位的防水混凝土质量符合《地下防水工程质量验收规范》GB50208-2002的要求,防水混凝土分项工程合格项目专业技术负责人:年月日验收结论监理工程师:(建设单位项目专业技术负责人)年月日防水混凝土分项工程质量验收记录表表G2编号:单位(子单位)工程名称武汉爱家国际华城一期二区地下车库人防结构类型钢筋混凝土框架分部(子分部)工程名称基础检验批数24施工单位江苏苏兴建设工程有限公司项目经理邹玮序号检验批名称及部位、区段施工单位检查评定结果监理(建设)单位验收结论1321-25/A-L轴底板、梁、承台√1421-25/A-L轴剪力墙、柱√1521-25/A-L轴顶板、梁√1625-31/M-Zc轴底板、梁、承台√1725-31/M-Zc轴剪力墙、柱√1825-31/M-Zc轴顶板、梁√1925-33/A-D轴底板、梁、承台√2025-33/A-D轴剪力墙、柱√2125-33/A-D轴顶板、梁√2213-21/A-G轴底板、梁、承台√2313-21/A-G轴剪力墙、柱√2413-21/A-G轴顶板、梁√检查结论基础部位的防水混凝土质量符合《地下防水工程质量验收规范》GB50208-2002的要求,防水混凝土分项工程合格项目专业技术负责人:年月日验收结论监理工程师:(建设单位项目专业技术负责人)年月日卷材防水分项工程质量验收记录表表G2编号:单位(子单位)工程名称武汉爱家国际华城一期二区地下车库人防结构类型钢筋混凝土框架分部(子分部)工程名称基础检验批数16施工单位江苏苏兴建设工程有限公司项目经理邹玮序号检验批名称及部位、区段施工单位检查评定结果监理(建设)单位验收结论11-9/M-T轴底板√21-9/M-T轴外墙√39-16/M-T轴底板√49-16/M-T轴外墙√516-20/M-T轴底板√616-20/M-T轴外墙√720-25/Zc-L轴底板√820-25/Zc-L轴外墙√921-25/A-L轴底板√1021-25/A-L轴外墙√1125-31/M-Zc轴底板√1225-31/M-Zc轴外墙√检查结论基础部位的卷材防水层质量符合《地下防水工程质量验收规范》GB50208-2002的要求,卷材防水工程合格项目专业技术负责人:年月日验收结论监理工程师:(建设单位项目专业技术负责人)年月日卷材防水分项工程质量验收记录表表G2编号:单位(子单位)工程名称武汉爱家国际华城一期二区地下车库人防结构类型钢筋混凝土框架分部(子分部)工程名称基础检验批数16施工单位江苏苏兴建设工程有限公司项目经理邹玮序号检验批名称及部位、区段施工单位检查评定结果监理(建设)单位验收结论1325-33/A-D轴底板√1425-33/A-D轴外墙√1513-21/A-G轴底板√1613-21/A-G轴外墙√1718192021222324检查结论基础部位的卷材防水层质量符合《地下防水工程质量验收规范》GB50208-2002的要求,卷材防水工程合格项目专业技术负责人:年月日验收结论监理工程师:(建设单位项目专业技术负责人)年月日涂料防水分项工程质量验收记录表表G2编号:单位(子单位)工程名称武汉爱家国际华城一期二区地下车库人防结构类型钢筋混凝土框架分部(子分部)工程名称基础检验批数8施工单位江苏苏兴建设工程有限公司项目经理邹玮序号检验批名称及部位、区段施工单位检查评定结果监理(建设)单位验收结论11-9/M-T轴梁、承台√29-16/M-T轴梁、承台√316-20/M-T轴梁、承台√420-25/Zc-L轴梁、承台√521-25/A-L轴梁、承台√625-31/M-Zc轴梁、承台√725-33/A-D轴梁、承台√813-21/A-G轴梁、承台√9101112检查结论基础部位的涂料防水层质量符合《地下防水工程质量验收规范》GB50208-2002的要求,涂料防水工程合格项目专业技术负责人:年月日验收结论监理工程师:(建设单位项目专业技术负...

1、当您付费下载文档后,您只拥有了使用权限,并不意味着购买了版权,文档只能用于自身使用,不得用于其他商业用途(如 [转卖]进行直接盈利或[编辑后售卖]进行间接盈利)。
2、本站所有内容均由合作方或网友上传,本站不对文档的完整性、权威性及其观点立场正确性做任何保证或承诺!文档内容仅供研究参考,付费前请自行鉴别。
3、如文档内容存在违规,或者侵犯商业秘密、侵犯著作权等,请点击“违规举报”。

碎片内容

防水混凝土 分项工程质量验收记录表

您可能关注的文档

墨香书阁+ 关注
实名认证
内容提供者

热爱教学事业,对互联网知识分享很感兴趣

相关文档

确认删除?
VIP
微信客服
  • 扫码咨询
会员Q群
  • 会员专属群点击这里加入QQ群
客服邮箱
回到顶部