电脑桌面
添加小米粒文库到电脑桌面
安装后可以在桌面快捷访问

财务管理学同步计算题VIP免费

财务管理学同步计算题_第1页
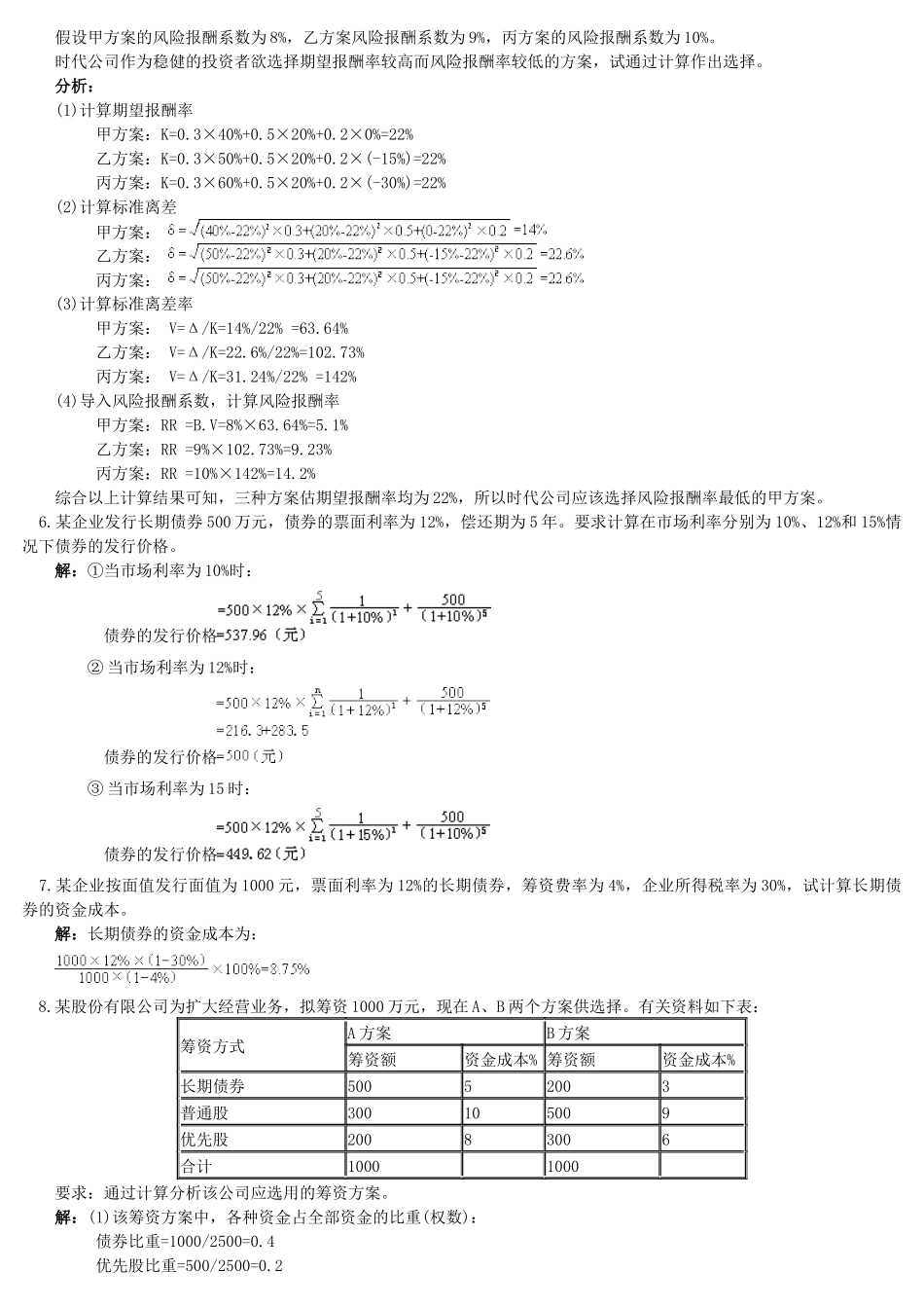
1/29
财务管理学同步计算题_第2页
2/29
财务管理学同步计算题_第3页
3/29
财务管理计算题1.大兴公司1992年年初对某设备投资100000元,该项目1994年初完工投产;1994、1995、1996、1997年年末现金流入量(净利)各为60000元、40000元、40000元、30000元;银行借款复利利率为12%。请按复利计算:(1)1994年年初投资额的终值;(2)各年现金流入量1994年年初的现值。解:(1)计算1994年初(即1993年末)某设备投资额的终值100000×=100000×1.254=125400(元)(2)计算各年现金流入量1994年年初的现值合计133020(元)2.1991年初,华业公司从银行取得一笔借款为5000万元,贷款年利率为15%,规定1998年末一次还清本息。该公司计划从1993年末每年存入银行一笔等额偿债基金以偿还借款,假设银行存款年利率为10%,问每年存入多少偿债基金?解:(1)1998年末一次还清本息数为F=5000×(1+15%)8=5000×3.059=15295(万)(2)偿债基金数额每年为(根据年金终值公式)因15295=A.×7.7156故A=1982(万元)3.假设信东公司准备投资开发一项新产品,根据市场预测,预计可能获得的年度报酬及概率资料如表:市场状况预计年报酬(XI)(万元)概率(PI)繁荣一般衰退60030000.30.50.2若已知此产品所在行业的风险报酬系数为8%,无风险报酬率为6%。试计算远东公司此项决策的风险报酬率和风险报酬。解:(1)计算期望报酬额=600×0.3+300×0.5+0×0.2=330万元(2)计算投资报酬额的标准离差(3)计算标准离差率V=Δ/X=210/330=63.64%(4)导入风险报酬系数,计算风险报酬率=B.V=8%×63.64%=5.1%(5)计算风险报酬额4.某公司计划在5年内更新设备,需要资金1500万元,银行的利率为10%,公司应每年向银行中存入多少钱才能保证能按期实现设备更新?分析:根据年金现值公式,A=1500/6.1051=245.7(万元)5.时代公司现有三种投资方案可供选择,三方案的年报酬率以及其概率的资料如下表:市场状况发生概率投资报酬率甲方案乙方案丙方案繁荣一般衰退0.30.50.240%20%050%20%-15%60%20%-30%假设甲方案的风险报酬系数为8%,乙方案风险报酬系数为9%,丙方案的风险报酬系数为10%。时代公司作为稳健的投资者欲选择期望报酬率较高而风险报酬率较低的方案,试通过计算作出选择。分析:(1)计算期望报酬率甲方案:K=0.3×40%+0.5×20%+0.2×0%=22%乙方案:K=0.3×50%+0.5×20%+0.2×(-15%)=22%丙方案:K=0.3×60%+0.5×20%+0.2×(-30%)=22%(2)计算标准离差甲方案:乙方案:丙方案:(3)计算标准离差率甲方案:V=Δ/K=14%/22%=63.64%乙方案:V=Δ/K=22.6%/22%=102.73%丙方案:V=Δ/K=31.24%/22%=142%(4)导入风险报酬系数,计算风险报酬率甲方案:RR=B.V=8%×63.64%=5.1%乙方案:RR=9%×102.73%=9.23%丙方案:RR=10%×142%=14.2%综合以上计算结果可知,三种方案估期望报酬率均为22%,所以时代公司应该选择风险报酬率最低的甲方案。6.某企业发行长期债券500万元,债券的票面利率为12%,偿还期为5年。要求计算在市场利率分别为10%、12%和15%情况下债券的发行价格。解:①当市场利率为10%时:债券的发行价格②当市场利率为12%时:债券的发行价格③当市场利率为15时:债券的发行价格7.某企业按面值发行面值为1000元,票面利率为12%的长期债券,筹资费率为4%,企业所得税率为30%,试计算长期债券的资金成本。解:长期债券的资金成本为:8.某股份有限公司为扩大经营业务,拟筹资1000万元,现在A、B两个方案供选择。有关资料如下表:筹资方式A方案B方案筹资额资金成本%筹资额资金成本%长期债券50052003普通股300105009优先股20083006合计10001000要求:通过计算分析该公司应选用的筹资方案。解:(1)该筹资方案中,各种资金占全部资金的比重(权数):债券比重=1000/2500=0.4优先股比重=500/2500=0.2普通股比重=1000/2500=0.4(2)各种资金的个别资金成本(3)该筹资方案的综合资金成本:综合资金成本=6.84%×0.4+7.22%×0.2+14.42%×0.4=9.95%9.某企业目前拥有资本1000万元,其结构为:债务资本20%(年利息为20万元),普通股权益资本80%(发行普通股10万元,每股面值80元)。现准备加筹资400万元,有两种筹资方案可供选择:(1)全部发行普通股:增发5万股,每股面值80元。(2)全部筹措长期债务:利率为10%,利息为40万元。企业追加筹资后,息税前利润预计为160万元,...

1、当您付费下载文档后,您只拥有了使用权限,并不意味着购买了版权,文档只能用于自身使用,不得用于其他商业用途(如 [转卖]进行直接盈利或[编辑后售卖]进行间接盈利)。
2、本站所有内容均由合作方或网友上传,本站不对文档的完整性、权威性及其观点立场正确性做任何保证或承诺!文档内容仅供研究参考,付费前请自行鉴别。
3、如文档内容存在违规,或者侵犯商业秘密、侵犯著作权等,请点击“违规举报”。

碎片内容

财务管理学同步计算题

确认删除?
VIP
微信客服
  • 扫码咨询
会员Q群
  • 会员专属群点击这里加入QQ群
客服邮箱
回到顶部