电脑桌面
添加小米粒文库到电脑桌面
安装后可以在桌面快捷访问

机电设备维修与管理专业培养计划VIP免费

机电设备维修与管理专业培养计划_第1页
1/6
机电设备维修与管理专业培养计划_第2页
2/6
机电设备维修与管理专业培养计划_第3页
3/6
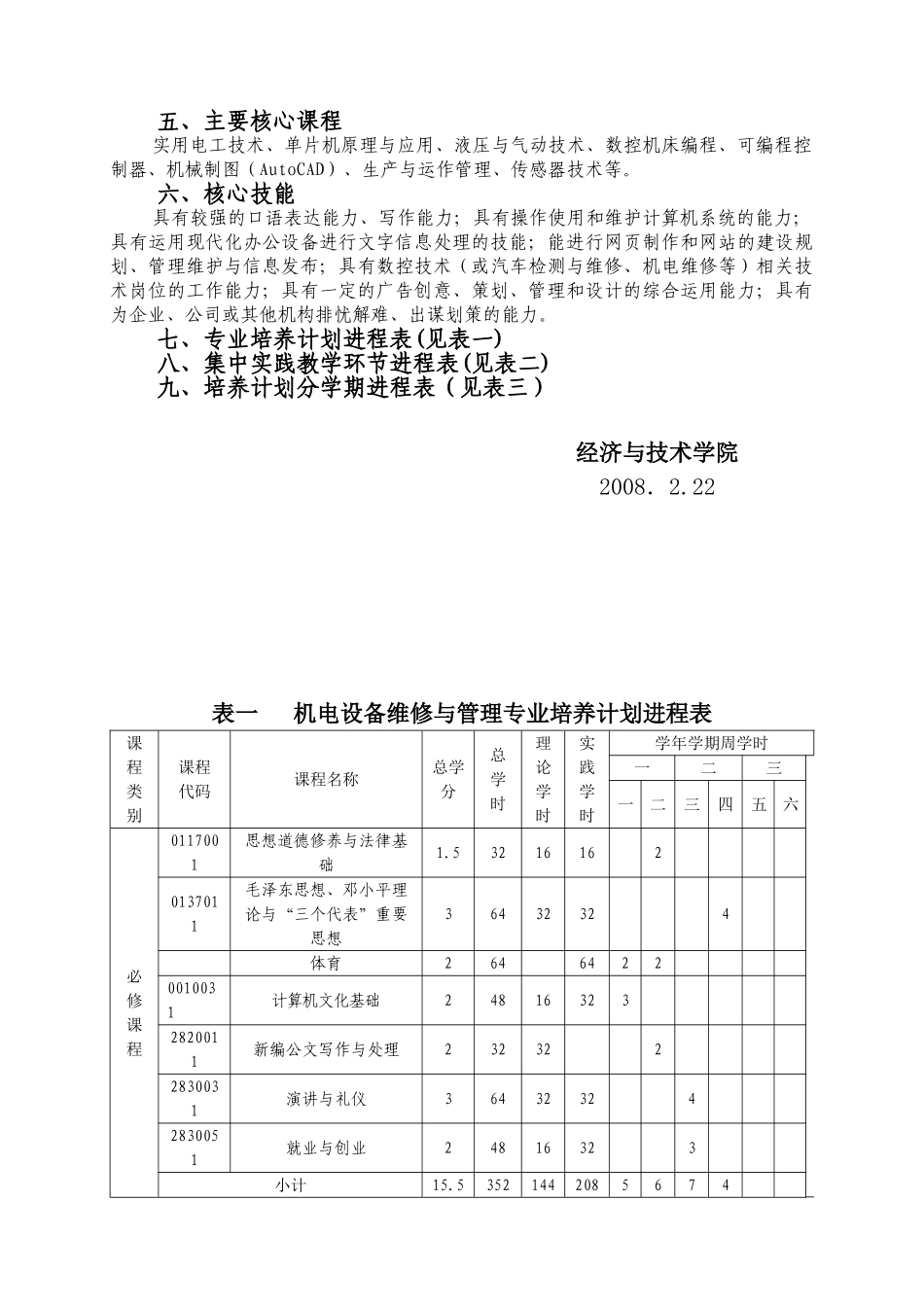
机电设备维修与管理专业培养计划(试行)一、专业代码与专业名称1、专业代码:5803012、专业名称:机电设备维修与管理二、专业培养目标本着注重能力、强化实践的人才培养思想,适应社会经济发展需求,培养德、智、体、美全面发展,具有较高的文化素养、计算机应用能力和组织协调能力,掌握机电设备的应用、维修及管理等方面的高等技术应用型人才。本专业学生,应具备在企业从事机电设备的安装、调试、维修及售后服务的能力,具备从事传统设备的机电一体化改造、企业设备管理、现场生产技术的组织与管理等技术岗位工作的能力。本专业学生,还应能熟练使用各种办公软件和现代办公设备,应能进行中小网站的建设及维护,并具备一定的自学能力以及跟踪新技术的能力。三、业务培养要求1、知识要求本专业采取理论与实践相结合的教学方法,使学生系统掌握:中文、法律领域的相关知识;计算机组成、常用软件的使用等基本知识;网站建设、网络管理与维护知识;平面图形设计、动画设计和立体图形设计等工具的使用知识;数控技术(或汽车检测与维修、机电维修)相关知识;电子商务以及广告策划与制作等相关知识。2、基本技能要求要求通过一系列的专业训练,使学生具有:较熟练的计算机、现代办公设备的操作使用能力;较好的语言与文字表达、应用文写作能力;较强的人际沟通、组织协调以及基本的组织领导能力。3、专业技能要求通过计算机课程系列实训,熟悉系统软硬件结构,培养计算机软硬件维护的技能;通过网络维护和组网的学习和训练,熟悉计算机网络系统的开发、维护、管理等方法和技术;结合所学的网页设计、平面设计、动画设计知识能够制作出精美的网页;能运用AUTOCAD等图形设计工具进行模具设计;经实践训练能够进行现代广告策划并运用计算机进行图文广告设计、制作。4、综合技能要求要求具备良好的文化素质、应有的法律知识、较强的改革意识和创新精神;能够熟练运用电脑软件处理日常事务;能够利用互联网快速获取所需信息;能够直接从事数控技术(或汽车检测与维修、机电维修)等相关技术岗位的工作;要求具有较强的工作适应能力,包括:组织协调能力、、应变能力、安全防范能力、心理调适能力、人际交往能力、环境适应能力、各种大中型活动及会议的组织策划能力等。要求具备较强的知识更新、技术跟踪技能,能够不断提高综合素质水平增强综合竞争力。5、职业证书要求学生可考取全国计算机等级考试证书、计算机操作员证书、计算机网络管理员证书、网络编辑员证书、数控操作工职业资格证书、高级维修电工职业资格证书、汽车中高级维修工职业资格证书及其他职业鉴定证书。四、修业年限及学分1、修业年限:3年2、最低学分:100学分五、主要核心课程实用电工技术、单片机原理与应用、液压与气动技术、数控机床编程、可编程控制器、机械制图(AutoCAD)、生产与运作管理、传感器技术等。六、核心技能具有较强的口语表达能力、写作能力;具有操作使用和维护计算机系统的能力;具有运用现代化办公设备进行文字信息处理的技能;能进行网页制作和网站的建设规划、管理维护与信息发布;具有数控技术(或汽车检测与维修、机电维修等)相关技术岗位的工作能力;具有一定的广告创意、策划、管理和设计的综合运用能力;具有为企业、公司或其他机构排忧解难、出谋划策的能力。七、专业培养计划进程表(见表一)八、集中实践教学环节进程表(见表二)九、培养计划分学期进程表(见表三)经济与技术学院2008.2.22表一机电设备维修与管理专业培养计划进程表课程类别课程代码课程名称总学分总学时理论学时实践学时学年学期周学时一二三一二三四五六必修课程0117001思想道德修养与法律基础1.532161620137011毛泽东思想、邓小平理论与“三个代表”重要思想36432324体育26464220010031计算机文化基础248163232820011新编公文写作与处理2323222830031演讲与礼仪364323242830051就业与创业24816323小计15.53521442085674核心课程2831011实用电工技术2.548321632834021单片机原理与应用2.548321632842061液压与气动技术2.548321632842051数控机床编程2.548321632851041可编程控制器2.54832163小计12.524016080663专...

1、当您付费下载文档后,您只拥有了使用权限,并不意味着购买了版权,文档只能用于自身使用,不得用于其他商业用途(如 [转卖]进行直接盈利或[编辑后售卖]进行间接盈利)。
2、本站所有内容均由合作方或网友上传,本站不对文档的完整性、权威性及其观点立场正确性做任何保证或承诺!文档内容仅供研究参考,付费前请自行鉴别。
3、如文档内容存在违规,或者侵犯商业秘密、侵犯著作权等,请点击“违规举报”。

碎片内容

机电设备维修与管理专业培养计划

您可能关注的文档

海纳百川+ 关注
实名认证
内容提供者

热爱教学事业,对互联网知识分享很感兴趣

确认删除?
VIP
微信客服
  • 扫码咨询
会员Q群
  • 会员专属群点击这里加入QQ群
客服邮箱
回到顶部