电脑桌面
添加小米粒文库到电脑桌面
安装后可以在桌面快捷访问

立式贮罐安装工程检验批质量验收记录表VIP免费

立式贮罐安装工程检验批质量验收记录表_第1页
1/2
立式贮罐安装工程检验批质量验收记录表_第2页
2/2
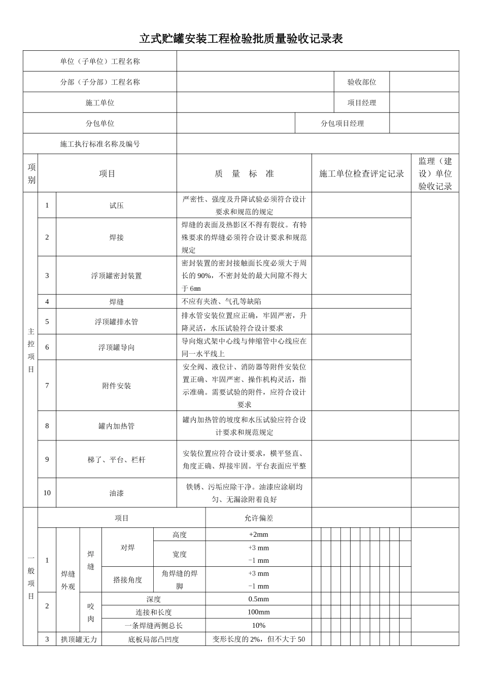
立式贮罐安装工程检验批质量验收记录表单位(子单位)工程名称分部(子分部)工程名称验收部位施工单位项目经理分包单位分包项目经理施工执行标准名称及编号项别项目质量标准施工单位检查评定记录监理(建设)单位验收记录主控项目1试压严密性、强度及升降试验必须符合设计要求和规范的规定2焊接焊缝的表面及热影区不得有裂纹。有特殊要求的焊缝必须符合设计要求和规范规定3浮顶罐密封装置密封装置的密封接触面长度必须大于周长的90%,不密封处的最大间隙不得大于6㎜4焊缝不应有夹渣、气孔等缺陷5浮顶罐排水管排水管安装位置应正确,牢固严密,升降灵活,水压试验符合设计要求6浮顶罐导向导向炮式架中心线与伸缩管中心线应在同一水平线上7附件安装安全阀、液位计、消防器等附件安装位置正确、牢固严密、操作机构灵活,指示准确。需要试验的附件,应符合设计要求8罐内加热管罐内加热管的坡度和水压试验应符合设计要求和规范规定9梯了、平台、栏杆安装位置应符合设计要求,横平竖直、角度正确、焊接牢固。平台表面应平整10油漆铁锈、污垢应除干净。油漆应涂刷均匀、无漏涂附着良好一般项目项目允许偏差1焊缝外观焊缝对焊高度+2mm宽度+3mm-1mm搭接角度角焊缝的焊脚+3mm-1mm2咬肉深度0.5mm连接和长度100mm一条焊缝两侧总长10%3拱顶罐无力底板局部凸凹度变形长度的2%,但不大于50矩罐和浮顶罐㎜4支柱安装位置5㎜铅垂度L一长度1/1000L5拱顶罐、无力矩罐直径(设计直径D)≥2000m³±2/1000D,但不大于50㎜<2000m³±2.5/1000D6罐壁铅垂度(高度H)4/1000H,但不大于50㎜7罐壁局部凸凹度板厚>5㎜10㎜板厚≤5㎜15㎜8罐壁高度(设计高度H)±2/1000H9拱顶罐顶板局部凸凹度15㎜10无力矩拱顶罐盖曲线与设计曲线24㎜11浮顶罐对口错边量(板厚s)0.15,但不大于2㎜12罐壁下口椭圆度(设计直径D)5/1000D13罐壁铅垂度(高度H)2.5/1000H14罐壁局部凸凹度焊缝处6㎜15壁板处3㎜16罐壁高度(设计高度H)±2/1000H17单盘顶局部凸凹度50㎜18罐壁周长(设计周长L)±3/1000L19导向装置安装位置5㎜20量油管和导向杆不直度全长10㎜铅垂度全高1/1000,但不大于15㎜21对口错边量(板厚s)0.1s,但不大于2㎜22法兰面垂直接管中心线1/100D,但不大于3㎜D<100㎜者按100㎜计23接管法兰与图纸规定的方向24接管法兰(法兰外径D)水平度25铅垂度26接管位置偏移5㎜27伸出长度±5㎜28平台安装标高±10㎜施工单位检查评定结果专业工长(施工员)施工工班长组长项目专业质量检查员:年月日监理(建设)单位验收结论专业监理工程师:(建设单位项目专业技术负责人):年月日

1、当您付费下载文档后,您只拥有了使用权限,并不意味着购买了版权,文档只能用于自身使用,不得用于其他商业用途(如 [转卖]进行直接盈利或[编辑后售卖]进行间接盈利)。
2、本站所有内容均由合作方或网友上传,本站不对文档的完整性、权威性及其观点立场正确性做任何保证或承诺!文档内容仅供研究参考,付费前请自行鉴别。
3、如文档内容存在违规,或者侵犯商业秘密、侵犯著作权等,请点击“违规举报”。

碎片内容

立式贮罐安装工程检验批质量验收记录表

您可能关注的文档

确认删除?
VIP
微信客服
  • 扫码咨询
会员Q群
  • 会员专属群点击这里加入QQ群
客服邮箱
回到顶部