电脑桌面
添加小米粒文库到电脑桌面
安装后可以在桌面快捷访问

金属幕墙工程检验批质量验收记录表VIP免费

金属幕墙工程检验批质量验收记录表_第1页
1/2
金属幕墙工程检验批质量验收记录表_第2页
2/2
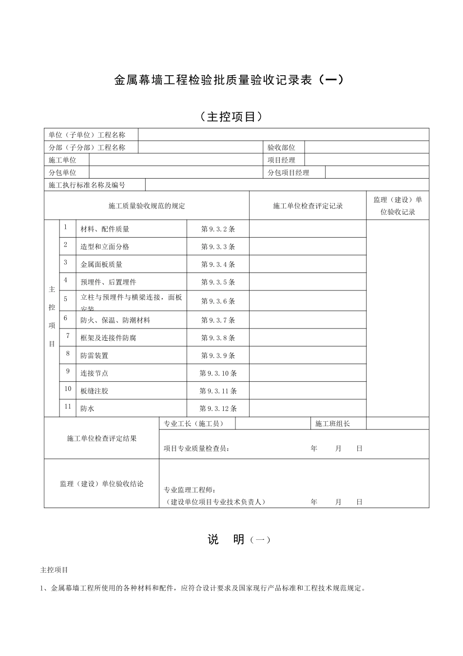
金属幕墙工程检验批质量验收记录表(一)(主控项目)单位(子单位)工程名称分部(子分部)工程名称验收部位施工单位项目经理分包单位分包项目经理施工执行标准名称及编号施工质量验收规范的规定施工单位检查评定记录监理(建设)单位验收记录主控项目1材料、配件质量第9.3.2条2造型和立面分格第9.3.3条3金属面板质量第9.3.4条4预埋件、后置埋件第9.3.5条5立柱与预埋件与横梁连接,面板安装第9.3.6条6防火、保温、防潮材料第9.3.7条7框架及连接件防腐第9.3.8条8防雷装置第9.3.9条9连接节点第9.3.10条10板缝注胶第9.3.11条11防水第9.3.12条施工单位检查评定结果专业工长(施工员)施工班组长项目专业质量检查员:年月日监理(建设)单位验收结论专业监理工程师:(建设单位项目专业技术负责人)年月日说明(一)主控项目1、金属幕墙工程所使用的各种材料和配件,应符合设计要求及国家现行产品标准和工程技术规范规定。检查产品合格证书、性能检测报告、材料进场验收记录和复验报告。2、金属幕墙的造型和立面分格应符合设计要求。观察和尺量检查。3、金属面板的品种、规格、颜色、光泽及安装方向应符合设计要求。观察和检查进场验收记录。4、金属幕墙主体结构上的预埋件、后置埋件的数量、位置及后置埋件的拉拔力必须符合设计要求。检查拉拔力检测报告和隐蔽工程验收记录。5、金属幕墙的金属框架立柱与主体结构预埋件的连接、立柱与横梁的连接、金属面板的安装必须符合设计要求,安装必须牢固。手扳检查;检查隐蔽工程验收记录。6、金属幕墙的防火、保温、防潮材料的设置应符合设计要求,并应密实、均匀。厚度一致。检查隐蔽工程验收记录。7、金属框架及连接件的防腐处理应符合设计要求。检查隐蔽工程验收记录和施工记录。8、金属幕墙的防雷装置必须与主体结构的防雷装置可靠连接。检查隐蔽工程验收记录。9、各种变形缝、墙角的连接节点应符合设计要求和技术标准的规定。观察和检查隐蔽工程验收记录。10、金属幕墙的板缝注胶应饱满、密实、连续、均匀、无气泡,宽度和厚度应符合设计要求和技术标准的规定。观察和尺量检查;检查施工记录。11、金属幕墙应无渗漏。在易渗漏部位进行淋水检查。

1、当您付费下载文档后,您只拥有了使用权限,并不意味着购买了版权,文档只能用于自身使用,不得用于其他商业用途(如 [转卖]进行直接盈利或[编辑后售卖]进行间接盈利)。
2、本站所有内容均由合作方或网友上传,本站不对文档的完整性、权威性及其观点立场正确性做任何保证或承诺!文档内容仅供研究参考,付费前请自行鉴别。
3、如文档内容存在违规,或者侵犯商业秘密、侵犯著作权等,请点击“违规举报”。

碎片内容

金属幕墙工程检验批质量验收记录表

海纳百川+ 关注
实名认证
内容提供者

热爱教学事业,对互联网知识分享很感兴趣

确认删除?
VIP
微信客服
  • 扫码咨询
会员Q群
  • 会员专属群点击这里加入QQ群
客服邮箱
回到顶部