电脑桌面
添加小米粒文库到电脑桌面
安装后可以在桌面快捷访问

浅析西门子贴片机Y轴控制原理VIP免费

浅析西门子贴片机Y轴控制原理_第1页
1/5
浅析西门子贴片机Y轴控制原理_第2页
2/5
浅析西门子贴片机Y轴控制原理_第3页
3/5
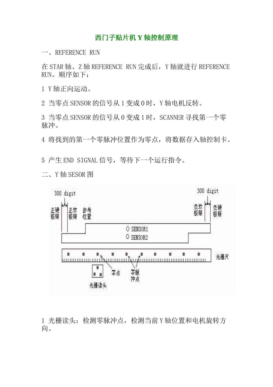
西门子贴片机Y轴控制原理一、REFERENCERUN在STAR轴、Z轴REFERENCERUN完成后,Y轴就进行REFERENCERUN。顺序如下:1Y轴正向运动。2当零点SENSOR的信号从1变成0时,Y轴电机反转。3当零点SENSOR的信号从0变成1时,SCANNER寻找第一个零脉冲。4将找到的第一个零脉冲位置作为零点,将数据存入轴控制卡。5产生ENDSIGNAL信号,等待下一个运行指令。二、Y轴SESOR图1光栅读头:检测零脉冲点,检测当前Y轴位置和电机旋转方向。2光栅尺:有位置刻度和零脉冲点。相邻零脉冲点的间距为50mm。3SENSOR1:检测参考位置,触发光栅读头找零点;检测负硬极限。4SENSOR2:检测正硬极限。5正、负软极限:正、负硬极限以内300digit处,即为正、负软极限。三、Y轴零点和软极限1Y轴零点:不能够输入,由CALIBRATION而生成。2软极限:测试硬极限的位置,再根据硬极限的数据,确定软极限的数据。四、邻近极限区域的运动1在正硬极限缺口处:(即正硬极限与参考位置之间的区域,SENSOR1感应信号为0)Y轴在运动中,当vnominal≥4时,控制部分会紧急制动,切断Y电机电源;当vnominal<4时,Y轴继续运动。2在负硬极限缺口处:(SENSOR2感应信号为0)Y轴在运动中,当vnominal≥4时,控制部分会紧急制动,切断Y电机电源;当vnominal<4时,Y轴继续运动。五、零点SENSOR插头松动时的运动情况(即零点SENSOR的信号为0)1在做REFERENCERUN时,若零点SENSOR插头松动,则Y轴向负方向运动,越过负硬极限,直到被止动橡胶柱挡住。在这种情况下,应尽快按紧急停止,不可让Y轴撞硬极限,以免Y轴电机和伺服控制系统因过载而损坏。2在CONTINUOUSRUN,且Y轴在负硬极限缺口处时,若零点SENSOR插头松动,此时,因SENSOR1和SENSOR2的信号都为0,Y轴会显示极限错误而停机。3在CONTINUOUSRUN,且Y轴不在负硬极限缺口处时,若零点SENSOR插头松动,此时,SENSOR1信号为0,SENSOR2的信号为1,Y轴因vnominal≥4时,控制部分会紧急制动,切断Y电机电源。六、控制系统方框图注释:1MC的控制信号与光栅读头信号合成。2将合成信号放大。3将数字信号转换成模拟信号。4将模拟信号输入到伺服卡。5放大模拟信号。6经桥式输出,供给电机。7反馈电机速度。七、连接线路图八、伺服控制图

1、当您付费下载文档后,您只拥有了使用权限,并不意味着购买了版权,文档只能用于自身使用,不得用于其他商业用途(如 [转卖]进行直接盈利或[编辑后售卖]进行间接盈利)。
2、本站所有内容均由合作方或网友上传,本站不对文档的完整性、权威性及其观点立场正确性做任何保证或承诺!文档内容仅供研究参考,付费前请自行鉴别。
3、如文档内容存在违规,或者侵犯商业秘密、侵犯著作权等,请点击“违规举报”。

碎片内容

浅析西门子贴片机Y轴控制原理

您可能关注的文档

确认删除?
VIP
微信客服
  • 扫码咨询
会员Q群
  • 会员专属群点击这里加入QQ群
客服邮箱
回到顶部