电脑桌面
添加小米粒文库到电脑桌面
安装后可以在桌面快捷访问

第八章给水排水工程VIP免费

第八章给水排水工程_第1页
1/290
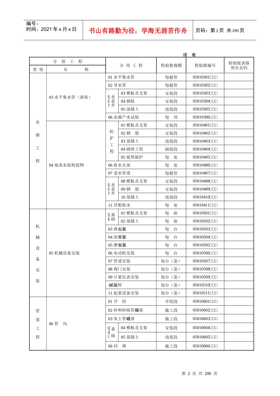
第八章给水排水工程_第2页
2/290
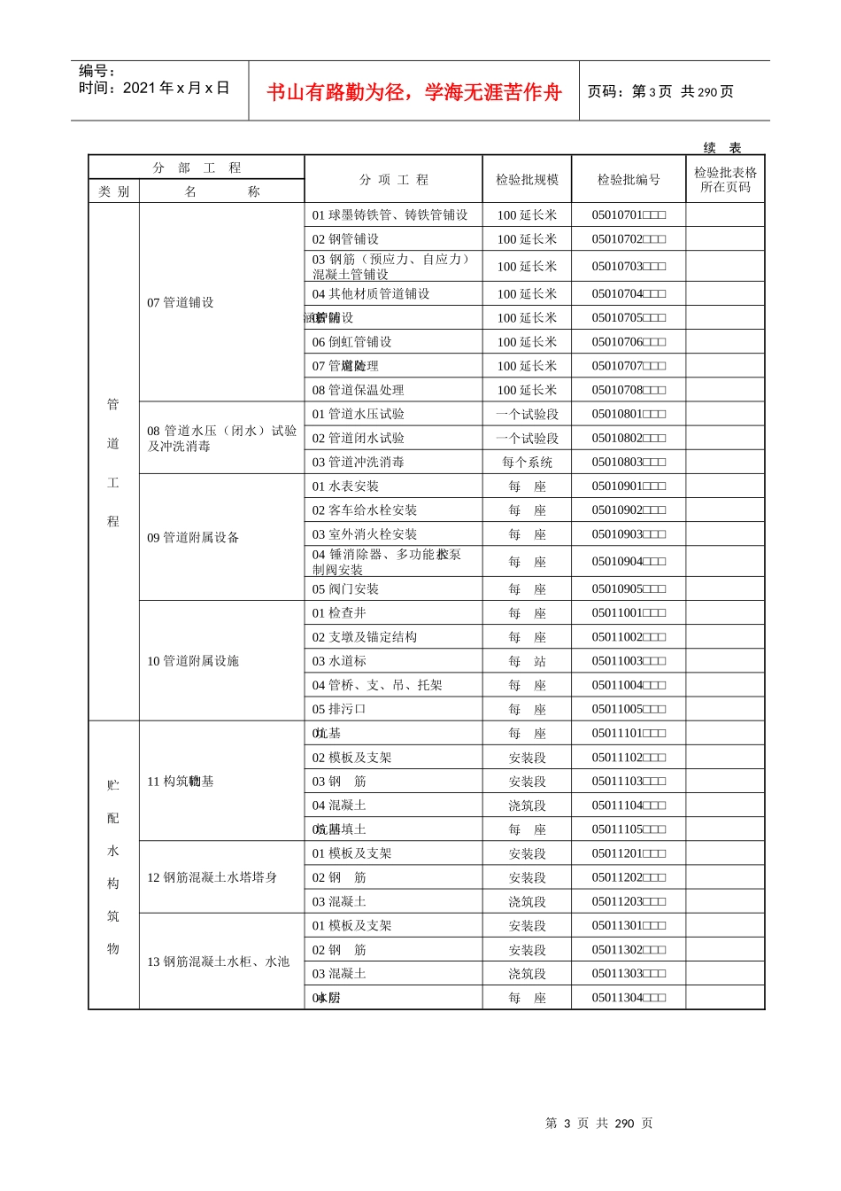
第八章给水排水工程_第3页
3/290
第1页共290页编号:时间:2021年x月x日书山有路勤为径,学海无涯苦作舟页码:第1页共290页第八章给水排水工程给水排水工程施工质量验收划分为单位工程、分部工程、分项工程和检验批。单位工程应按下列原则确定:(1)一个完整的给水排水工程或相当规模的施工范围划分为一个单位工程;(2)一个给水站宜划分为一个单位工程。分部工程应按一个完整部位或主要结构及施工阶段划分。分别按水源工程、机械设备安装、管道工程、贮配水构筑物、水处理设备等几个大类进行具体划分。分项工程应按工种、工序、材料、施工工艺等划分。检验批可根据施工及质量控制和验收需要按施工阶段或部位等划分。给水排水工程的单位工程、分部工程、分项工程和检验批的划分及编号应符合下列各表的规定。分部工程、分项工程划分和检验批的划分及编号(给水排水单位工程编号0501)分部工程分项工程检验批规模检验批编号检验批表格所在页码类别名称水源工程01供水管井01井孔钻进每口井05010101□□□02过滤管每口井05010102□□□03井壁管及沉淀管每口井05010103□□□04填充砾石每口井05010104□□□05封井及回填每口井05010105□□□06洗井及抽水试验每口井05010106□□□02大口井、结合井、辐射井井筒制作01模板及支架安装段05010201□□□02钢筋安装段05010202□□□03混凝土浇筑段05010203□□□04井筒下沉每口井05010204□□□05井壁进水结构每口井05010205□□□06井底反滤层每口井05010206□□□07井底封底每口井05010207□□□08辐射管每口井05010208□□□09抽水试验每口井05010209□□□第2页共290页第1页共290页编号:时间:2021年x月x日书山有路勤为径,学海无涯苦作舟页码:第2页共290页续表分部工程分项工程检验批规模检验批编号检验批表格所在页码类别名称水源工程03水平集水管(渗渠)01水平集水管每根管05010301□□□02导水管每根管05010302□□□水泵井集水井03模板及支架安装段05010303□□□04钢筋安装段05010304□□□05混凝土浇筑段05010305□□□06水源产水试验每项05010306□□□04地表水取构筑物防护工程01模板及支架安装段05010401□□□02钢筋安装段05010402□□□03混凝土浇筑段05010403□□□04砌体工程砌筑段05010404□□□05堤坝、护坡每处05010405□□□06取水头部每处05010406□□□07进水管道每根管05010407□□□水泵井集水井08模板及支架安装段05010408□□□09钢筋安装段05010409□□□10混凝土浇筑段05010410□□□11浮船取水每处05010411□□□机械设备安装05机械设备安装基础设备01模板及支架每座05010501□□□02混凝土每座05010502□□□03离心泵安装每台05010503□□□04深井泵安装每台05010504□□□05潜水泵安装每台05010505□□□06电动机安装每台05010506□□□07管道安装每台(套)05010507□□□08阀门安装每台(套)05010508□□□09计量仪表安装每台(套)05010509□□□10泵试运转每台(套)05010510□□□11起重设备安装每台(套)05010511□□□管道工程06管沟01开挖开挖段05010601□□□02砂和砂砾管道基础施工段05010602□□□03灰土管道基础施工段05010603□□□基础混凝土04模板及支架安装段05010604□□□05混凝土浇筑段05010605□□□06回填施工段05010606□□□第3页共290页第2页共290页编号:时间:2021年x月x日书山有路勤为径,学海无涯苦作舟页码:第3页共290页续表分部工程分项工程检验批规模检验批编号检验批表格所在页码类别名称管道工程07管道铺设01球墨铸铁管、铸铁管铺设100延长米05010701□□□02钢管铺设100延长米05010702□□□03钢筋(预应力、自应力)混凝土管铺设100延长米05010703□□□04其他材质管道铺设100延长米05010704□□□05防护涵管铺设100延长米05010705□□□06倒虹管铺设100延长米05010706□□□07管道防腐处理100延长米05010707□□□08管道保温处理100延长米05010708□□□08管道水压(闭水)试验及冲洗消毒01管道水压试验一个试验段05010801□□□02管道闭水试验一个试验段05010802□□□03管道冲洗消毒每个系统05010803□□□09管道附属设备01水表安装每座05010901□□□02客车给水栓安装每座05010902□□□03...

1、当您付费下载文档后,您只拥有了使用权限,并不意味着购买了版权,文档只能用于自身使用,不得用于其他商业用途(如 [转卖]进行直接盈利或[编辑后售卖]进行间接盈利)。
2、本站所有内容均由合作方或网友上传,本站不对文档的完整性、权威性及其观点立场正确性做任何保证或承诺!文档内容仅供研究参考,付费前请自行鉴别。
3、如文档内容存在违规,或者侵犯商业秘密、侵犯著作权等,请点击“违规举报”。

碎片内容

第八章给水排水工程

精品中小学资料+ 关注
实名认证
内容提供者

精品文档

确认删除?
VIP
微信客服
  • 扫码咨询
会员Q群
  • 会员专属群点击这里加入QQ群
客服邮箱
回到顶部