电脑桌面
添加小米粒文库到电脑桌面
安装后可以在桌面快捷访问

矿物绝缘电缆施工工法VIP免费

矿物绝缘电缆施工工法_第1页
1/14
矿物绝缘电缆施工工法_第2页
2/14
矿物绝缘电缆施工工法_第3页
3/14
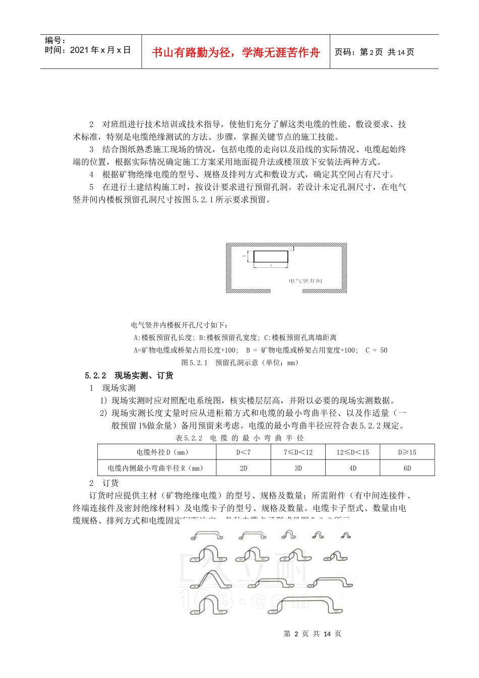
第1页共14页编号:时间:2021年x月x日书山有路勤为径,学海无涯苦作舟页码:第1页共14页矿物绝缘电缆施工工法1前言矿物绝缘电缆简称MI电缆,国内习惯称之为氧化镁电缆或防火电缆。它是用金属(目前基本为铜)作为导体,氧化镁矿物质作为绝缘,金属管(目前基本为铜管)作为护套的一种电缆(电缆结构图详图1)。电缆的全部材料都是采用无机材料,它具有耐火、耐高温、防爆、载流量大、无卤无毒、防水、耐腐蚀等优点。随着人民生活水平及消防安全要求的不断提高,对建筑物的安全等级要求也越来越高,由于矿物绝缘电缆具备以上显著优点,使它越来越多地应用于各类建筑工程。我司在矿物绝缘电缆应用于几个工程的施工中积累一定安装经验的基础上,总结了矿物绝缘电缆的安装技术并形成工法。2工法特点2.0.1使用新材料(配专用的安装附件)、新工艺,比传统材料、工艺提高了效率。2.0.2对关键环节(中间连接和终端制作)的搭接工艺方法做了详细规定,保证了矿物绝缘电缆安全稳定运行。2.0.3制定了严格的质量控制措施,确保安装质量的水平达到优良要求。3适用范围适用于室内、额定电压750V及以下工业、民用、国防等建筑的铜芯铜护套矿物绝缘电缆安装。4工艺原理矿物绝缘电缆的安装是将已在工厂内标准化生产好的电缆和配套的专用附件包括终端附件、中间连接附件、密封绝缘附件和固定配件,按照规定的工艺步骤、操作要求,连接成一种安全、可靠具备耐火、耐高温、耐机械损伤、耐腐蚀、防爆、防水等特点的电缆线路。5施工工艺流程及操作要点5.1施工工艺流程施工准备现场实测、订货到货查验固定支架及电缆卡子的安装敷设电缆电缆固定中间接头制作终端接头制作防火分区防火封堵系统绝缘复测终端接头接线安装试运行及交验5.2施工操作要点5.2.1施工准备1熟悉施工图纸和设计说明,确定矿物绝缘电缆的型号、规格及排列方式和敷设方式。1)单芯矿物绝缘电缆的排列方式见表5.2.1。2)矿物绝缘电缆室内敷设方式主要有:沿电缆桥架敷设;在电缆沟内敷设;沿支架卡设;沿墙面及平顶直接敷设。表5.2.1单芯矿物绝缘电缆的排列方式第2页共14页第1页共14页编号:时间:2021年x月x日书山有路勤为径,学海无涯苦作舟页码:第2页共14页2对班组进行技术培训或技术指导,使他们充分了解这类电缆的性能、敷设要求、技术标准,特别是电缆绝缘测试的方法、步骤,掌握关键节点的施工技能。3结合图纸熟悉施工现场的情况,包括电缆的走向以及沿线的实际情况、电缆起始终端的位置,根据实际情况确定施工方案采用地面提升法或楼顶放下安装法两种方式。4根据矿物绝缘电缆的型号、规格及排列方式和敷设方式,确定其空间占有尺寸。5在进行土建结构施工时,按设计要求进行预留孔洞。若设计未定孔洞尺寸,在电气竖井间内楼板预留孔洞尺寸按图5.2.1所示要求预留。电气竖井内楼板开孔尺寸如下:A:楼板预留孔长度;B:楼板预留孔宽度;C:楼板预留孔离墙距离A=矿物电缆或桥架占用长度+100;B=矿物电缆或桥架占用宽度+100;C=50图5.2.1预留孔洞示意(单位:mm)5.2.2现场实测、订货1现场实测1)现场实测时应对照配电系统图,核实楼层层高,并附以必要的现场实测数据。2)现场实测长度丈量时应从进柜箱方式和电缆的最小弯曲半径、以及作适量(一般预留1%做余量)备用预留来考虑。电缆的最小弯曲半径应符合表5.2.2规定。表5.2.2电缆的最小弯曲半径电缆外径D(mm)D<77≤D<1212≤D<15D≥15电缆内侧最小弯曲半径R(mm)2D3D4D6D2订货订货时应提供主材(矿物绝缘电缆)的型号、规格及数量;所需附件(有中间连接件、终端连接件及密封绝缘材料)及电缆卡子的型号、规格及数量。电缆卡子型式、数量由电缆规格、排列方式和电缆固定间距决定。各种电缆卡子型式见图5.2.2所示。第3页共14页第2页共14页编号:时间:2021年x月x日书山有路勤为径,学海无涯苦作舟页码:第3页共14页图5.2.2电缆卡子型式5.2.3到货查验1按照订货与发货清单逐一清点,核对其型号、规格及数量是否与设计图纸中的电缆相一致。2检查矿物绝缘电缆的外包装是否完好,拆除外包装之后,再看电缆的外表是否有压扁、扭曲,或严重划伤、破损,两端的封端是否完好。并及时收取各种材料合...

1、当您付费下载文档后,您只拥有了使用权限,并不意味着购买了版权,文档只能用于自身使用,不得用于其他商业用途(如 [转卖]进行直接盈利或[编辑后售卖]进行间接盈利)。
2、本站所有内容均由合作方或网友上传,本站不对文档的完整性、权威性及其观点立场正确性做任何保证或承诺!文档内容仅供研究参考,付费前请自行鉴别。
3、如文档内容存在违规,或者侵犯商业秘密、侵犯著作权等,请点击“违规举报”。

碎片内容

矿物绝缘电缆施工工法

您可能关注的文档

确认删除?
VIP
微信客服
  • 扫码咨询
会员Q群
  • 会员专属群点击这里加入QQ群
客服邮箱
回到顶部