电脑桌面
添加小米粒文库到电脑桌面
安装后可以在桌面快捷访问

电力负荷控制系统数据传输规约1687870563VIP免费

电力负荷控制系统数据传输规约1687870563_第1页
1/14
电力负荷控制系统数据传输规约1687870563_第2页
2/14
电力负荷控制系统数据传输规约1687870563_第3页
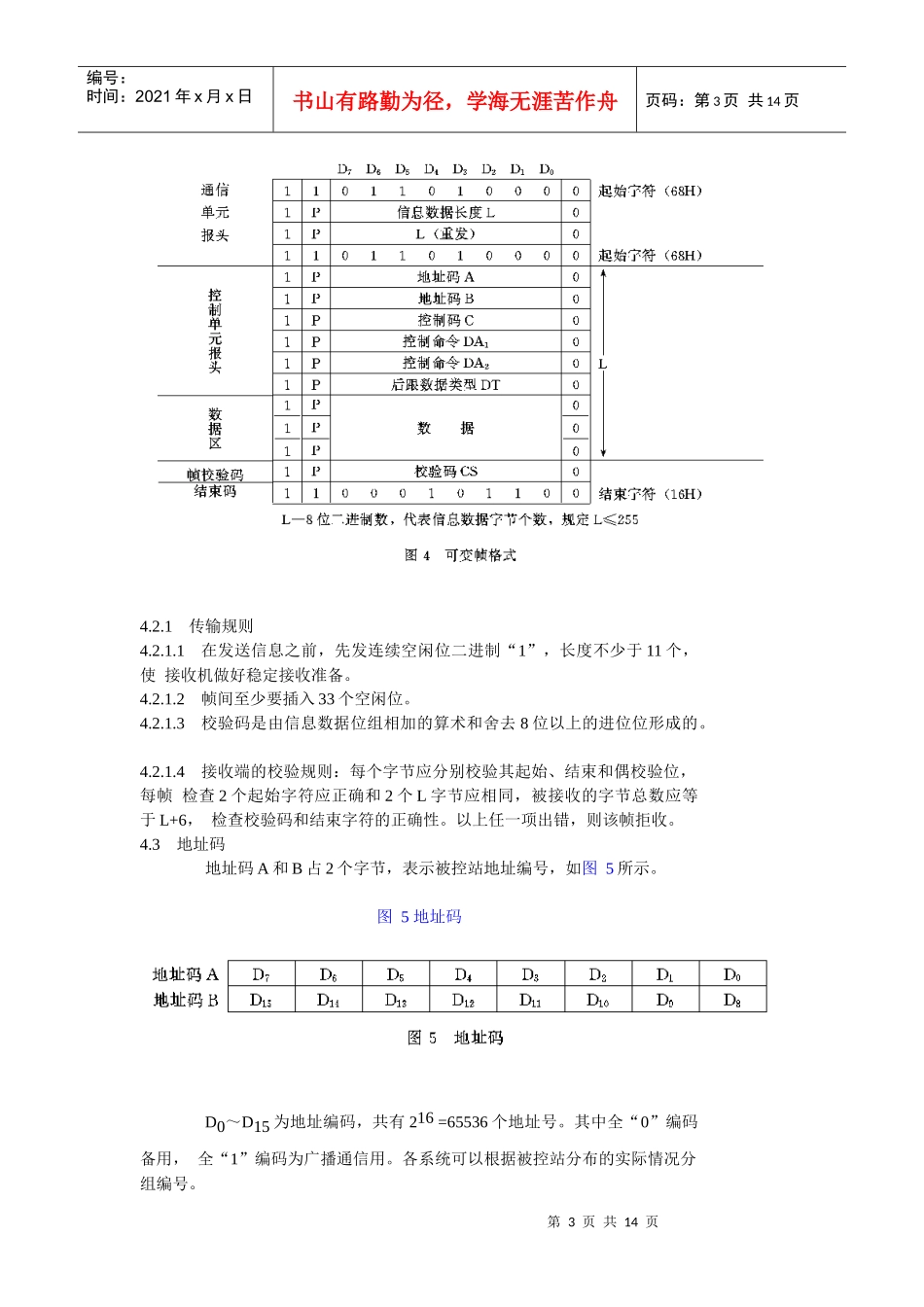
3/14
第1页共14页编号:时间:2021年x月x日书山有路勤为径,学海无涯苦作舟页码:第1页共14页中华人民共和国电力行业标准电力负荷控制系统数据传输规约DL535—93中华人民共和国电力工业部1984-01-07批准1994-05-01实施1主题内容与适用范围本规约规定了电力负荷控制系统各被控用户终端与主控站或当地控制机(简称被控站)进行数据传输的帧格式、数据编码及传输规则。本规约适用于无线电负荷控制系统、配电线载波负荷控制系统以及电力负荷控制中心与音频负荷控制系统的当地控制机之间的通信。本规约适用于点对点、多点共线和1点对多点的网络。主控站对各终端执行主从问答方式通信。2基本帧格式结构基本帧格式结构如图1所示。图1基本帧格式结构3字节格式帧的基本单元为字节,按异步传输,其具体格式规定如图2所示。图2字节格式4帧格式本规约定义了2种帧格式,即固定帧和可变帧,它们各采用不同的起始字符。4.1固定帧格式固定帧格式共6个字节,如图3所示。第2页共14页第1页共14页编号:时间:2021年x月x日书山有路勤为径,学海无涯苦作舟页码:第2页共14页图3固定帧格式4.1.1传输规则4.1.1.1在发送信息之前,先发连续空闲位二进制“1”,长度不少于11个,使接收机做好稳定接收准备。4.1.1.2帧间至少要插入33个空闲位。4.1.1.3校验码是由控制单元报头数据位组相加的算术和舍去8位以上的进位位形成的。4.1.1.4接收端的校验规则:每个字节应分别校验其起始、停止位和偶校验位;每帧都应校核其起始、结束字符和帧校验码CS的正确性。以上任何一项出错,则该帧拒收。4.2可变帧格式可变帧格式如图4所示。图4可变帧格式第3页共14页第2页共14页编号:时间:2021年x月x日书山有路勤为径,学海无涯苦作舟页码:第3页共14页4.2.1传输规则4.2.1.1在发送信息之前,先发连续空闲位二进制“1”,长度不少于11个,使接收机做好稳定接收准备。4.2.1.2帧间至少要插入33个空闲位。4.2.1.3校验码是由信息数据位组相加的算术和舍去8位以上的进位位形成的。4.2.1.4接收端的校验规则:每个字节应分别校验其起始、结束和偶校验位,每帧检查2个起始字符应正确和2个L字节应相同,被接收的字节总数应等于L+6,检查校验码和结束字符的正确性。以上任一项出错,则该帧拒收。4.3地址码地址码A和B占2个字节,表示被控站地址编号,如图5所示。图5地址码D0~D15为地址编码,共有216=65536个地址号。其中全“0”编码备用,全“1”编码为广播通信用。各系统可以根据被控站分布的实际情况分组编号。第4页共14页第3页共14页编号:时间:2021年x月x日书山有路勤为径,学海无涯苦作舟页码:第4页共14页4.4控制码控制码C的格式如图6所示。图6控制码格式图中各位的含义如下:PRM为传输方向位。1表示下行方向;0表示上行方向。FCV为帧计数有效位。1表示FCB位有效;0表示FCB位无效。FCB为帧计数位。DFC为数据流控制位。0表示被控站可以继续接收数据;1表示被控站数据缓存区已满,通知主控站暂停发送。ACD为请求访问位。1表示被控站有重要数据等待访问,或数据超长(L>255),通知主控站发送继续查询命令;0表示被控站无数据等待发送。4.4.1功能编码功能码的定义如表1、表2所示。表1功能码定义表(下行方向)注:其他编码作为备用。表2功能码定义表(上行方向)第5页共14页第4页共14页编号:时间:2021年x月x日书山有路勤为径,学海无涯苦作舟页码:第5页共14页注:其他编码作为备用。4.4.2帧记数位(FCB)的应用规则采用FCB位是为了防止数据的丢失或重复。主控站对每个被控站分别设置FCB位,以便进行通信管理。主控站发信时将FCB位的状态写入控制码的FCB位。FCB位的具体处理方法如下:a.在主控站,对每个被控站都保存着前一帧发出的FCB状态“0”或“1”。当接收到被控站对前一帧的正确应答时,修改上一帧保存的FCB状态然后发下一帧;当收到被控站的应答帧出错或超时未收到应答时,重发上一帧的信息(包括上一帧FCB状态)以通知对方该帧是重发的信息。b.在被控站,存储着主控站刚发来的帧中FCB位的状态。当再次接收到主控站发来的帧时,比较新FCB位是否与上帧有变化,如有变化则认为主控站已正确接收了上一帧,可继续向主控站发新的应答信息;如无变化...

1、当您付费下载文档后,您只拥有了使用权限,并不意味着购买了版权,文档只能用于自身使用,不得用于其他商业用途(如 [转卖]进行直接盈利或[编辑后售卖]进行间接盈利)。
2、本站所有内容均由合作方或网友上传,本站不对文档的完整性、权威性及其观点立场正确性做任何保证或承诺!文档内容仅供研究参考,付费前请自行鉴别。
3、如文档内容存在违规,或者侵犯商业秘密、侵犯著作权等,请点击“违规举报”。

碎片内容

电力负荷控制系统数据传输规约1687870563

精品中小学资料+ 关注
实名认证
内容提供者

精品文档

确认删除?
VIP
微信客服
  • 扫码咨询
会员Q群
  • 会员专属群点击这里加入QQ群
客服邮箱
回到顶部