电脑桌面
添加小米粒文库到电脑桌面
安装后可以在桌面快捷访问

通信原理指导书(最终)VIP专享VIP免费

通信原理指导书(最终)_第1页
1/44
通信原理指导书(最终)_第2页
2/44
通信原理指导书(最终)_第3页
3/44
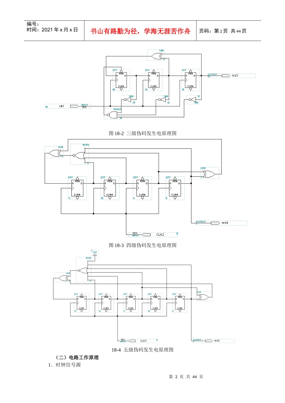
第1页共44页编号:时间:2021年x月x日书山有路勤为径,学海无涯苦作舟页码:第1页共44页实验一数字信号发生实验一、实验目的1.了解多种时钟信号的产生方法;2.了解PCM编码中的收、发帧同步信号的产生过程;3.掌握3级、4级、5级伪随机码的编码方法和伪随机码性质。二、实验仪器与设备1.THEXZ-2B型实验箱、数字信号发生模块;2.20MHz双踪示波器。三、实验原理时钟信号乃是数字通信各级电路的重要组成部分,在数字通信电路中,若没有时钟信号,则电路基本工作条件将得不到满足而无法工作。(一)电路组成时钟与伪码发生实验是供给PCM、PSK、FSK、HDB3等实验所需时钟和基带信号,由以下电路组成:1.内时钟信号源,图18-1。2.多级分频及脉冲编码调制系统收、发帧同步信号产生电路,图18-1。3.三级伪随机码发生电路,图18-2;4.四级伪随机码发生电路,图18-3;5.五级伪随机码发生电路,图18-4。图18-1时钟及多级分频及脉冲编码调制系统收、发帧同步信号产生电原理图第2页共44页第1页共44页编号:时间:2021年x月x日书山有路勤为径,学海无涯苦作舟页码:第2页共44页图18-2三级伪码发生电原理图图18-3四级伪码发生电原理图18-4五级伪码发生电原理图(二)电路工作原理1.时钟信号源第3页共44页第2页共44页编号:时间:2021年x月x日书山有路勤为径,学海无涯苦作舟页码:第3页共44页时钟信号源由钟振Y1提供,若电路加电后,在CLK测试点输出一个比较理想的方波信号,输出振荡频率为4.096MHz,经过D触发器进行二分频,输出为2.048MHz方波信号。2.三级基准信号分频及PCM编码调制收发帧同步信号产生电路该电路的输入时钟信号为2.048MHZ的方波,由可预置四位二进制计数器(带直接清零)组成的三级分频电路组成,逐次分频变成1K方波,由第一级分频电路产生的P128KHZ窄脉冲和由第二级分频电路产生的Q8KH窄脉冲进行与非后输出,即为PCM编译码中的收、发分帧同步信号P8K。3.三级伪随机码发生器电路伪随机序列,也称作m序列,它的显著特点是:(a)随机特性;(b)预先可确定性;(c)可重复实现。本电路采用带有两个反馈的三级反馈移位寄存器,示意图见图18-5。若设初始状态为111(Q2Q1Q0=111),则在CP时钟作用下移位一次后,由Q1与Q0模二加产生新的输入Q=Q0Q1=11=0,则新状态为Q2Q1Q0=011。当移位二次时为Q2Q1Q0=001;当移位三次为Q2Q1Q0=100;移位四次后为Q2Q1Q0=010;移位五次后为Q2Q1Q0=101;移位六次后为Q2Q1Q0=110;移位七次后为Q2Q1Q0=111;即又回到初始状态Q2Q1Q0=111。该状态转移情况可直观地用“状态转移图”表示。见图18-6。图18-2是实验系统中3级伪随机序列码发生器电原理图。从图中可知,这是由三级D触发器和异或门组成的三级反馈移存器。在测量点PN处的码型序列为1110010周期性序列。若初始状态为全“零”则状态转移后亦为全“零”,需增加U8A三输入与非门“破全零状态”。图18-5具有两个反馈抽头的3级伪随机序列码发生器图18-6状态转移图4.四级伪随机码发生电路图18-3是实验系统中4级伪随机序列码发生器电原理图。从图中可知,这是由4级D触发器和异或门组成的4级反馈移位寄存器。本电路是利用带有两个反馈抽头的4级反馈移位寄存器,其示意图见图18-7,状态转移图见表18-1,在测量点PN处的码序列为111100010011010。图18-7具有两个反馈抽头的4级伪随机序列码发生器5.五级伪随机码发生电路图18-4是实验系统中5级伪随机序列码发生器电原理图,从图中可知,这是由5级D触发器和异或门组成的5级反馈移位寄存器。本电路是利用带有两个反馈抽头(注意,反馈点是Q0与Q2)的5级反馈移位寄存器,其示意图见图18-8,状态转移图见表18-1,在测量点PN处的码序列为1111100011011101010000100101100。第4页共44页第3页共44页编号:时间:2021年x月x日书山有路勤为径,学海无涯苦作舟页码:第4页共44页图18-8具有两个反馈抽头的5级伪随机序列码发生器表18-13级、4级、5级伪随机码、状态转移图三级伪随机码四级伪随机码五级伪随机码Q2Q1Q0Q3Q2Q1Q0Q4Q3Q2Q1Q0111111111111011011101111001001100111100000100011010100010001101010011000110001001100111100110110110011011011011101101101...

1、当您付费下载文档后,您只拥有了使用权限,并不意味着购买了版权,文档只能用于自身使用,不得用于其他商业用途(如 [转卖]进行直接盈利或[编辑后售卖]进行间接盈利)。
2、本站所有内容均由合作方或网友上传,本站不对文档的完整性、权威性及其观点立场正确性做任何保证或承诺!文档内容仅供研究参考,付费前请自行鉴别。
3、如文档内容存在违规,或者侵犯商业秘密、侵犯著作权等,请点击“违规举报”。

碎片内容

通信原理指导书(最终)

确认删除?
VIP
微信客服
  • 扫码咨询
会员Q群
  • 会员专属群点击这里加入QQ群
客服邮箱
回到顶部