电脑桌面
添加小米粒文库到电脑桌面
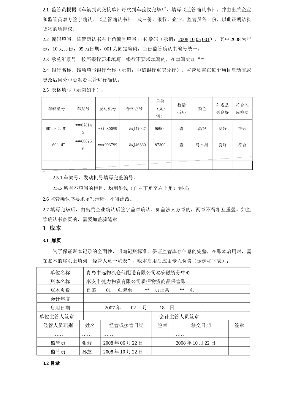
安装后可以在桌面快捷访问

某公司供应链融资部账务管理规定VIP免费

某公司供应链融资部账务管理规定_第1页
1/6
某公司供应链融资部账务管理规定_第2页
2/6
某公司供应链融资部账务管理规定_第3页
3/6
供应链融资部账务管理规定一、目的为规范供应链融资部及分中心的账务规范化工作,不断改进融资业务服务质量,促进供应链融资业务的稳健发展,特制订本管理规定。二、适用范围适用于青岛中远物流仓储配送有限公司供应链融资部各监管点的各类账本、单据、凭证(各合作银行对相关文件有单独填写要求的,按银行规定执行)。三、填写规范1质物清单1.1监管员根据《查询及出质通知书》每天对质物核对盘点后,填写《质物清单》,并由出质企业和监管员双方签字确认。《质物清单》一式三份,银行、企业、监管员各一份。1.2编码填写。质物清单右上角编号填写11位数码(示例:20081005001),其中2008为年份,10为月份,05为日期,001为固定编码,三份质物清单编号统一。1.3银行名称。该项填写银行全称(示例:深圳发展银行青岛分行),监管员需在每个项目启动前或更改后同分中心融资主管进行确认。1.4其他。如综合授信额度合同编号、最高额质押担保合同编号等,具体填写要求监管员需在每个项目启动前或更改后同分中心融资主管进行确认。1.5表格填写(示例如下):名称规格重量数量生产厂家凭证号单价无缝管***894.05吨*********6000元/吨板材***2419.64吨*********5000元/吨1.5.1名称要求填写押品的类别,例如:热轧卷板、镀锌板、彩涂板、角钢、H型钢、工字钢、合金板、船板、开平板等等,此名称要求与信息系统中录入的名称一致;1.5.2规格要求如下:填写具体规格型号(例:3.0*1250)1.5.3所有不填写的栏目,均用斜线(自左下角至右上角)划掉;1.6质物清单要求填写清晰,不得涂改。1.7填写完毕后,由出质企业确认后签字盖章确认。如盖法人方章的,两章不得相互重叠。1.8出质企业盖章后监管员在质物清单右下角横线上签字确认后,交由分中心融资主管统一加盖监管章,有权人签字后统一保管,月底加质物清单封面装订分档管理。2监管确认书2.1监管员根据《车辆到货交接单》每次到车验收完毕后,填写《监管确认书》。并由出质企业和监管员双方签字确认。《监管确认书》一式三份,银行、企业、监管员各一份,以此证明该批货物的质押权。2.2编码填写。监管确认书右上角编号填写11位数码(示例:20081005001),其中2008为年份,10为月份,05为日期,001为固定编码,三份监管确认书编号统一。2.3承兑汇票号。按照银行要求填写,银行不要求填写的,在填写处加“/”2.4银行名称。该项填写银行全称(示例:中信银行重庆分行),监管员需在每个项目启动前或更改后同分中心融资主管进行确认。2.5表格填写(示例如下):车辆型号车架号发动机号合格证号单价(元/辆)数量(辆)颜色外观是否良好符合入库检验HD1.6GLMT***078142***280089WAJ4702795900壹晶银良好符合1.6GLMT***680756***006789WAJ4666087300壹乌木黑良好符合2.5.1车架号、发动机号填写完整编号。2.5.2所有不填写的栏目,均用斜线(自左下角至右上角)划掉;2.6监管确认书要求填写清晰,不得涂改。2.7填写完毕后,由出质企业确认后签字盖章确认。如盖法人方章的,两章不得相互重叠。如监管确认书多页的,需要加盖骑缝章。3账本3.1扉页为了保证账本记录的全面性,明确记账标准,保证监管库存信息的完整,在账本启用时,需在账本的扉页上填列“经管人员一览表”,账本启用后应由专人负责(示例如下表):单位名称青岛中远物流仓储配送有限公司泰安融资分中心账本名称泰安市捷力物资有限公司质押物资商品保管账账本页数自第01页起至**页止共**页会计年度启用日期2007年02月18日单位主管人签章会计主管人员签章经管人员职别姓名经管或接管日期签章移交日期签章……………………监管员张舒2008年06月22日2008年10月22日监管员孙芝2008年10月22日3.2目录鉴于企业出账日期、银行押品核定价格更改等能及时体现在监管账目中,分中心定制监管账目目录插页,并将该插页粘贴于账本扉页后一页(示例如下表):泰安分中心监管实物手工账目录企业全称:泰安市捷力物资有限公司授信银行:深圳发展银行青岛分行项目启动时间:2007年02月08日序号日期2008年10月24日签字1更改内容敞口(万元)1500最底控货值(万元)2143警戒线货值(万元)2357.3单价(万元)无...

1、当您付费下载文档后,您只拥有了使用权限,并不意味着购买了版权,文档只能用于自身使用,不得用于其他商业用途(如 [转卖]进行直接盈利或[编辑后售卖]进行间接盈利)。
2、本站所有内容均由合作方或网友上传,本站不对文档的完整性、权威性及其观点立场正确性做任何保证或承诺!文档内容仅供研究参考,付费前请自行鉴别。
3、如文档内容存在违规,或者侵犯商业秘密、侵犯著作权等,请点击“违规举报”。

碎片内容

某公司供应链融资部账务管理规定

您可能关注的文档

确认删除?
VIP
微信客服
  • 扫码咨询
会员Q群
  • 会员专属群点击这里加入QQ群
客服邮箱
回到顶部