电脑桌面
添加小米粒文库到电脑桌面
安装后可以在桌面快捷访问

评估报告 Microsoft Word 文档 (2)VIP免费

评估报告 Microsoft Word 文档 (2)_第1页
1/8
评估报告 Microsoft Word 文档 (2)_第2页
2/8
评估报告 Microsoft Word 文档 (2)_第3页
3/8
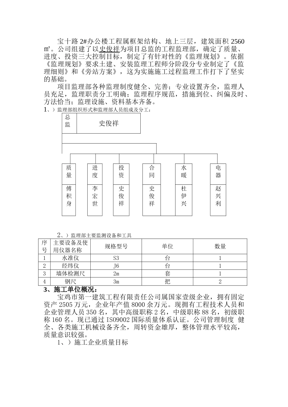
医药公司宝十路2#办公楼工程质量评估报告编制人:审核(总监):监理单位(公章):—————————编制日期:—————————一、工程建设基本概况1、工程概况及责任主体单位名称:工程简介宝十路2#办公楼工程属框架结构、地上三层(局部四层),建筑面积2560㎡。长57.26M,宽14M,高21M,层高3.1M,建筑物高度15.8m。楼内设二个楼梯。本工程抗震设防烈度为七度。本工程梁板墙柱混凝土强度等级均采用C30混凝土。本工程±0.000以下采用MU10普通粘土砖,M10水泥砂浆砌筑;±0.000以上采用MU5轻集料混凝土小型砌块,M5混合砂浆砌筑。内外墙抹灰为水泥石膏砂浆;楼地面为水泥地面(部分为全瓷地板砖)。铝合金窗、木夹板门及成品轨道推拉门,木门米黄色油漆;墙面、天棚为白色乳胶漆。屋面为4㎜厚APP防水卷材不上人平屋面。水、电、消防设施齐全。工程名称医药公司宝十路2#办公楼施工许可证宝市建施[2005]第82号建设单位宝鸡市医药总公司项目负责人刘西鹏吕春阳设计单位宝鸡土木建筑勘察设计院资质等级乙级项目负责人古丽萍勘察单位宝鸡市勘察测绘院甲级项目负责人崔卫波监理单位宝鸡市中安工程监理公司乙级总监理工程师史俊祥施工总包单位宝鸡市第一建筑工程有限责任公司壹级项目经理付都强建设地址宝十路南24#院用途办公总投资186万建筑面积2560㎡地上地下层数地上地下2560㎡0㎡3层半地下室结构类型框架基础类型独立柱基地上总高15.8m抗震等级三级是付超限高无人防等级七级开工日期计划2005.10.26竣工日期计划2006.11.06实际2006.03.15实际2006.11.30建筑结构特征地基基础C30独立柱基础外墙装饰一般抹灰,丙烯酸涂料。维护结构钢筋混凝土栏板内墙装饰一般抹灰,披腻子一道楼盖钢筋混凝土现浇板屋面防水4㎜厚SBS卷材楼地面水泥砂浆整体面层地下防水S6抗渗混凝土,柱基底及地下室外墙4mm厚SBS卷材防水层设备安装特征给排水、消防与采暖给水系统下行上给直接供给(PPR管),PVC-U排水管自流排水,散热器采暖,室内安装消防箱建筑电气三相五线(单相三线)配电,线路PVC阻燃管暗敷,接地方式TN-C-S系统通风、空调各层室内南北墙窗户上部安装换气扇。电梯无智能建筑无1、内设货运电梯一部;2、电梯间处局部四层;3、北阳台处设置给水管及盥洗池。备注2、项目监理部概况:宝十路2#办公楼工程属框架结构、地上三层,建筑面积2560㎡。公司组建了以史俊祥为项目总监的工程监理部,确定了质量、进度、投资三大控制目标,制定了有针对性的《监理规划》。依据《监理规划》要求土建、安装监理工程师分阶段分专业制定了《监理细则》和《旁站方案》,这为实施施工过程监理工作打下了坚实的基础。项目监理部各种监理制度健全、完善;专业设置齐全,监理人员充足,监理职责分工明确;监理程序规范,措施到位、纠偏及时、方法恰当;监理设施、资料基本齐备。1、)监理部组织形式和监理部人员组成及分工:总监史俊祥质量进度投资合同水暖电器傅积身李宏世史俊祥史俊祥杜伊兴赵兴利2、)监理部主要监测设备和工具序号主要设备及使用仪器名称规格型号单位数量1水准仪S3台12经纬仪J6台13墙体检测尺2m套14钢尺3m把23、施工单位概况:宝鸡市第一建筑工程有限责任公司属国家壹级企业,拥有固定资产2505万元,企业年产值8000余万元。现拥有工程技术人员和企业管理人员350名,其中高级职称2名,中级职称88名,初级职称160名。现已通过ISO9002国际质量体系认证。公司管理制度健全、各类施工机械设备齐全,周转资金雄厚,整体管理水平较高,质量意识较强。1、)施工企业质量目标项目目标质量目标进度目标投资目标合同目标安装目标安全目标合格合同工期合同造价无纠纷合格零事故2、)质保体系的组成及主要质量管理措施A.质保体系的组成:公司质保部工程负责人:付都强技术负责人:牟东忠试验员:赵晓君材料员:尹明利质检员:葛锦涛技术员:付新国工长:李昌利施工班组、班组长B.主要质量管理措施a、)建立、健全质量保证体系并使之在施工中有效运转。b、)狠抓材料供应和原材料复试工作。c、)坚持“三检”及“专职”检制度。d、)坚持技术交底,明确操作人员职责。e、)严把技术复核和隐蔽工程检查、验收。f...

1、当您付费下载文档后,您只拥有了使用权限,并不意味着购买了版权,文档只能用于自身使用,不得用于其他商业用途(如 [转卖]进行直接盈利或[编辑后售卖]进行间接盈利)。
2、本站所有内容均由合作方或网友上传,本站不对文档的完整性、权威性及其观点立场正确性做任何保证或承诺!文档内容仅供研究参考,付费前请自行鉴别。
3、如文档内容存在违规,或者侵犯商业秘密、侵犯著作权等,请点击“违规举报”。

碎片内容

评估报告 Microsoft Word 文档 (2)

确认删除?
VIP
微信客服
  • 扫码咨询
会员Q群
  • 会员专属群点击这里加入QQ群
客服邮箱
回到顶部