电脑桌面
添加小米粒文库到电脑桌面
安装后可以在桌面快捷访问

酒店层旋转楼梯间屋面高支模方案培训资料VIP免费

酒店层旋转楼梯间屋面高支模方案培训资料_第1页
1/32
酒店层旋转楼梯间屋面高支模方案培训资料_第2页
2/32
酒店层旋转楼梯间屋面高支模方案培训资料_第3页
3/32
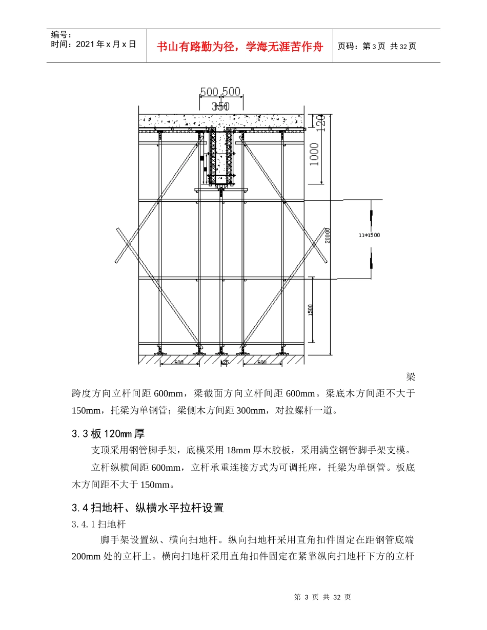
目录1编制依据...............................................................................................................................................22工程概况...............................................................................................................................................22.1建筑概况........................................................................................................................................22.2高支模概况....................................................................................................................................23模板及支顶系统设计...........................................................................................................................33.1模板支撑系统的选型....................................................................................................................33.2梁300×600MM(包括梁高750MM的梁)......................................................................................43.3梁300×900MM(包括梁高1000MM的梁)....................................................................................33.4板150MM厚......................................................................................................................................53.5扫地杆、纵横水平拉杆设置........................................................................................................63.6对顶抱柱........................................................................................................................................74施工顺序...............................................................................................................................................74.1钢管支顶施工顺序........................................................................................................................74.2主要施工方法及质量保证措施....................................................................................................74.3模板支顶安装质量保证措施........................................................................................................84.4模板拆除........................................................................................................................................95安全设施和管理措施..........................................................................................................................115.1安全设施.......................................................................................................................................115.2安全管理机构..............................................................................................................................125.3安全管理与监控..........................................................................................................................126监测方案.............................................................................................................................................146.1观测点布置..................................................................................................................................156.2观测方法......................................................................................................................................157安全应急救援预案.....................................

1、当您付费下载文档后,您只拥有了使用权限,并不意味着购买了版权,文档只能用于自身使用,不得用于其他商业用途(如 [转卖]进行直接盈利或[编辑后售卖]进行间接盈利)。
2、本站所有内容均由合作方或网友上传,本站不对文档的完整性、权威性及其观点立场正确性做任何保证或承诺!文档内容仅供研究参考,付费前请自行鉴别。
3、如文档内容存在违规,或者侵犯商业秘密、侵犯著作权等,请点击“违规举报”。

碎片内容

酒店层旋转楼梯间屋面高支模方案培训资料

您可能关注的文档

确认删除?
VIP
微信客服
  • 扫码咨询
会员Q群
  • 会员专属群点击这里加入QQ群
客服邮箱
回到顶部