电脑桌面
添加小米粒文库到电脑桌面
安装后可以在桌面快捷访问

机械加工技术综合实习教学大纲VIP免费

机械加工技术综合实习教学大纲_第1页
1/7
机械加工技术综合实习教学大纲_第2页
2/7
机械加工技术综合实习教学大纲_第3页
3/7
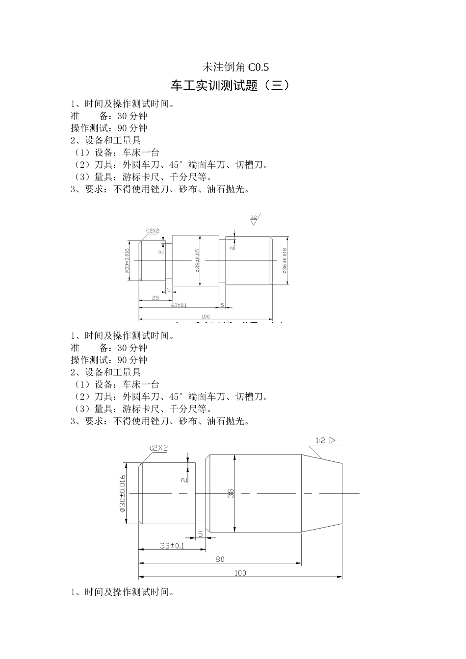
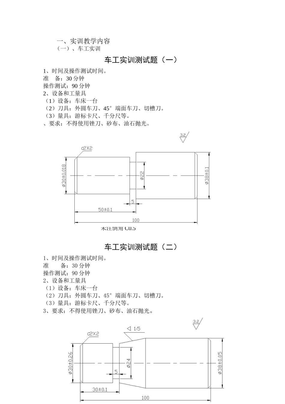
机械加工技术综合实习教学大纲适用专业:机电一体化专业适用层次:高职三年制学生课程性质:专业课课程编号:执笔人:杨国先审定人:说明部分一、前言:机械加工技术是机电一体化专业的主导专业课程。它主要包括机械加工技术理论基础、机械加工工艺装备和典型零件加工及装配三大块内容。它紧密联系实际,突出课程的技术性和实践性。本实习教学大纲是针对课程的技术性和实践性,对学生进行机械加工和工艺规程编制两实训内容而制订的。机械加工技术综合实习教学大纲实训教学大纲是根据机电一体化技术专业2006年6月新修订的教学计划编写而成的教学文件,它以纲要的形式制定了本课程的性质,目的和任务,教学要求和技能训练要求等内容,同时指明了教学中应该注意的问题,是组织该课程教学的指导性教学文件。二、课程的性质、目的和任务:(一)课程性质机械加工技术课程属于机电一体化专业的一门主干专业课,是一门重要的必修课程。又是后继课程设计、毕业设计及毕业后技术工作的重要基础。(二)实训目的结合课程内容,通过实习使学生对一些典型零件的机械加工能初步学会机械零件车削加工的方法、能理解影响加工精度和表面质量的工艺因素、掌握提高加工精度和加工效率的方法、能掌握机械加工常用计量器具的使用;会对具体零件进行工艺规程的编制,使学生基本具备机械加工的基本技能。(三)实训任务1、在老师的指导下,对车工实训题库中的任选一题进行工艺规程的编制2、,学生按自己编制的工艺规程,并结合图纸要求对零件进行加工,并选用合适的检验器具对产品进行检查。三、先修课程:《机械制图》、《公差与配合》、《机械基础》、《金属切削机床》。四、教学中需注意的问题:(一)体现专业特色,选题能贴近学生实际水平;(二)重视学生的协同学习能力的开发,鼓励学生相互之间讨论;(三)及时收集学生作品,并不定期展览,以提高学生学习积极性。文本部分一、实训教学内容(一)、车工实训车工实训测试题(一)1、时间及操作测试时间。准备:30分钟操作测试:90分钟2、设备和工量具(1)设备:车床一台(2)刀具:外圆车刀、45°端面车刀、切槽刀。(3)量具:游标卡尺、千分尺等。、要求:不得使用锉刀、砂布、油石抛光。未注倒角C0.5车工实训测试题(二)1、时间及操作测试时间。准备:30分钟操作测试:90分钟2、设备和工量具(1)设备:车床一台(2)刀具:外圆车刀、45°端面车刀、切槽刀。(3)量具:游标卡尺、千分尺等。3、要求:不得使用锉刀、砂布、油石抛光。未注倒角C0.5车工实训测试题(三)1、时间及操作测试时间。准备:30分钟操作测试:90分钟2、设备和工量具(1)设备:车床一台(2)刀具:外圆车刀、45°端面车刀、切槽刀。(3)量具:游标卡尺、千分尺等。3、要求:不得使用锉刀、砂布、油石抛光。未注倒角C0.5车工实训测试题(四)1、时间及操作测试时间。准备:30分钟操作测试:90分钟2、设备和工量具(1)设备:车床一台(2)刀具:外圆车刀、45°端面车刀、切槽刀。(3)量具:游标卡尺、千分尺等。3、要求:不得使用锉刀、砂布、油石抛光。未注倒角C0.5车工实训测试题(五)1、时间及操作测试时间。准备:30分钟操作测试:90分钟2、设备和工量具(1)设备:车床一台(2)刀具:外圆车刀、45°端面车刀、切槽刀。(3)量具:游标卡尺、千分尺等。3、要求:不得使用锉刀、砂布、油石抛光。未注倒角C0.5(二)、工艺规程编制选取机加工试题中任一题编制工艺规程,具体内容有:1、毛坏的选取2、工件定位及定位基准的选取3、工艺路线的拟定4、加工余量的确定5、工序尺寸及公差的确定6、机床、工艺装备等的选取6、工艺规程的编制二、技能训练要求(一)、在教师指导下对题库中任选一零件制定加工工艺路线(二)、对各工序制订合理的加工工序内容并合理选择机床和刀具(三)、填写工艺卡片(四)、每个学生在老师的指导下按所编工艺文件和图纸单独加工出符合图纸要求的零件。(五)、利用常用计量器具对加工零件进行检查。三、教学方法和手段及建议(一)充分利用一体化教学条件,演示与指导相结合,及时指导并纠正学生实训中的错误和不良习惯,培养学生的精益求...

1、当您付费下载文档后,您只拥有了使用权限,并不意味着购买了版权,文档只能用于自身使用,不得用于其他商业用途(如 [转卖]进行直接盈利或[编辑后售卖]进行间接盈利)。
2、本站所有内容均由合作方或网友上传,本站不对文档的完整性、权威性及其观点立场正确性做任何保证或承诺!文档内容仅供研究参考,付费前请自行鉴别。
3、如文档内容存在违规,或者侵犯商业秘密、侵犯著作权等,请点击“违规举报”。

碎片内容

机械加工技术综合实习教学大纲

您可能关注的文档

确认删除?
VIP
微信客服
  • 扫码咨询
会员Q群
  • 会员专属群点击这里加入QQ群
客服邮箱
回到顶部