电脑桌面
添加小米粒文库到电脑桌面
安装后可以在桌面快捷访问

配筋砌体工程检验批质量验收记录VIP免费

配筋砌体工程检验批质量验收记录_第1页
1/3
配筋砌体工程检验批质量验收记录_第2页
2/3
配筋砌体工程检验批质量验收记录_第3页
3/3
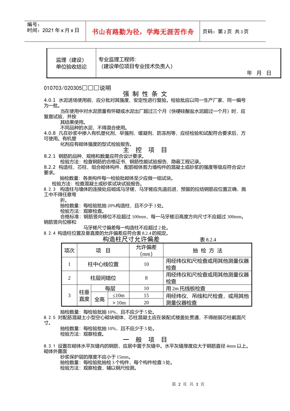
第1页共3页编号:时间:2021年x月x日书山有路勤为径,学海无涯苦作舟页码:第1页共3页配筋砌体工程检验批质量验收记录(GB50203-2002)表8.0编号:010703/020305□□□工程名称分项工程名称项目经理施工单位验收部位施工执行标准名称及编号专业工长(施工员)分包单位分包项目经理施工班组长质量验收规范的规定施工单位自检记录监理(建设)单位验收记录主控项目1钢筋品种规格数量合格证书、钢筋性能试验报告。2混凝土强度等级设计要求C3砂浆强度M=4块材强度5马牙槎拉结筋8.2.3条6芯柱贯通截面不削弱7柱中心线位置≤10mm8柱层间错位≤8mm9柱垂直度每层≤10mm全高(≤10m)≤15mm全高(>10m)≤20mm一般项目1水平灰缝钢筋8.3.1条2钢筋防锈8.3.2条3网状配筋及位置8.3.3条4组合砌体拉结筋8.3.4条5砌块砌体钢筋搭接8.3.5条施工操作依据质量检查记录施工单位检查结果评定项目专业项目专业质量检查员:技术负责人:年月日第2页共3页第1页共3页编号:时间:2021年x月x日书山有路勤为径,学海无涯苦作舟页码:第2页共3页监理(建设)单位验收结论专业监理工程师:(建设单位项目专业技术负责人)年月日010703/020305□□□说明强制性条文4.0.1水泥进场使用前,应分批对其强度、安定性进行复验。检验批应以同一生产厂家、同一编号为一批。当在使用中对水泥质量有怀疑或水泥出厂超过三个月(快硬硅酸盐水泥超过一个月)时,应复查试验,并按其结果使用。不同品种的水泥,不得混合使用。4.0.8凡在砂浆中掺入有机塑化剂、早强剂、缓凝剂、防冻剂等,应经检验和试配符合要求后,方可使用。有机塑化剂应有砌体强度的型式检验报告。主控项目8.2.1钢筋的品种、规格和数量应符合设计要求。检验方法:检查钢筋的合格证书、钢筋性能试验报告、隐蔽工程记录。8.2.2构造柱、芯柱、组合砌体构件、配筋砌体剪力墙构件的混凝土或砂浆的强度等级应符合设计要求。抽检数量:各类构件每一检验批砌体至少应做一组试块。检验方法:检查混凝土或砂浆试块试验报告。8.2.3构造柱与墙体的连接处应砌成马牙槎,马牙槎应先退后进,预留的拉结钢筋应位置正确,施工中不得任意弯折。抽检数量:每检验批抽20%构造柱,且不少于3处。检验方法:观察检查。合格标准:钢筋竖向移位不应超过100mm,每一马牙槎沿高度方向尺寸不应超过300mm。钢筋竖向位移和马牙槎尺寸偏差每一构造柱不应超过2处。8.2.4构造柱位置及垂直度的允许偏差应符合表8.2.4的规定。构造柱尺寸允许偏差表8.2.4项次项目允许偏差(mm)抽检方法1柱中心线位置10用经纬仪和尺检查或用其他测量仪器检查2柱层间错位8用经纬仪和尺检查或用其他测量仪器检查3柱垂直度每层10用2m托线板检查全高≤10m15用经纬仪、吊线和尺检查,或用其他测量仪器检查>10m20抽检数量:每检验批抽10%,且不应少于5处。8.2.5对配筋混凝土小型空心砌块砌体,芯柱混凝土应在装配式楼盖处贯通,不得削弱芯柱截面尺寸。抽检数量:每检验批抽10%,且不应少于5处。检验方法:观察检查。一般项目8.3.1设置在砌体水平灰缝内的钢筋,应居中置于灰缝中。水平灰缝厚度应大于钢筋直径4mm以上。砌体外露面砂浆保护层的厚度不应小于15mm。抽检数量:每检验批抽检3个构件,每个构件检查3处。检验方法:观察检查,辅以钢尺检测。第3页共3页第2页共3页编号:时间:2021年x月x日书山有路勤为径,学海无涯苦作舟页码:第3页共3页8.3.2设置在砌体灰缝内的钢筋的防腐保护应符合本规范第3.0.11条的规定。抽验数量:每检验批抽检10%的钢筋。检验方法:观察检查。合格标准:防腐涂料无漏刷(喷浸),无起皮脱落现象。8.3.3网状配筋砌体中,钢筋网及放置间距应符合设计规定。抽检数量:每检验批抽10%,且不应少于5处。检验方法:钢筋规格检查钢筋网成品,钢筋网放置间距局部剔缝观察,或用探针刺入灰缝内检查,或用钢筋位置测定仪测定。合格标准:钢筋网沿砌体高度位置超过设计规定一皮砖厚不得多于1处。8.3.4组合砖砌体构件,竖向受力钢筋保护层应符合设计要求,距砖砌体表面距离不应小于5mm:拉结筋两端应设弯构,拉结筋及箍筋的位置应正确。抽检数量:每检验批抽检10%,且不应少于5处。检验方法:支摸前观察与尺量检查。...

1、当您付费下载文档后,您只拥有了使用权限,并不意味着购买了版权,文档只能用于自身使用,不得用于其他商业用途(如 [转卖]进行直接盈利或[编辑后售卖]进行间接盈利)。
2、本站所有内容均由合作方或网友上传,本站不对文档的完整性、权威性及其观点立场正确性做任何保证或承诺!文档内容仅供研究参考,付费前请自行鉴别。
3、如文档内容存在违规,或者侵犯商业秘密、侵犯著作权等,请点击“违规举报”。

碎片内容

配筋砌体工程检验批质量验收记录

精品中小学资料+ 关注
实名认证
内容提供者

精品文档

确认删除?
VIP
微信客服
  • 扫码咨询
会员Q群
  • 会员专属群点击这里加入QQ群
客服邮箱
回到顶部