电脑桌面
添加小米粒文库到电脑桌面
安装后可以在桌面快捷访问

电力电子技术实验指导书VIP免费

电力电子技术实验指导书_第1页
1/9
电力电子技术实验指导书_第2页
2/9
电力电子技术实验指导书_第3页
3/9
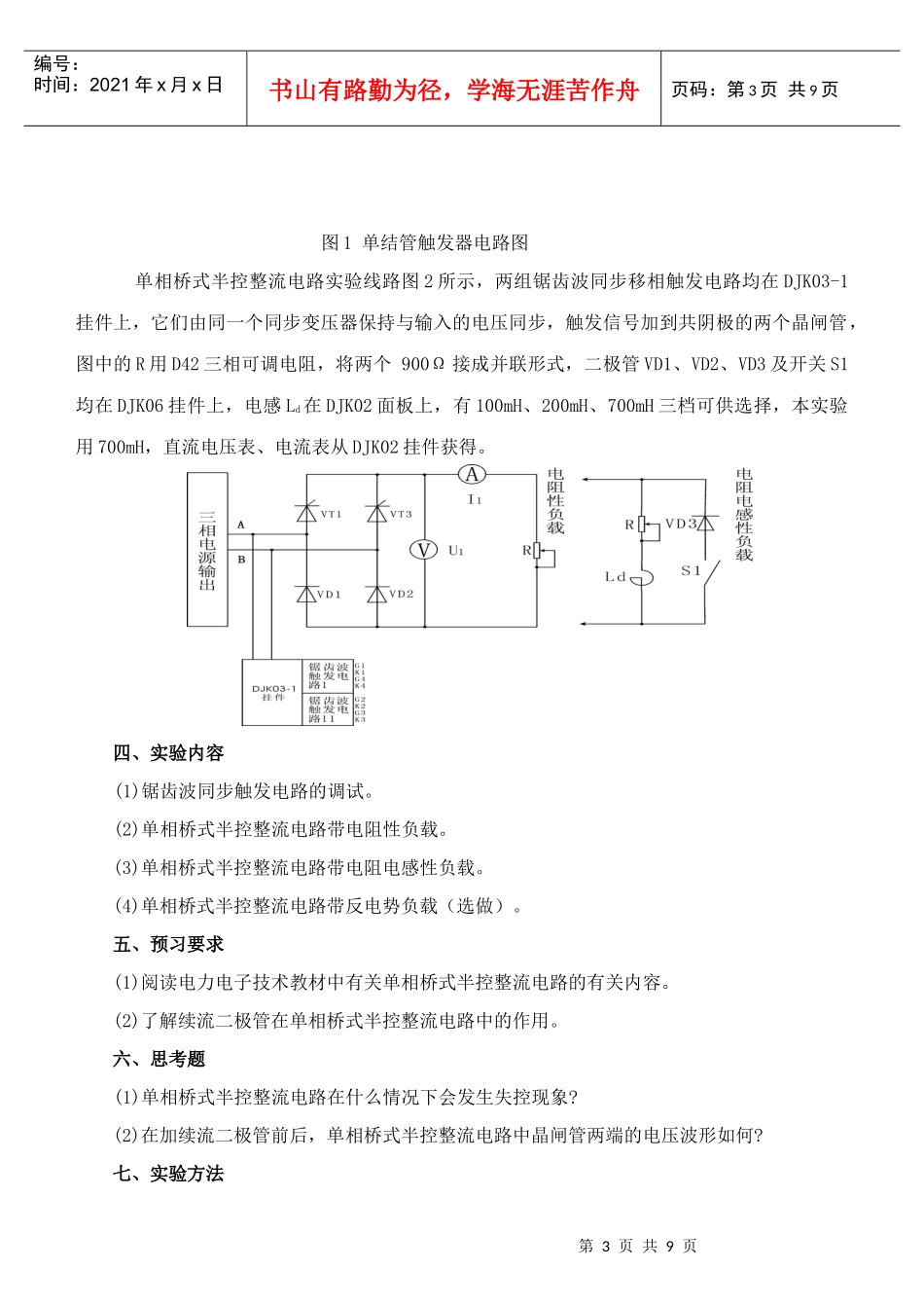
第1页共9页编号:时间:2021年x月x日书山有路勤为径,学海无涯苦作舟页码:第1页共9页合肥经济技术职业学院《电力电子技术》实验指导书第2页共9页第1页共9页编号:时间:2021年x月x日书山有路勤为径,学海无涯苦作舟页码:第2页共9页电子信息系唐家运编实验一单结管触发器与单相桥式半控整流电路实验一、实验目的(1)熟悉单结管触发器电路中各元件的作用(2)加深对单相桥式半控整流电路带电阻性、电阻电感性负载时各工作情况的理解。(3)了解续流二极管在单相桥式半控整流电路中的作用,学会对实验中问题加以分析和解决。二、实验所需挂件及附件序号型号备注1DJK01电源控制屏该控制屏包含“三相电源输出”,“励磁电源”等几个模块。2DJK02晶闸管主电路该挂件包含“晶闸管”以及“电感”等几个模块。3DJK03-1晶闸管触发电路该挂件包含“锯齿波同步触发电路”模块。4DJK06给定及实验器件该挂件包含“二极管”等几个模块。5D42三相可调电阻6双踪示波器自备7万用表自备三、实验线路及原理如图1所示,为单结管触发器电路图。是分析各部分的作用及工作原理。第3页共9页第2页共9页编号:时间:2021年x月x日书山有路勤为径,学海无涯苦作舟页码:第3页共9页图1单结管触发器电路图单相桥式半控整流电路实验线路图2所示,两组锯齿波同步移相触发电路均在DJK03-1挂件上,它们由同一个同步变压器保持与输入的电压同步,触发信号加到共阴极的两个晶闸管,图中的R用D42三相可调电阻,将两个900Ω接成并联形式,二极管VD1、VD2、VD3及开关S1均在DJK06挂件上,电感Ld在DJK02面板上,有100mH、200mH、700mH三档可供选择,本实验用700mH,直流电压表、电流表从DJK02挂件获得。图2单相桥式半控整流电路实验线路图四、实验内容(1)锯齿波同步触发电路的调试。(2)单相桥式半控整流电路带电阻性负载。(3)单相桥式半控整流电路带电阻电感性负载。(4)单相桥式半控整流电路带反电势负载(选做)。五、预习要求(1)阅读电力电子技术教材中有关单相桥式半控整流电路的有关内容。(2)了解续流二极管在单相桥式半控整流电路中的作用。六、思考题(1)单相桥式半控整流电路在什么情况下会发生失控现象?(2)在加续流二极管前后,单相桥式半控整流电路中晶闸管两端的电压波形如何?七、实验方法第4页共9页第3页共9页编号:时间:2021年x月x日书山有路勤为径,学海无涯苦作舟页码:第4页共9页(1)将DJK01电源控制屏的电源选择开关打到“直流调速”侧使输出线电压为200V,用两根导线将200V交流电压接到DJK03-1的“外接220V”端,按下“启动”按钮,打开DJK03-1电源开关,用双踪示波器观察“锯齿波同步触发电路”各观察孔的波形。(2)锯齿波同步移相触发电路调试:其调试方法与实验三相同。令Uct=0时(RP2电位器顺时针转到底)α=170o。(3)单相桥式半控整流电路带电阻性负载:按原理图5-1接线,主电路接可调电阻R,将电阻器调到最大阻值位置,按下“启动”按钮,用示波器观察负载电压Ud、晶闸管两端电压UVT和整流二极管两端电压UVD1的波形,调节锯齿波同步移相触发电路上的移相控制电位器RP2,观察并记录在不同α角时Ud、UVT、UVD1的波形,测量相应电源电压U2和负载电压Ud的数值,记录于下表中。α30°60°90°120°150°U2Ud(记录值)Ud/U2Ud(计算值)计算公式:Ud=0.9U2(1+cosα)/2(4)单相桥式半控整流电路带电阻电感性负载①断开主电路后,将负载换成将平波电抗器Ld(70OmH)与电阻R串联。②不接续流二极管VD3,接通主电路,用示波器观察不同控制角α时Ud、UVT、UVD1、Id的波形,并测定相应的U2、Ud数值,记录于下表中:α30°60°90°U2Ud(记录值)Ud/U2Ud(计算值)第5页共9页第4页共9页编号:时间:2021年x月x日书山有路勤为径,学海无涯苦作舟页码:第5页共9页③在α=60°时,移去触发脉冲(将锯齿波同步触发电路上的“G3”或“K3”拔掉),观察并记录移去脉冲前、后Ud、UVT1、UVT3、UVD1、UVD2、Id的波形。④接上续流二极管VD3,接通主电路,观察不同控制角α时Ud、UVD3、Id的波形,并测定相应的U2、Ud数值,记录于下表中:α30°60°90°U2Ud(记录值)Ud/U2Ud(计算值)⑤在接有续流二极管VD3及α=60°时,移去触发脉冲(将锯齿波同步...

1、当您付费下载文档后,您只拥有了使用权限,并不意味着购买了版权,文档只能用于自身使用,不得用于其他商业用途(如 [转卖]进行直接盈利或[编辑后售卖]进行间接盈利)。
2、本站所有内容均由合作方或网友上传,本站不对文档的完整性、权威性及其观点立场正确性做任何保证或承诺!文档内容仅供研究参考,付费前请自行鉴别。
3、如文档内容存在违规,或者侵犯商业秘密、侵犯著作权等,请点击“违规举报”。

碎片内容

电力电子技术实验指导书

精品中小学资料+ 关注
实名认证
内容提供者

精品文档

确认删除?
VIP
微信客服
  • 扫码咨询
会员Q群
  • 会员专属群点击这里加入QQ群
客服邮箱
回到顶部