电脑桌面
添加小米粒文库到电脑桌面
安装后可以在桌面快捷访问

煤矿防治水工作目标责任表VIP免费

煤矿防治水工作目标责任表_第1页
1/13
煤矿防治水工作目标责任表_第2页
2/13
煤矿防治水工作目标责任表_第3页
3/13
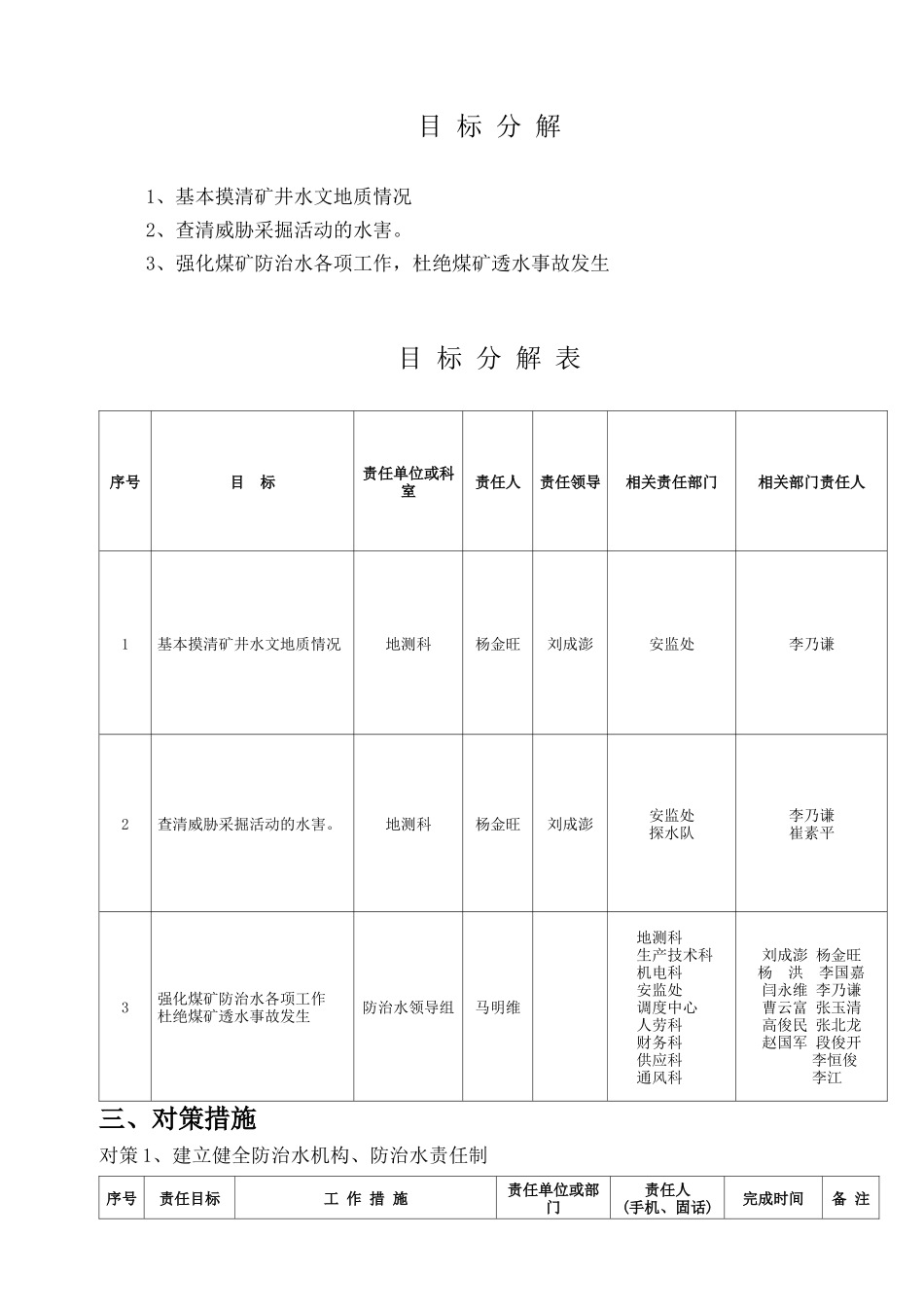
古交铂龙煤业有限公司2013年防治水工作目标煤矿基本情况和水文地质情况形势分析一、基本概况本矿属兼并重组整合建设矿井,井田面积5.986km2,兼并重组中整合了4座煤矿,批采02#、2#、4#、8#、9#煤层,设计开采5层煤层,首采工作面布置在8#煤层,首采区域全部带压。矿井保有储量5441万吨,设计可采储量2914万吨,设计生产能力1200kt/a。井田奥灰水位标高960m,在井田西南部高于各煤层底板标高。经计算井田各煤层在带压开采范围内奥灰水最大突水系数为0.042MPa/m,小于受构造破坏块段临界突水系数值0.06MPa/m,,各煤层最小隔水层厚度67.10m,各煤层底板隔水层最大承压值为2.21MPa。现主水泵房、8#皮带运输巷开拓采用临时排水系统,正常排水能力50m3/h,能完全满足井巷开拓排水的要求。首采工作面上覆02#、2#煤层有采空区积水,井田中北部有小窑(古空)积水,相邻矿井有采空水,水文地质类型中等。二、水情分析(一)地表水:矿井各井口标高均高于屯兰河历年最高洪水位线,井田内有季节性河流通过,地表未发现塌陷和裂缝带,地形高差大,因此降水及地表水对矿井影响不大。(二)含水层:1.二叠系砂岩裂隙含水层。该含水层富水性弱,对煤层开采影响较小;2.石炭系太原组灰岩砂岩岩溶裂隙含水层。该含水层富水性弱,对煤层开采有一定影响;3.奥陶系灰岩含水层。该含水层为承压含水层,富水性中等,井田内各煤层均不同程度带压,但突水可能性较小。(三)采空区积水(含小窑水和老空水):主矿采空区范围、积水范围、面积、积水量、水位标高基本清楚;整合的3座小煤矿的积水情况掌握基本清楚;矿区周边的5座煤矿积水情况基本清楚。这些水体对8#、9#煤层开采有一定影响。三、本矿水害防治重点(一)02#、2#煤层采空区积水。(二)对隐伏陷落柱、断裂构造导水性的探查。(三)周边矿井采空积水。(四)奥灰承压含水层水基本方针牢固树立“科学发展、安全发展”理念,坚决贯彻“安全第一、预防为主、综合治理”的煤矿安全生产方针,坚持“预测预报、有掘必探、有采必探、先探后掘、先治后采”的防治水原则,严格执行《煤矿防治水规定》,落实“防、堵、疏、排、截”综合治理措施,坚决杜绝煤矿透水事故的发生。工作目标摸清矿区水文地质情况,查清威胁采掘活动的水害,强化煤矿防治水各项工作,杜绝煤矿透水事故发生。对策1、进一步摸清矿区范围水文地质情况及加强对井田老空水、采空水及周边小窑水动态情况的监测2、严格执行物探先行、钻探验证、化探跟进,查清威胁采掘活动的水害3、严格探、掘(主体)分离管理,加强现场管理4、继续健全和落实各项防治水管理制度5、防治水基础管理工作进一步到位6、建立可靠的矿井防排水系统7、加强矿井水害隐患排查及治理工作8、加强煤矿职工防治水全员培训工作9、编制并执行《矿井水害应急预案》和《现场处置方案》保障措施保障措施1、加强领导,落实责任,建立健全防治水工作体系;2、坚持“预测预报、有掘必探、有采必探、先探后掘、先治后采”的防治水原则”,执行“物探先行、钻探验证、化探跟进”的综合探测程序;3、严格落实《煤矿防治水规定》,强化现场管理。一、煤矿水文地质形势分析煤矿基本情况和水文地质情况表矿井类型及开采方式建设/综采涌(排)水量最大涌水量4m3/h采空区范围、积水量矿区范围内老空水积水面积:144269m2积水量:50300m3兼并重组类型整合正常涌水量2m3/h生产能力(建设规模)120万吨/年排水系统排水能力1000m3/d小窑水积水面积:222708m2积水量:103200m3水文地质类型中等煤层证载煤层02#、2#、4#、8#、9#隔水层厚度(m)02#176.27m2#162.65m4#158.65m8#82.13m9#67.10m设计开采煤层02#、2#、4#、8#、9#采空水积水面积:467005m2积水量:217900m3各煤层底板最低标高(m)02#892m2#878.30m4#870.80m8#795.13m9#780m设计首采煤层8#井田内奥灰水位标高(主要含水层)(m)960m构造断层及导水情况共16条断层,1条逆断层,15条正断层F78断层落差8-100m,走向长度100m;F77断层落差35-65m,走向长度2150m。断层导水情况:不导水或弱导水。矿区周边老空水积水面积:464924m2积水量:341400m3带压开采范围9#煤层:2.2km28#煤层:...

1、当您付费下载文档后,您只拥有了使用权限,并不意味着购买了版权,文档只能用于自身使用,不得用于其他商业用途(如 [转卖]进行直接盈利或[编辑后售卖]进行间接盈利)。
2、本站所有内容均由合作方或网友上传,本站不对文档的完整性、权威性及其观点立场正确性做任何保证或承诺!文档内容仅供研究参考,付费前请自行鉴别。
3、如文档内容存在违规,或者侵犯商业秘密、侵犯著作权等,请点击“违规举报”。

碎片内容

煤矿防治水工作目标责任表

确认删除?
VIP
微信客服
  • 扫码咨询
会员Q群
  • 会员专属群点击这里加入QQ群
客服邮箱
回到顶部