电脑桌面
添加小米粒文库到电脑桌面
安装后可以在桌面快捷访问

综合接地电缆技术规格书VIP免费

综合接地电缆技术规格书_第1页
1/6
综合接地电缆技术规格书_第2页
2/6
综合接地电缆技术规格书_第3页
3/6
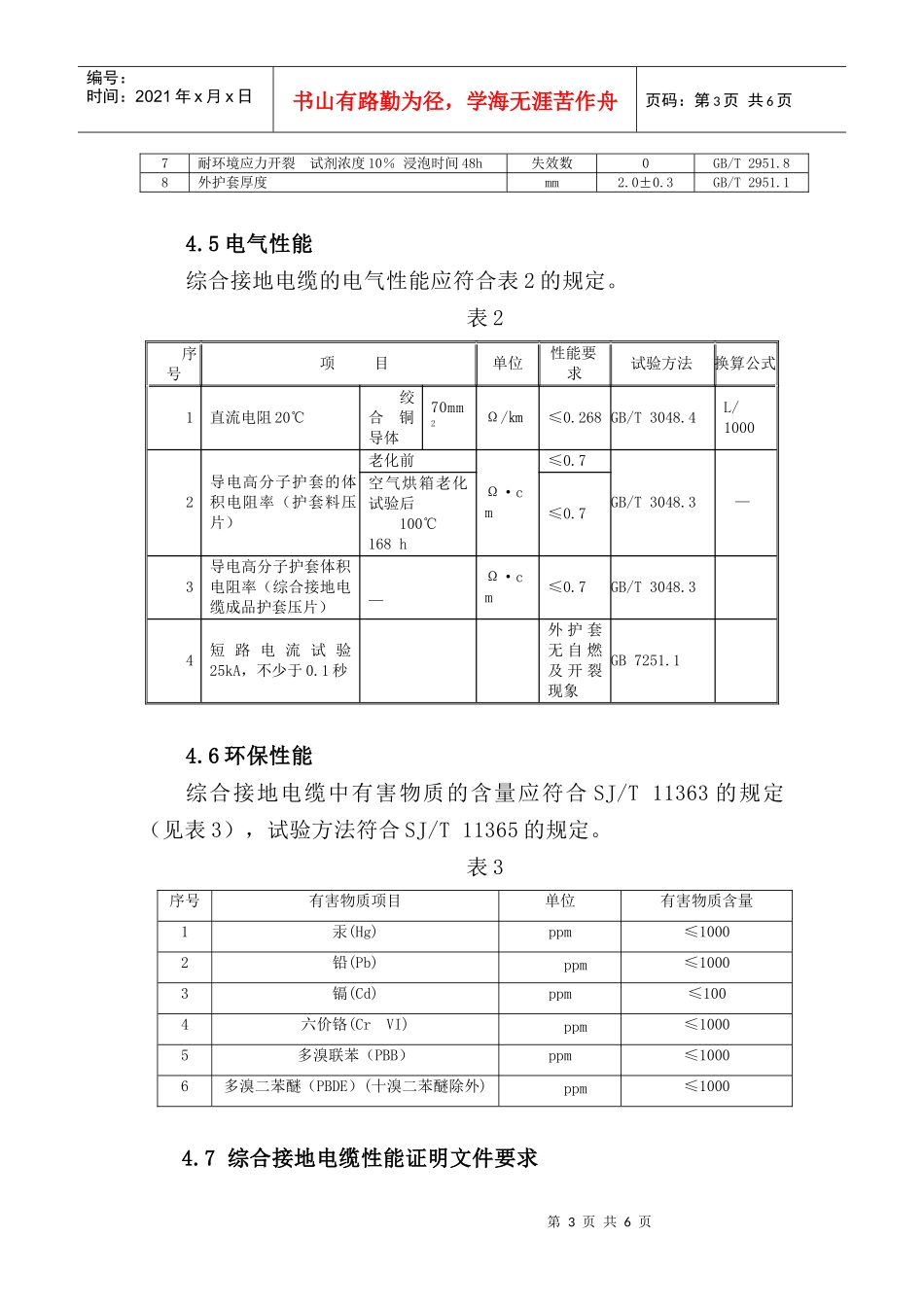
第1页共6页编号:时间:2021年x月x日书山有路勤为径,学海无涯苦作舟页码:第1页共6页综合接地电缆技术规格书1.适用范围本技术规格书适用于客运专线/高速铁路综合接地系统所用导电高分子护套综合接地电缆。2.总则2.1标有“*”号的条款或“*”号条款中的任意一项不满足或未提供招标文件要求的技术资料和证明材料等将导致废标。2.2综合接地电缆应满足铁道部有关标准、原则及技术条件。*2.3除4.3条外,综合接地器材必须通过铁道部产品质量监督检验中心(以下简称:质检中心)的质量检验,并提供相关检验报告。2.4在工程实施阶段,若铁道部颁布新的实施办法或技术条件,则执行新的实施办法或技术条件,投标人应承诺给予相应的技术支持。*2.5投标人应承诺无条件接受招标人对综合接地器材的质量检验要求(见5.出厂质量抽检)。同时,投标人的投标报价应被认为包含了综合接地器材的出厂质量抽样检验费。3.使用特性3.1经长期埋设,综合接地电缆的外护套仍应具有良好的导电性能。*3.2综合接地电缆的使用环境温度应满足-40℃~+60℃、导体长期工作温度不超过70℃的要求,敷设时的环境温度不低于-10℃;综合接地电缆必须有良好的机械性能,允许弯曲半径不小于于其外径的15倍。3.3综合接地电缆地下接续处的防腐性能不应小于综合接地电第2页共6页第1页共6页规格:1×70外护套绞合铜导体(70mm2)图.1编号:时间:2021年x月x日书山有路勤为径,学海无涯苦作舟页码:第2页共6页缆本身。*3.4综合接地电缆接续和“T”形引接时所用压接钳的压接力应不小于12t,并且必须具有压接力未达到12t时不能自行解锁的功能。*4.综合接地电缆的技术要求4.1综合接地电缆中的铜导线采用GB/T3953规定的TR型软圆铜线,其电阻率不大于0.017241Ω.mm2/m(20℃)。4.2综合接地电缆中的绞合铜导体截面为由物资描述表对应的规格型号确定。4.3综合接地电缆的外护套由导电高分子材料制造,综合接地电缆的结构见图1所示。投标人应提供国家权威机构出具的产品短路电流试验报告并明确说明综合接地电缆的防腐机理和性能。4.4护套机械物理性能导电高分子护套的机械物理性能和结构尺寸应符合表1的规定。表1序号项目单位性能要求试验方法1抗张强度(中值)Mpa≥10.0GB/T2951.12断裂伸长率(中值)%≥250GB/T2951.13空气烘箱老化试验100℃±2℃168h抗张强度变化率断裂伸长率变化率%≤±25≤±25GB/T2951.14邵氏硬度(综合接地电缆成品护套压片)—≥90HAGB/T24115冲击脆化温度-40℃±2℃3min失效数≤15GB/T54706热收缩率100℃±2℃4h循环5次%≤5GB/T2951.3第3页共6页第2页共6页编号:时间:2021年x月x日书山有路勤为径,学海无涯苦作舟页码:第3页共6页7耐环境应力开裂试剂浓度10%浸泡时间48h失效数0GB/T2951.88外护套厚度mm2.0±0.3GB/T2951.14.5电气性能综合接地电缆的电气性能应符合表2的规定。表2序号项目单位性能要求试验方法换算公式1直流电阻20℃绞合铜导体70mm2Ω/㎞≤0.268GB/T3048.4L/10002导电高分子护套的体积电阻率(护套料压片)老化前Ω·cm≤0.7GB/T3048.3—空气烘箱老化试验后100℃168h≤0.73导电高分子护套体积电阻率(综合接地电缆成品护套压片)—Ω·cm≤0.7GB/T3048.34短路电流试验25kA,不少于0.1秒外护套无自燃及开裂现象GB7251.14.6环保性能综合接地电缆中有害物质的含量应符合SJ/T11363的规定(见表3),试验方法符合SJ/T11365的规定。表3序号有害物质项目单位有害物质含量1汞(Hg)ppm≤10002铅(Pb)ppm≤10003镉(Cd)ppm≤1004六价铬(CrVI)ppm≤10005多溴联苯(PBB)ppm≤10006多溴二苯醚(PBDE)(十溴二苯醚除外)ppm≤10004.7综合接地电缆性能证明文件要求第4页共6页第3页共6页编号:时间:2021年x月x日书山有路勤为径,学海无涯苦作舟页码:第4页共6页*4.7.1投标人应提供质检中心出具的发往客运专线建设工地的导电高分子护套综合接地电缆成品出厂抽样检验报告。4.7.2不接收检验日期在本技术规格书发出之日后的综合接地电缆性能证明文件。4.8交货长度4.8.1整盘综合接地电缆的长度应不小于2km,中间无接头。250m以下的短段综合接地电缆交货长度不超过总交货长度的5%。长度计量误差应不超过±0.5%。4.8...

1、当您付费下载文档后,您只拥有了使用权限,并不意味着购买了版权,文档只能用于自身使用,不得用于其他商业用途(如 [转卖]进行直接盈利或[编辑后售卖]进行间接盈利)。
2、本站所有内容均由合作方或网友上传,本站不对文档的完整性、权威性及其观点立场正确性做任何保证或承诺!文档内容仅供研究参考,付费前请自行鉴别。
3、如文档内容存在违规,或者侵犯商业秘密、侵犯著作权等,请点击“违规举报”。

碎片内容

综合接地电缆技术规格书

您可能关注的文档

确认删除?
VIP
微信客服
  • 扫码咨询
会员Q群
  • 会员专属群点击这里加入QQ群
客服邮箱
回到顶部