电脑桌面
添加小米粒文库到电脑桌面
安装后可以在桌面快捷访问

电缆接线施工工艺示范卡VIP免费

电缆接线施工工艺示范卡_第1页
1/6
电缆接线施工工艺示范卡_第2页
2/6
电缆接线施工工艺示范卡_第3页
3/6
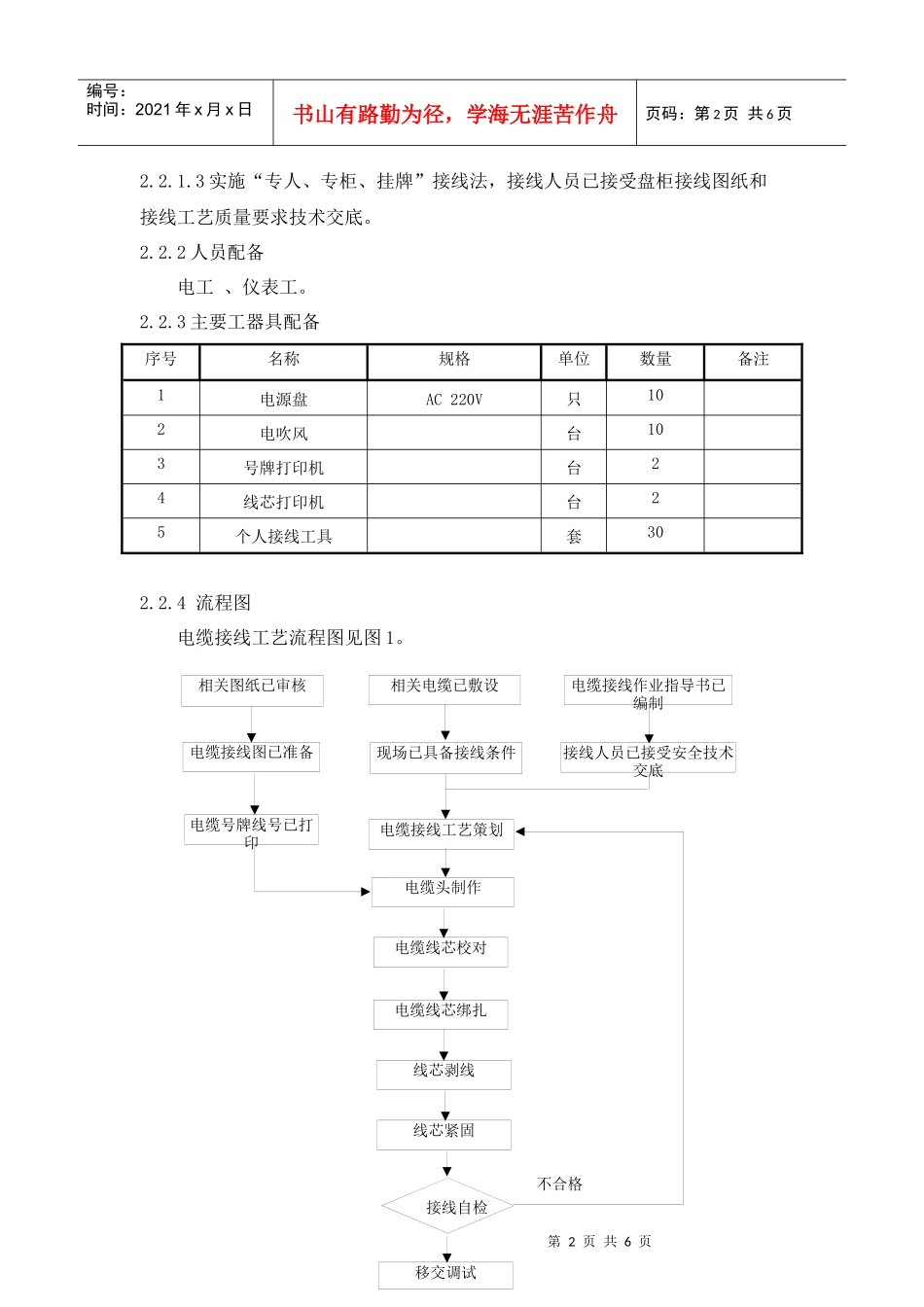
第1页共6页编号:时间:2021年x月x日书山有路勤为径,学海无涯苦作舟页码:第1页共6页电缆二次接线施工工艺示范卡1.总体要求1.1编制目的为保证国电浙江北仑第三发电有限公司2×1000MW机组,电缆二次接线的施工质量,促进工程施工技术水平的提高,确保机组安全运行,制定本工艺示范卡。1.2适用范围本工艺示范卡适用于国电浙江北仑第三发电有限公司2×1000MW机组,全厂控制、信号电缆二次接线的施工工艺要求,适用于控制室、电子间盘柜控制信号电缆的接线;各配电室配电盘柜、就地控制箱、端子箱、接线盒等控制、信号电缆接线的工艺要求参照执行。2.电缆二次接线施工要点控制及说明2.1主要工艺要求电缆接线应按设计施工图、厂家图纸进行施工,施工应符合DL/T5161.8-2002《电气装置安装工程工质量检验及评定规程》第8部分箱、盘、柜及二次回路接线施工质量检验、GB/50171—92《电气装置安装工程盘,柜及二及回路接线施工及验收规范》、DL/T5190.5-2004《电力建设施工及验收技术规范》第5部分:热工自动化、《火电施工质量检验及评定标准》(热工仪表及控制装置)能源部1998版、《工程建设标准强制性条文》(电力工程部分)(2006年版)等相关章节的内容要求。2.2电缆二次接线工艺的流程及说明2.2.1施工前准备2.2.1.1接线人员须经培训,考试合格后方可上岗。2.2.1.2确认是否已具备接线条件,实地验证盘柜设备是否安装完毕、电缆是否到位、照明设施是否齐全、接线场地是否整洁、宽敞。第2页共6页第1页共6页电缆接线作业指导书已编制电缆接线工艺策划不合格线芯剥线线芯紧固移交调试接线自检电缆头制作电缆线芯校对电缆线芯绑扎接线人员已接受安全技术交底相关电缆已敷设现场已具备接线条件电缆接线图已准备电缆号牌线号已打印相关图纸已审核编号:时间:2021年x月x日书山有路勤为径,学海无涯苦作舟页码:第2页共6页2.2.1.3实施“专人、专柜、挂牌”接线法,接线人员已接受盘柜接线图纸和接线工艺质量要求技术交底。2.2.2人员配备电工、仪表工。2.2.3主要工器具配备序号名称规格单位数量备注1电源盘AC220V只102电吹风台103号牌打印机台24线芯打印机台25个人接线工具套302.2.4流程图电缆接线工艺流程图见图1。第3页共6页第2页共6页编号:时间:2021年x月x日书山有路勤为径,学海无涯苦作舟页码:第3页共6页图1电缆接线工艺流程图2.2.5主要工艺说明2.2.5.1盘前电缆整理(1)电缆接线前,进盘电缆(桥架水平段与盘之间的垂直段位置)由该盘接线人员负责整理,应对所有电缆进行合理的编扎,要求端子排布置的位置,以从“上到下,从内到外”为电缆编排原则,且符合盘内线束走向。进盘电缆一般采用角钢作为引上电缆的固定装置。(2)当盘内电缆较多时,电缆固定可采用分层方式,宽度一般30cm为宜,第一层固定在柜体上,下一层固定在第一层的电缆上,以此类推。要求接近端子的电缆的布置在外层,接远端子的电缆布置在内层。(3)盘柜下方引出电缆的绑扎间距30cm,并使用统一颜色的塑料绑扎线,分层固定时必须保证不同层次的电缆绑扎线在同一截面上,绑扎线应笔直,整齐美观。2.2.5.2电缆头的制作,固定和标识(1)电缆剖割应考虑电缆的预留量,并与盘内的电缆预留量保持一致。电缆剖割点必须高于盘底的电缆封堵层,同时又不能离端子排过近而影响芯线的正常走向。(2)电缆剖割时,应先用切割刀围着电缆剖割点的一周进行切割,切割深度为电缆外层(绝缘层)剥离,不能伤及内绝缘层和线芯。(3)电缆头制作前,应根据电缆的额规格,型号选择相应规格的热缩套管,同一工程的热缩套管颜色应统一。热缩套管长度要求为60mm,套入电缆的位置应以电缆剖割点基准线,基准线上方(芯线处)为25mm,另一端为35mm。(4)对热套管处理应采用电吹风均匀加热,加热时热缩套管不能移位。不得有过烤,欠烤现象,为防止积存空气,要求由缩管中间向两端烤。(5)盘底200mm处应设置电缆头固定绑扎横档,采用与电缆表面颜色相近的塑料绑扎固定。电缆头一般采用“等宽叠层”布置,也可以根据盘柜内部空间的大小及电缆数量适当调整,但必须保证均匀,整齐,美观。第4页共6页第3页共6页编号:时间:2021年x月x日书山有路勤...

1、当您付费下载文档后,您只拥有了使用权限,并不意味着购买了版权,文档只能用于自身使用,不得用于其他商业用途(如 [转卖]进行直接盈利或[编辑后售卖]进行间接盈利)。
2、本站所有内容均由合作方或网友上传,本站不对文档的完整性、权威性及其观点立场正确性做任何保证或承诺!文档内容仅供研究参考,付费前请自行鉴别。
3、如文档内容存在违规,或者侵犯商业秘密、侵犯著作权等,请点击“违规举报”。

碎片内容

电缆接线施工工艺示范卡

您可能关注的文档

确认删除?
VIP
微信客服
  • 扫码咨询
会员Q群
  • 会员专属群点击这里加入QQ群
客服邮箱
回到顶部