电脑桌面
添加小米粒文库到电脑桌面
安装后可以在桌面快捷访问

站前交通枢纽道路工程施工组织设计方案VIP免费

站前交通枢纽道路工程施工组织设计方案_第1页
1/73
站前交通枢纽道路工程施工组织设计方案_第2页
2/73
站前交通枢纽道路工程施工组织设计方案_第3页
3/73
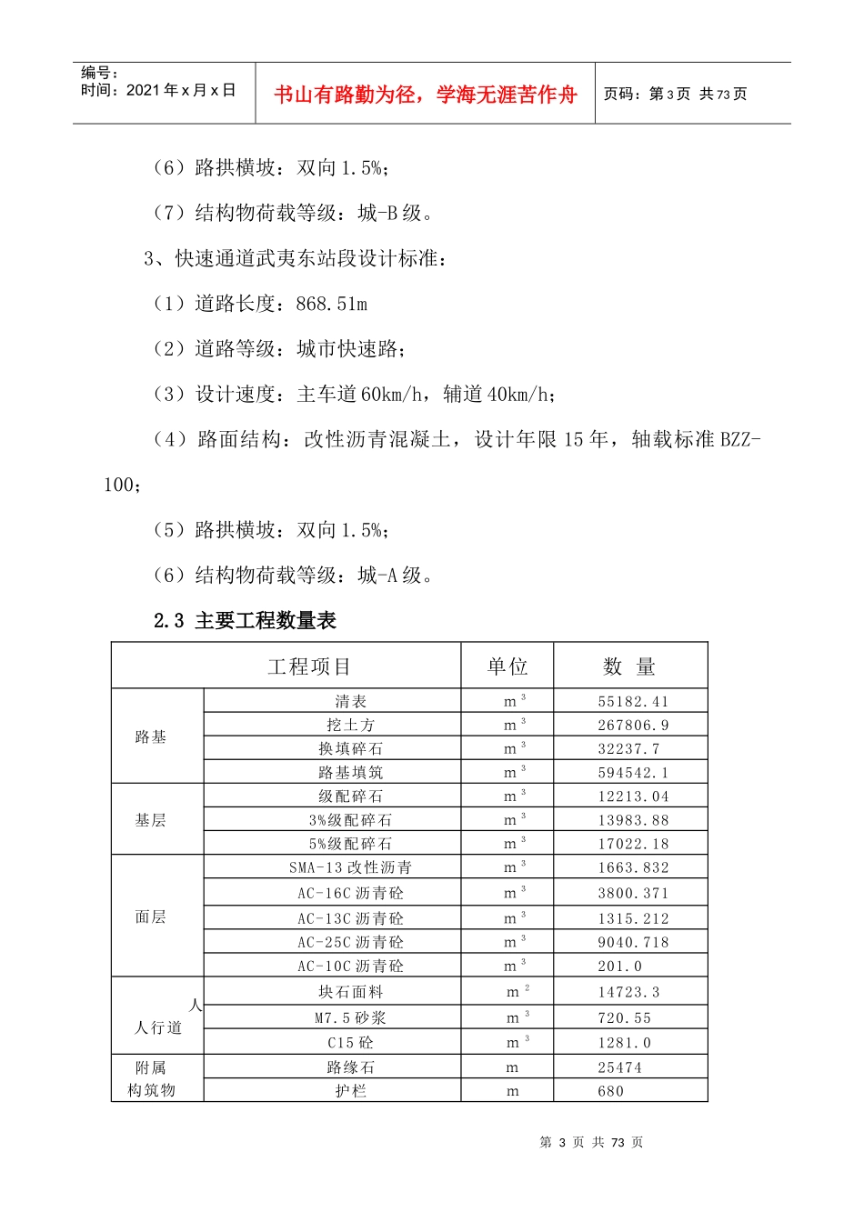
第1页共73页编号:时间:2021年x月x日书山有路勤为径,学海无涯苦作舟页码:第1页共73页规划一路、规划二路、快速通道道路工程实施性施工组织设计一、编制依据、编制原则及编制范围1.1编制依据(1)《城市道路路基工程施工及验收规范》(CTJ44-91)。(2)《市政道路工程质量检验评定标准》(CJJ1-90)。(3)《城市道路和建筑物无障碍设计规范》(JGJ50-2001)。(4)《沥青路面施工及验收规范》(GB50092-96)(5)中华人民共和国现行主要规范标准及规程和细则。1.2编制原则(1)以设计文件、施工规范为依据组织施工。(2)规范作业程序,强化各项工期、质量、安全、文明施工、环境保护目标等控制措施,确保各项工程目标的实现。(3)采用新技术、新结构、新材料、新工艺简化施工环节。1.3编制范围编制范围为:武夷新区高铁武夷山东站站前交通枢纽I标规划一路、规划二路、快速通道道路工程的地基处理、路堤、路堑、基层、面层、边坡防护、附属设施、相关工程及变形观测等施工。二、工程概况2.1工程简介(1)规划一路(K0+494.636-K1+609.094),道路中心线全长1114.458米,设计速度30km/h,道路红线宽度30米,道路等级为次干道;(2)规划二路(K0+684.365-K1+113.718):道路长约429.353米,第2页共73页第1页共73页编号:时间:2021年x月x日书山有路勤为径,学海无涯苦作舟页码:第2页共73页设计速度30km/h,道路红线宽度30米,道路等级为次干路;(3)快速通道武夷东站段(K0+420-K1+460)道路长1040米,设计速度主车道60km/h、辅道40km/h,道路红线宽度65.5米-83.75米,等级为城市快速路;其中主车道远期实施,近期绿化带。2.2技术标准1、规划一路设计标准:(1)道路长度:1114.458m;(2)道路等级:次干道;(3)设计速度:30km/h;(4)道路红线宽度:30.0m;(5)路面结构:改性沥青混凝土,设计年限10年,轴载标准BZZ-100;(6)路拱横坡:双向1.5%;(7)结构物荷载等级:城-B级。2、规划二路设计标准:(1)道路长度:429.353m;(2)道路等级:次干道;(3)设计速度:30km/h;(4)道路红线宽度:30.0m;(5)路面结构:改性沥青混凝土,设计年限10年,轴载标准BZZ-100;第3页共73页第2页共73页编号:时间:2021年x月x日书山有路勤为径,学海无涯苦作舟页码:第3页共73页(6)路拱横坡:双向1.5%;(7)结构物荷载等级:城-B级。3、快速通道武夷东站段设计标准:(1)道路长度:868.51m(2)道路等级:城市快速路;(3)设计速度:主车道60km/h,辅道40km/h;(4)路面结构:改性沥青混凝土,设计年限15年,轴载标准BZZ-100;(5)路拱横坡:双向1.5%;(6)结构物荷载等级:城-A级。2.3主要工程数量表工程项目单位数量路基清表m355182.41挖土方m3267806.9换填碎石m332237.7路基填筑m3594542.1基层级配碎石m312213.043%级配碎石m313983.885%级配碎石m317022.18面层SMA-13改性沥青m31663.832AC-16C沥青砼m33800.371AC-13C沥青砼m31315.212AC-25C沥青砼m39040.718AC-10C沥青砼m3201.0人人行道块石面料m214723.3M7.5砂浆m3720.55C15砼m31281.0附属构筑物路缘石m25474护栏m680第4页共73页第3页共73页编号:时间:2021年x月x日书山有路勤为径,学海无涯苦作舟页码:第4页共73页三、路基地理特征3.1地形地貌本工程地处福建省北部,居闽江上游。境内山峰耸峙,低山广布,河谷与山间小盆地错落其间,形成以丘陵、山地为主的地貌特征。3.2工程地质特征3.2.1水文地质特征本段线路所经地区的地下水主要为孔隙水和基岩裂隙水。孔隙水赋存于各类松散岩类中,主要分布在河流阶地、丘间及山间谷地等,埋深较浅,一般1~2m,水量丰沛,受大气降水及地表径流补给,随季节变化较大,局部地段具有承压性;谷地区地下水以第四系孔隙潜水为主,埋深1~3m,以砂层、卵砾石层为主要含水层,水量较为贫乏,随季节变化显著。基岩裂隙水主要赋存于低山丘陵区岩石的层间裂隙、风化裂隙以及构造裂隙中,主要接受大气降水的补给,以泉的形式出露排泄。层间裂隙以及风化裂隙地下水一般水量不大,多为潜水;在基岩构造盆地、断层破碎带、节理裂隙很发育带、侵入岩接触带...

1、当您付费下载文档后,您只拥有了使用权限,并不意味着购买了版权,文档只能用于自身使用,不得用于其他商业用途(如 [转卖]进行直接盈利或[编辑后售卖]进行间接盈利)。
2、本站所有内容均由合作方或网友上传,本站不对文档的完整性、权威性及其观点立场正确性做任何保证或承诺!文档内容仅供研究参考,付费前请自行鉴别。
3、如文档内容存在违规,或者侵犯商业秘密、侵犯著作权等,请点击“违规举报”。

碎片内容

站前交通枢纽道路工程施工组织设计方案

您可能关注的文档

确认删除?
VIP
微信客服
  • 扫码咨询
会员Q群
  • 会员专属群点击这里加入QQ群
客服邮箱
回到顶部