电脑桌面
添加小米粒文库到电脑桌面
安装后可以在桌面快捷访问

道路给排水工程施工组织设计方案(DOC35页)VIP免费

道路给排水工程施工组织设计方案(DOC35页)_第1页
1/19
道路给排水工程施工组织设计方案(DOC35页)_第2页
2/19
道路给排水工程施工组织设计方案(DOC35页)_第3页
3/19
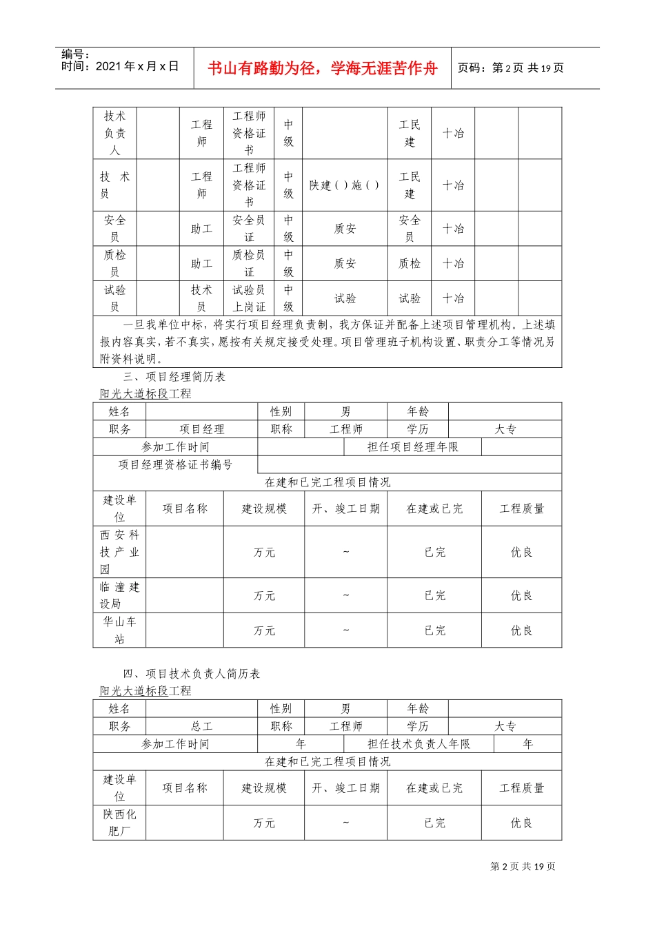
第1页共19页编号:时间:2021年x月x日书山有路勤为径,学海无涯苦作舟页码:第1页共19页前言编制总说明一、编制依据、范围及目的.编制依据根据招标单位提供的招标文件,在认真学习领会设计意图的基础上,结合现场实地察看情况,出席了标前会议和确认答疑书的内容后,针对本工程特点和单位自身施工组织能力,相同相似工程中的实际经验而编制。.编制范围桩号~红线范围内图示道路、排水工程。.编制目的满足招标要求和用于指导施工的全过程,既是对业主的承诺,也是优质、高效和按期完成施工任务的前提和基础,以确保早日通车。二、工程概况本工程西起钓台路,经安谷路、段家路、广成路、崇文路、白马河路、河南街路、沣滨西路、沣滨东路、企业路,东至上林路,设计全长米。本标段为:~。本工程规划红线宽度米,三块板型式,其中:机动车道米,隔离带为×米,非机动车道为×米,绿化带×米,人行道为×米。三、主要技术指标.道路等级:城市主干道级.设计车速:50km/.道路设计使用年限:年.道路设计横坡:%.人行道设计横坡:%.雨水设计重现期:=年第一节项目部的组成一、组织机构:为了确保该工程的顺利进行,经单位领导研究决定,组建一支年富力强,工作作风过硬的项目工程施工队伍,由工作责任心强,组织能力高,经验丰富的同志担任该工程项目部经理,将从施工组织调配、施工方案制订、施工管理、技术、质量管理保障等方面,广泛综合地运用现代科学技术和手段,对施工的全过程进行有效的控制和管理。并配备一批技术业务精通、熟练、管理意识、质量意识、施工管理、现场管理等水平高的多名同志,组建一支团结、奋战、具备强有力战斗性的班子。本工程施工经理部下设一室六组、三队。详见附图一(组织机构图)。二、项目管理机构配备情况表阳光大道标段工程职务姓名职称执业或职业资格证明已承担在建工程情况证书名称级别证号专业原服务单位项目数主要项目名称项目经理工程师项目经理证贰工民建十冶第2页共19页编号:时间:2021年x月x日书山有路勤为径,学海无涯苦作舟页码:第2页共19页技术负责人工程师工程师资格证书中级工民建十冶技术员工程师工程师资格证书中级陕建()施()工民建十冶安全员助工安全员证中级质安安全员十冶质检员助工质检员证中级质安质检十冶试验员技术员试验员上岗证中级试验试验十冶一旦我单位中标,将实行项目经理负责制,我方保证并配备上述项目管理机构。上述填报内容真实,若不真实,愿按有关规定接受处理。项目管理班子机构设置、职责分工等情况另附资料说明。三、项目经理简历表阳光大道标段工程姓名性别男年龄职务项目经理职称工程师学历大专参加工作时间担任项目经理年限项目经理资格证书编号在建和已完工程项目情况建设单位项目名称建设规模开、竣工日期在建或已完工程质量西安科技产业园万元~已完优良临潼建设局万元~已完优良华山车站万元~已完优良四、项目技术负责人简历表阳光大道标段工程姓名性别男年龄职务总工职称工程师学历大专参加工作时间年担任技术负责人年限年在建和已完工程项目情况建设单位项目名称建设规模开、竣工日期在建或已完工程质量陕西化肥厂万元~已完优良第3页共19页编号:时间:2021年x月x日书山有路勤为径,学海无涯苦作舟页码:第3页共19页首钢万元~已完优良西安科技产业园万元~已完优良临潼建设局万元~已完优良华山车站万元~已完优良五、项目管理机构配备情况辅助说明资料阳光大道标段工程、项目经理部各室、组职责:()办公室:负责收发公文,召集会议,编写规章制度和接待工作。()工程组:熟悉图纸,施工规范,操作规程,劳动力安排和组合,现场指导施工,开展劳动竞赛,签证、收文,填写施工日志,气象记录。()技术组:熟悉图纸,施工规范,质量验收标准,设计交底,勘测放样,技术交底,技术复核,月、旬施工进度计划编制,月工程进度的统计,计价等,以及新技术、新工艺的推广应用。()质检组:负责质量标准、目标的制定,施工过程中的质量环节控制程序,措施等编制工作。检测、测试各工序,部位工程的质量验收讦定,填写各种相关验收表格,亟时对所购进的原材料进行检测、测试、抽查工作,并应...

1、当您付费下载文档后,您只拥有了使用权限,并不意味着购买了版权,文档只能用于自身使用,不得用于其他商业用途(如 [转卖]进行直接盈利或[编辑后售卖]进行间接盈利)。
2、本站所有内容均由合作方或网友上传,本站不对文档的完整性、权威性及其观点立场正确性做任何保证或承诺!文档内容仅供研究参考,付费前请自行鉴别。
3、如文档内容存在违规,或者侵犯商业秘密、侵犯著作权等,请点击“违规举报”。

碎片内容

道路给排水工程施工组织设计方案(DOC35页)

您可能关注的文档

确认删除?
VIP
微信客服
  • 扫码咨询
会员Q群
  • 会员专属群点击这里加入QQ群
客服邮箱
回到顶部