电脑桌面
添加小米粒文库到电脑桌面
安装后可以在桌面快捷访问

给水排水工程表格_2VIP免费

给水排水工程表格_2_第1页
1/57
给水排水工程表格_2_第2页
2/57
给水排水工程表格_2_第3页
3/57
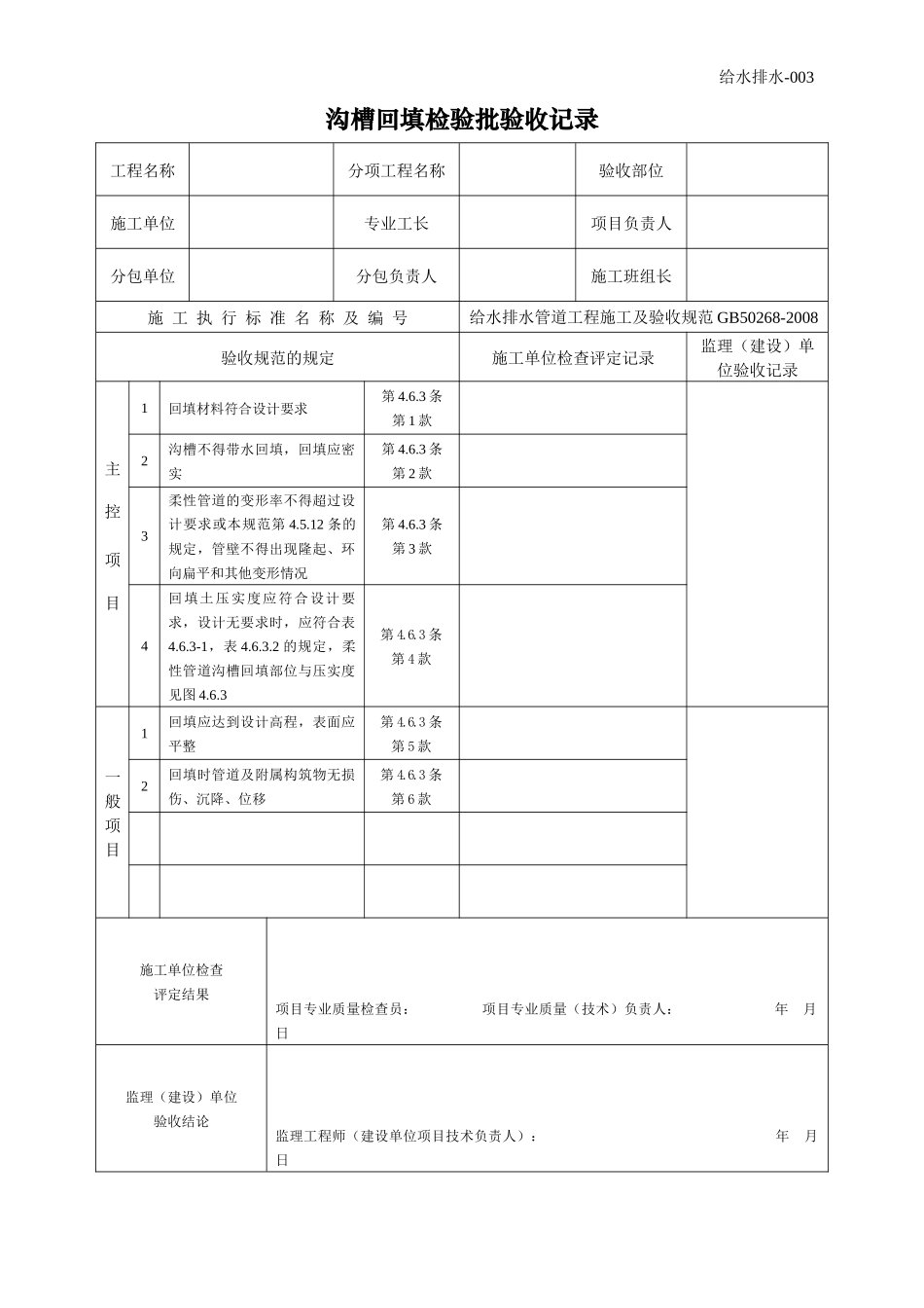
沟槽开挖与地基基础检验批验收记录工程名称分项工程名称验收部位施工单位专业工长项目负责人分包单位分包负责人施工班组长施工执行标准名称及编号给水排水管道工程施工及验收规范GB50268-2008验收规范的规定施工单位检查评定记录监理(建设)单位验收记录主控项目1原状地基土不得扰动、受水浸泡或受冻第4.6.1条第1款2地基承载力应满足设计要求第4.6.1条第2款3进行地基处理时,压实度、厚度满足设计要求第4.6.1条第3款项目允许偏差实测值1槽底高程土方±20石方+20、-2002槽底中线每侧宽度不小于规定3沟槽边坡不小于规定施工单位检查评定结果项目专业质量检查员:项目专业质量(技术)负责人:年月日监理(建设)单位验收结论监理工程师(建设单位项目技术负责人):年月日沟槽支护检验批验收记录工程名称分项工程名称验收部位施工单位专业工长项目负责人分包单位分包负责人施工班组长施工执行标准名称及编号给水排水管道工程施工及验收规范GB50268-2008验收规范的规定施工单位检查评定记录监理(建设)单位验收记录主控项目1支撑方式、支撑材料符合设计要求第4.6.2条第1款2支护结构强度、刚度、稳定性符合设计要求第4.6.2条第2款一般项目1横撑不得妨碍下管和稳管第4.6.2条第3款2支撑构件安装应牢固、安全可靠,位置正确第4.6.2条第4款3支撑后,沟槽中心线每侧的净宽不应小于施工方案设计要求第4.6.2条第5款4钢板桩的轴线位移不得大于50mm;垂直度不得大于1.5%第4.6.2条第6款施工单位检查评定结果项目专业质量检查员:项目专业质量(技术)负责人:年月日监理(建设)单位验收结论监理工程师(建设单位项目技术负责人):年月日给水排水-003沟槽回填检验批验收记录工程名称分项工程名称验收部位施工单位专业工长项目负责人分包单位分包负责人施工班组长施工执行标准名称及编号给水排水管道工程施工及验收规范GB50268-2008验收规范的规定施工单位检查评定记录监理(建设)单位验收记录主控项目1回填材料符合设计要求第4.6.3条第1款2沟槽不得带水回填,回填应密实第4.6.3条第2款3柔性管道的变形率不得超过设计要求或本规范第4.5.12条的规定,管壁不得出现隆起、环向扁平和其他变形情况第4.6.3条第3款4回填土压实度应符合设计要求,设计无要求时,应符合表4.6.3-1,表4.6.3.2的规定,柔性管道沟槽回填部位与压实度见图4.6.3第4.6.3条第4款一般项目1回填应达到设计高程,表面应平整第4.6.3条第5款2回填时管道及附属构筑物无损伤、沉降、位移第4.6.3条第6款施工单位检查评定结果项目专业质量检查员:项目专业质量(技术)负责人:年月日监理(建设)单位验收结论监理工程师(建设单位项目技术负责人):年月日给水排水-004管道基础检验批质量验收记录工程名称分项工程名称验收部位施工单位专业工长项目负责人分包单位分包负责人施工班组长施工执行标准名称及编号给排水管道工程施工及验收规范GB50268-2008验收规范的规定施工单位检查评定记录监理(建设)单位验收记录主控项目1原状地基的承载力符合设计要求第5.10.1条第1款2混凝土基础的强度符合设计要求第6.2.8条第2款3砂石基础的压实度符合设计要求或本规范的规定第5.10.1条第3款一般项目1原状地基、砂石基础与管道外壁间接触均匀,无空隙第5.10.1条第4款2混凝土基础外光内实,无严重缺陷;混凝土基础的钢筋数量、位置正确第5.10.1条第5款项目允许偏差(mm)实测值3垫层中线每侧宽度不小于设计要求高程压力管道±30无压管道0,-15厚度不小于设计要求4混凝土基础、管座平基中线每侧宽度+10,0高程0,-15厚度不小于设计要求管座肩宽+10,-5肩高±205土(砂及砂砾)基础高程压力管道±30无压管道0、-15平基厚度不小于设计要求土弧基础腋角高度不小于设计要求共实测点,其中合格点,不合格点,合格率%施工单位检查评定结果项目专业质量检查员:项目专业质量(技术负责人:年月日监理(建设)单位验收结论监理工程师(建设单位项目技术负责人):年月日给水排水-005钢管接口连接检验批质量验收记录工程名称分项工程名称验收部位施工单位专业工长项目负责人分包单位分包负责人施工班组长施工执行标准名称及编号给水排水管道工程施工及验收规范...

1、当您付费下载文档后,您只拥有了使用权限,并不意味着购买了版权,文档只能用于自身使用,不得用于其他商业用途(如 [转卖]进行直接盈利或[编辑后售卖]进行间接盈利)。
2、本站所有内容均由合作方或网友上传,本站不对文档的完整性、权威性及其观点立场正确性做任何保证或承诺!文档内容仅供研究参考,付费前请自行鉴别。
3、如文档内容存在违规,或者侵犯商业秘密、侵犯著作权等,请点击“违规举报”。

碎片内容

给水排水工程表格_2

您可能关注的文档

确认删除?
VIP
微信客服
  • 扫码咨询
会员Q群
  • 会员专属群点击这里加入QQ群
客服邮箱
回到顶部