电脑桌面
添加小米粒文库到电脑桌面
安装后可以在桌面快捷访问

铁塔工程环境保护措施监理检查表VIP免费

铁塔工程环境保护措施监理检查表_第1页
1/40
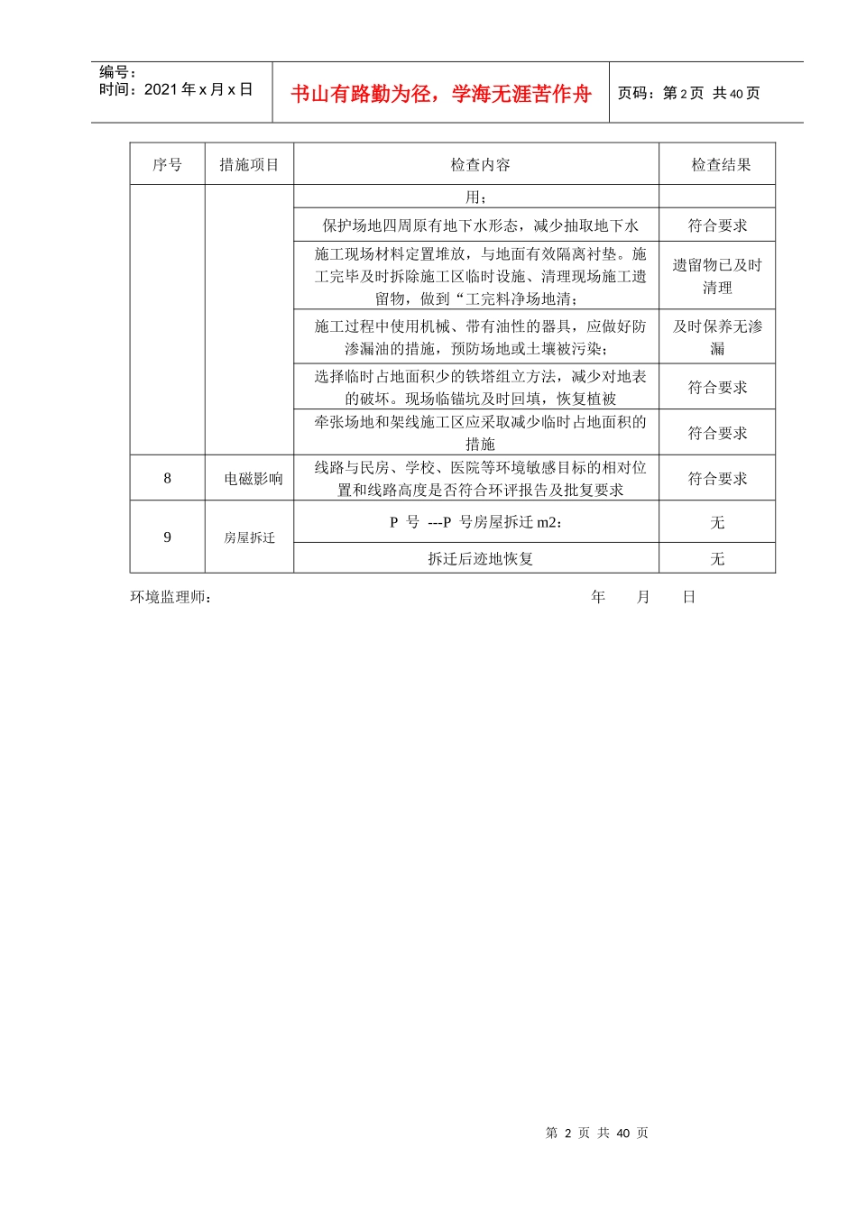
铁塔工程环境保护措施监理检查表_第2页
2/40
铁塔工程环境保护措施监理检查表_第3页
3/40
第1页共40页编号:时间:2021年x月x日书山有路勤为径,学海无涯苦作舟页码:第1页共40页铁塔工程环境保护措施监理检查表工程名称:xxxxxxxxx—xxxxxx±800kV特高压直流输电线路工程编号:序号措施项目检查内容检查结果1文明施工施工现场设置连续围挡,现场施工标牌应包括环境保护内容;符合要求施工作业区和生活办公区分开布置,生活设施远离有毒有害物质;符合要求现场设置移动厕所;已设置施工现场设置垃圾分类回收点;已设置2扬尘控制易产生扬尘的施工作业采取遮挡、抑扬等措施;对裸露地面、集中堆放的土方采取表面浇水湿润等抑尘措施洒水降尘易飞扬和细颗粒材料封闭存放,余料及时回收彩条布遮盖,余料及时回收3废气排放车辆及机械设备废气排放符合国家要求;符合要求施工现场严禁焚烧垃圾和各类废弃物无此现象发生4固体废弃物处理有毒有害废物、固体废弃物分类收集,集中堆放;分类集中堆放废电池、废墨盒等有毒有害的废弃物封闭回收,不与其他废弃物混放。单独存放5污水排放现场道路和材料堆放场地周边设排水沟;符合设计要求工程污水、搅拌废水进行妥善处理。妥善处理6噪声控制采用低噪音设备进行施工,定期保养维护,从声源上降低噪音;机械、设备正常使用,减少操作不当产生噪声污染已采取措施使用低噪声的施工工艺和方法,尽量避免夜间施工,将施工噪声影响减到最低限度无夜间施工7生态保护划定临时施工场地范围,未经允许施工人员不得在施工范围外进行作业,注意保护现场周围植被,严禁乱砍乱伐;符合要求山区施工尽量选用原有的小道作为小运道路或架设运输索道,以减少对植被的破坏使用原有小道土方开挖设置临时堆土场,生土和熟土分开集中堆放,临时拦挡和覆盖措施;开挖土方尽量回填利分开堆放并覆盖第2页共40页第1页共40页编号:时间:2021年x月x日书山有路勤为径,学海无涯苦作舟页码:第2页共40页序号措施项目检查内容检查结果用;保护场地四周原有地下水形态,减少抽取地下水符合要求施工现场材料定置堆放,与地面有效隔离衬垫。施工完毕及时拆除施工区临时设施、清理现场施工遗留物,做到“工完料净场地清;遗留物已及时清理施工过程中使用机械、带有油性的器具,应做好防渗漏油的措施,预防场地或土壤被污染;及时保养无渗漏选择临时占地面积少的铁塔组立方法,减少对地表的破坏。现场临锚坑及时回填,恢复植被符合要求牵张场地和架线施工区应采取减少临时占地面积的措施符合要求8电磁影响线路与民房、学校、医院等环境敏感目标的相对位置和线路高度是否符合环评报告及批复要求符合要求9房屋拆迁P号---P号房屋拆迁m2:无拆迁后迹地恢复无环境监理师:年月日第3页共40页第2页共40页编号:时间:2021年x月x日书山有路勤为径,学海无涯苦作舟页码:第3页共40页铁塔工程环境保护措施监理检查表工程名称:灵州-绍兴±800kV特高压直流输电线路工程编号:SG陕5-N817序号措施项目检查内容检查结果1文明施工施工现场设置连续围挡,现场施工标牌应包括环境保护内容;符合要求施工作业区和生活办公区分开布置,生活设施远离有毒有害物质;符合要求现场设置移动厕所;已设置施工现场设置垃圾分类回收点;已设置2扬尘控制易产生扬尘的施工作业采取遮挡、抑扬等措施;对裸露地面、集中堆放的土方采取表面浇水湿润等抑尘措施洒水降尘易飞扬和细颗粒材料封闭存放,余料及时回收彩条布遮盖,余料及时回收3废气排放车辆及机械设备废气排放符合国家要求;符合要求施工现场严禁焚烧垃圾和各类废弃物无此现象发生4固体废弃物处理有毒有害废物、固体废弃物分类收集,集中堆放;分类集中堆放废电池、废墨盒等有毒有害的废弃物封闭回收,不与其他废弃物混放。单独存放5污水排放现场道路和材料堆放场地周边设排水沟;符合设计要求工程污水、搅拌废水进行妥善处理。妥善处理6噪声控制采用低噪音设备进行施工,定期保养维护,从声源上降低噪音;机械、设备正常使用,减少操作不当产生噪声污染已采取措施使用低噪声的施工工艺和方法,尽量避免夜间施工,将施工噪声影响减到最低限度无夜间施工7生态保护划定临时施工场地范围,未经允许施工人员不得在施工范围外进行作业,注意保护现场周围...

1、当您付费下载文档后,您只拥有了使用权限,并不意味着购买了版权,文档只能用于自身使用,不得用于其他商业用途(如 [转卖]进行直接盈利或[编辑后售卖]进行间接盈利)。
2、本站所有内容均由合作方或网友上传,本站不对文档的完整性、权威性及其观点立场正确性做任何保证或承诺!文档内容仅供研究参考,付费前请自行鉴别。
3、如文档内容存在违规,或者侵犯商业秘密、侵犯著作权等,请点击“违规举报”。

碎片内容

铁塔工程环境保护措施监理检查表

确认删除?
VIP
微信客服
  • 扫码咨询
会员Q群
  • 会员专属群点击这里加入QQ群
客服邮箱
回到顶部