电脑桌面
添加小米粒文库到电脑桌面
安装后可以在桌面快捷访问

钣金工艺规范及折弯机模具手册VIP免费

钣金工艺规范及折弯机模具手册_第1页
1/52
钣金工艺规范及折弯机模具手册_第2页
2/52
钣金工艺规范及折弯机模具手册_第3页
3/52
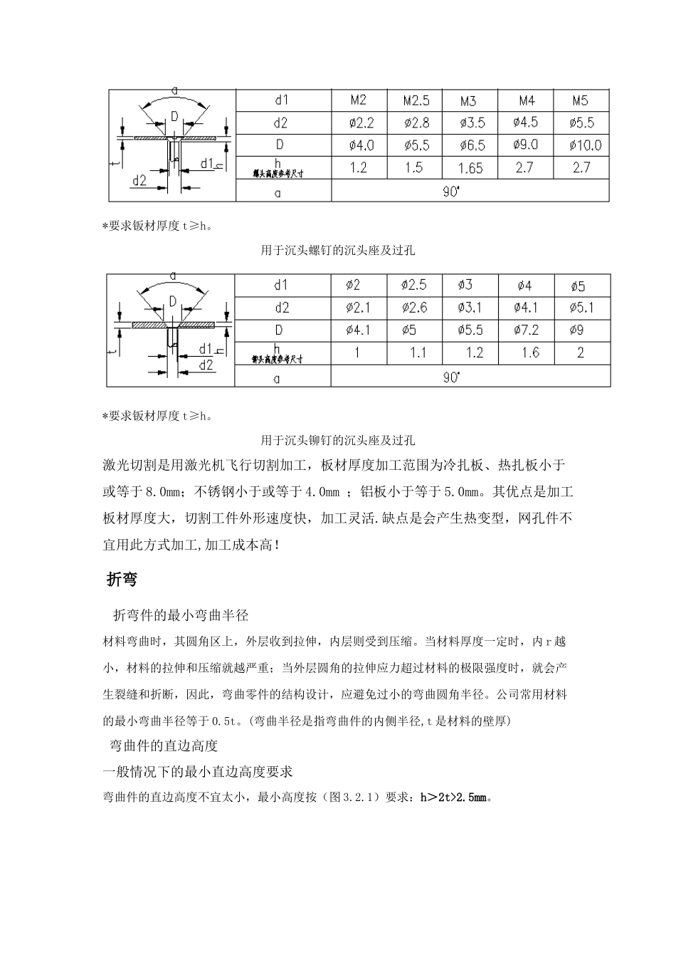
钣金工艺规范及折弯机模具手册1简介1.1钣金所用材料常用材料有:冷轧板SPCC、热轧板SPHC、电解板SECC、普通铝板及铝合金板AL1050、AL5052-H32,不锈钢板SUS304、覆铝锌钢板.1.2典型钣金件加工流程图面展开---编程---下料(剪、冲、割)----冲网孔----校平----拉丝----冲凸包----压铆----折弯-----焊接----立体拉丝----表处----组装2下料2.1数冲是用数控冲床加工,板材厚度加工范围为:冷扎板、热扎板小于或等于3.0mm;铝板小于或等于4.0mm;不锈钢小于2.0mm。2.1.1冲孔有最小尺寸要求冲孔最小尺寸与孔的形状、材料机械性能和材料厚度有关。t为材料厚度,冲孔尺寸一般不小于1.5t。如遇特殊情况,可参照下表:图2.1.1冲孔形状示例材料圆孔最小直径b矩形孔短边宽b不锈钢1.3t1.0t冷扎板、热扎板1.0t0.7t铝、黄铜0.8t0.5t*t为材料厚度,冲孔最小尺寸一般不小于1.2mm。冲孔最小尺寸列表2.1.2数冲的孔间距与孔边距零件的冲孔边缘离外形的最小距离随零件与孔的形状不同有一定的限制,见图2.1.2。当冲孔边缘与零件外形边缘不平行时,该最小距离应不小于材料厚度t;平行时,应不小于1.5t。图2.1.2冲裁件孔边距、孔间距示意图2.1.3折弯件及拉深件不可选用数冲下料,可选用二次激光切割。2.1.4螺钉、螺栓的过孔和沉头座螺钉、螺栓过孔和沉头座的结构尺寸按下表选取取。对于沉头螺钉的沉头座,如果板材太薄难以同时保证过孔d2和沉孔D,应优先保证过孔d2。用于螺钉、螺栓的过孔(图1.4)*要求钣材厚度t≥h。用于沉头螺钉的沉头座及过孔*要求钣材厚度t≥h。用于沉头铆钉的沉头座及过孔激光切割是用激光机飞行切割加工,板材厚度加工范围为冷扎板、热扎板小于或等于8.0mm;不锈钢小于或等于4.0mm;铝板小于等于5.0mm。其优点是加工板材厚度大,切割工件外形速度快,加工灵活.缺点是会产生热变型,网孔件不宜用此方式加工,加工成本高!折弯折弯件的最小弯曲半径材料弯曲时,其圆角区上,外层收到拉伸,内层则受到压缩。当材料厚度一定时,内r越小,材料的拉伸和压缩就越严重;当外层圆角的拉伸应力超过材料的极限强度时,就会产生裂缝和折断,因此,弯曲零件的结构设计,应避免过小的弯曲圆角半径。公司常用材料的最小弯曲半径等于0.5t。(弯曲半径是指弯曲件的内侧半径,t是材料的壁厚)弯曲件的直边高度一般情况下的最小直边高度要求弯曲件的直边高度不宜太小,最小高度按(图3.2.1)要求:h>2t>2.5mm。图3.2.1弯曲件的直边高度最小值特殊要求的直边高度如果设计需要弯曲件的直边高度h≤2t,,则首先要加大弯边高度,弯好后再加工到需要尺寸(可采用激光二次切割或者机加工);或者在弯曲变形区内加工浅槽后,再折弯(如下图所示)。图3.2.2特殊情况下的直边高度要求弯边侧边带有斜角的直边高度当弯边侧边带有斜角的弯曲件时(图3.2.3),侧面的最小高度为:h=(2~4)t>2.5mm图3.2.3弯边侧边带有斜角的直边高度折弯件上的孔边距孔边距:先冲孔后折弯,孔的位置应处于弯曲变形区外,避免弯曲时孔会产生变形。孔壁至弯边的距离见下表。如遇特殊情况,孔边距小于下表尺寸,可采用先小孔,折弯后再钻孔,或者在孔投影在折弯线的位置割线,折弯后焊接磨平。压槽h<2t(图1.11)图1.12)折弯件上的孔边距局部弯曲的工艺切口折弯件的弯曲线应避开尺寸突变的位置局部弯曲某一段边缘时,为了防止尖角处应力集中产生弯裂,可将弯曲线移动一定距离,以离开尺寸突变处(图3.4.1.a),或开工艺槽(图3.4.1.b),或冲工艺孔(图3.4.1.1.c)。注意图中的尺寸要求:S≥R;槽宽k≥t;槽深L≥t+R+k/2。Lk(图1.13)工艺孔图3.4.1局部弯曲的设计处理方法当孔位于折弯变形区内,所采取的切口形式当孔在折弯变形区内时,采用的切口形式示例(图3.4.2);或者在孔投影于弯曲线的位置割线或者切口,折弯后可根据需要焊接磨平。图3.4.2切口形式示例带斜边的折弯边应避开变形区也可采用在变形区域对应位置割线,折弯后可根据需要焊接磨平。Lk(图1.13)工艺孔(图1.14)弯曲线弯曲线图3.5带斜边的折弯边应避开变形区反折压死边的设计要求压死边的死边长度与材料的厚度有关。如下图所示,一般死边最小长度L≥3t+R。其中t为材料壁厚,R...

1、当您付费下载文档后,您只拥有了使用权限,并不意味着购买了版权,文档只能用于自身使用,不得用于其他商业用途(如 [转卖]进行直接盈利或[编辑后售卖]进行间接盈利)。
2、本站所有内容均由合作方或网友上传,本站不对文档的完整性、权威性及其观点立场正确性做任何保证或承诺!文档内容仅供研究参考,付费前请自行鉴别。
3、如文档内容存在违规,或者侵犯商业秘密、侵犯著作权等,请点击“违规举报”。

碎片内容

钣金工艺规范及折弯机模具手册

确认删除?
VIP
微信客服
  • 扫码咨询
会员Q群
  • 会员专属群点击这里加入QQ群
客服邮箱
回到顶部