电脑桌面
添加小米粒文库到电脑桌面
安装后可以在桌面快捷访问

金属门安装工程检验批质量验收记录表VIP免费

金属门安装工程检验批质量验收记录表_第1页
1/2
金属门安装工程检验批质量验收记录表_第2页
2/2
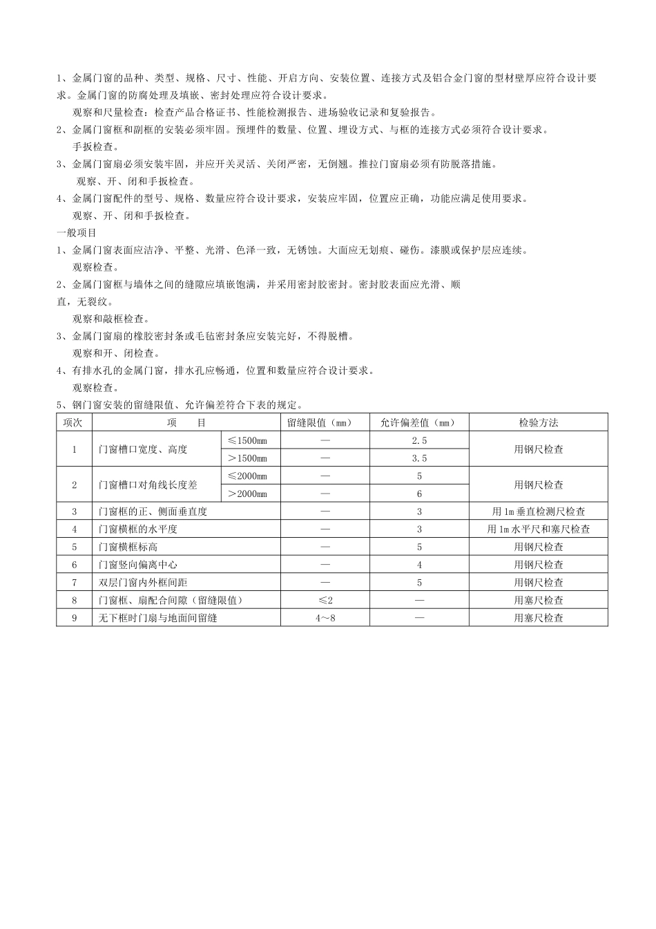
金属门安装工程检验批质量验收记录表(Ⅰ)(钢门窗)单位(子单位)工程名称分部(子分部)工程名称验收部位施工单位项目经理分包单位分包项目经理施工执行标准名称及编号施工质量验收规范的规定施工单位检查评定记录监理(建设)单位验收记录主控项目1门窗质量第5.3.2条2框和副框安装,预埋件第5.3.3条3门窗扇安装第5.3.4条4配件质量及安装第5.3.5条一般项目1表面质量第5.3.6条2框与墙体间缝隙第5.3.8条3扇密封胶条或毛毡密封条第5.3.9条4排水孔第5.3.10条5允许偏差(mm)门窗槽口宽度、高度≤1500mm2.5>1500mm3.5门窗槽口对角线长度差≤2000mm5>2000mm6门窗框的正、侧面垂直度3门窗横框的水平度3门窗横框标高5门窗竖向偏离中心4双层门窗内外框间距5门窗框、扇配合间隙(留缝限值)≤2无下框时门扇与地面间留缝4~8施工单位检查评定结果专业工长(施工员)施工班组长项目专业质量检查员:年月日监理(建设)单位验收结论专业监理工程师:(建设单位项目专业技术负责人)年月日说明(Ⅰ)主控项目1、金属门窗的品种、类型、规格、尺寸、性能、开启方向、安装位置、连接方式及铝合金门窗的型材壁厚应符合设计要求。金属门窗的防腐处理及填嵌、密封处理应符合设计要求。观察和尺量检查:检查产品合格证书、性能检测报告、进场验收记录和复验报告。2、金属门窗框和副框的安装必须牢固。预埋件的数量、位置、埋设方式、与框的连接方式必须符合设计要求。手扳检查。3、金属门窗扇必须安装牢固,并应开关灵活、关闭严密,无倒翘。推拉门窗扇必须有防脱落措施。观察、开、闭和手扳检查。4、金属门窗配件的型号、规格、数量应符合设计要求,安装应牢固,位置应正确,功能应满足使用要求。观察、开、闭和手扳检查。一般项目1、金属门窗表面应洁净、平整、光滑、色泽一致,无锈蚀。大面应无划痕、碰伤。漆膜或保护层应连续。观察检查。2、金属门窗框与墙体之间的缝隙应填嵌饱满,并采用密封胶密封。密封胶表面应光滑、顺直,无裂纹。观察和敲框检查。3、金属门窗扇的橡胶密封条或毛毡密封条应安装完好,不得脱槽。观察和开、闭检查。4、有排水孔的金属门窗,排水孔应畅通,位置和数量应符合设计要求。观察检查。5、钢门窗安装的留缝限值、允许偏差符合下表的规定。项次项目留缝限值(mm)允许偏差值(mm)检验方法1门窗槽口宽度、高度≤1500mm—2.5用钢尺检查>1500mm—3.52门窗槽口对角线长度差≤2000mm—5用钢尺检查>2000mm—63门窗框的正、侧面垂直度—3用1m垂直检测尺检查4门窗横框的水平度—3用1m水平尺和塞尺检查5门窗横框标高—5用钢尺检查6门窗竖向偏离中心—4用钢尺检查7双层门窗内外框间距—5用钢尺检查8门窗框、扇配合间隙(留缝限值)≤2—用塞尺检查9无下框时门扇与地面间留缝4~8—用塞尺检查

1、当您付费下载文档后,您只拥有了使用权限,并不意味着购买了版权,文档只能用于自身使用,不得用于其他商业用途(如 [转卖]进行直接盈利或[编辑后售卖]进行间接盈利)。
2、本站所有内容均由合作方或网友上传,本站不对文档的完整性、权威性及其观点立场正确性做任何保证或承诺!文档内容仅供研究参考,付费前请自行鉴别。
3、如文档内容存在违规,或者侵犯商业秘密、侵犯著作权等,请点击“违规举报”。

碎片内容

金属门安装工程检验批质量验收记录表

海纳百川+ 关注
实名认证
内容提供者

热爱教学事业,对互联网知识分享很感兴趣

相关文档

确认删除?
VIP
微信客服
  • 扫码咨询
会员Q群
  • 会员专属群点击这里加入QQ群
客服邮箱
回到顶部