电脑桌面
添加小米粒文库到电脑桌面
安装后可以在桌面快捷访问

酒精6561439851VIP免费

酒精6561439851_第1页
1/5
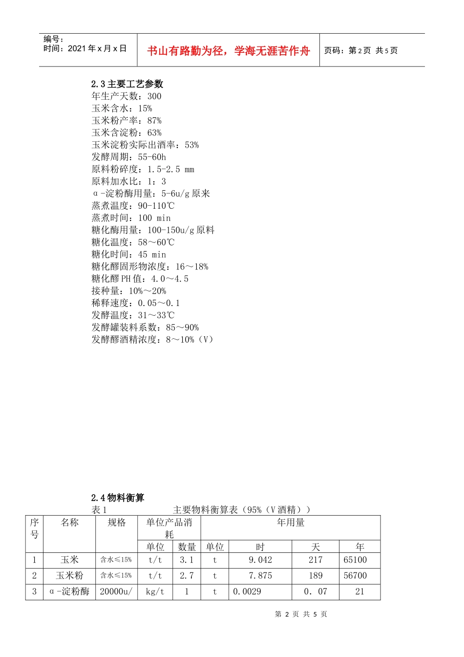
酒精6561439851_第2页
2/5
酒精6561439851_第3页
3/5
第1页共5页编号:时间:2021年x月x日书山有路勤为径,学海无涯苦作舟页码:第1页共5页长春工业大学化学与生命科学学院生物技术(工程)专业《发酵工程与设备》课程设计说明书一、总论1.1概述自己查的写的1.2设计依据1.2.1长春工业大学生物技术(工程)课程设计指导书。1.2.2长春工业大学生物技术(工程)课程设计任务书。1.2.3《发酵工程与设备》、《发酵工艺原理》、《发酵工厂工艺设计概论》、《化工工艺设计手册》及生物技术(工程)专业基础理论课本等参考资料。1.3设计指导思想1.3.1尽量采用先进的生产技术与设备,认真吸取和借鉴国内外各种产品生产的成熟新工艺、新技术、新设备。1.3.2合理利用资源,节约能源,降低消耗指标。1.4设计范围1.4.1确定工艺流程及生产操作条件1.4.2工艺及主要设备计算(物料衡算、设备计算)1.4.3绘制生产工艺流程图1.4.4编制课程设计说明书二、生产工艺2.1产品产量及方案产量:年产酒精21000吨产品品种:含乙醇95%(V)相当于92.41%(W)食用酒精2.2生产方法的选择工艺方法:利用玉米为原料,双酶糖化,添加酒精酵母连续发酵、三塔蒸馏的工艺是目前最成熟、最典型的生产工艺。酒精生产工艺流程简图:α-淀粉酶糖化酶酒母醪↓↓↓玉米→粉碎→调浆→连续蒸煮→蒸煮醪冷却→糖化→糖化醪冷却→连续发酵→↑↓排醛废水CO2回收↑↑成熟发酵醪→粗馏→醛塔→精馏→成品酒精↓↓废糟杂醇油↓DDGS(全价干酒糟)第2页共5页第1页共5页编号:时间:2021年x月x日书山有路勤为径,学海无涯苦作舟页码:第2页共5页2.3主要工艺参数年生产天数:300玉米含水:15%玉米粉产率:87%玉米含淀粉:63%玉米淀粉实际出酒率:53%发酵周期:55-60h原料粉碎度:1.5-2.5mm原料加水比:1:3α-淀粉酶用量:5-6u/g原来蒸煮温度:90-110℃蒸煮时间:100min糖化酶用量:100-150u/g原料糖化温度:58~60℃糖化时间:45min糖化醪固形物浓度:16~18%糖化醪PH值:4.0~4.5接种量:10%~20%稀释速度:0.05~0.1发酵温度:31~33℃发酵罐装料系数:85~90%发酵醪酒精浓度:8~10%(V)2.4物料衡算表1主要物料衡算表(95%(V酒精))序号名称规格单位产品消耗年用量单位数量单位时天年1玉米含水≤15%t/t3.1t9.042217651002玉米粉含水≤15%t/t2.7t7.875189567003α-淀粉酶20000u/kg/t1t0.00290.0721第3页共5页第2页共5页编号:时间:2021年x月x日书山有路勤为径,学海无涯苦作舟页码:第3页共5页g4糖化酶50000u/gkg/t9t0.026250.631895NaOHkg/t22t0.0641.544626H2SO498%kg/t16t0.0471.123367硫酸铵kg/t1.15t0.00340.080524.158蒸煮粉浆t/t10.8t31.57562268009成熟蒸煮醪t/t11.1t32.37577723310010糖化醪t/t12.8t37.389626880011成熟发酵醪t/t12.6t36.7588226460012杂醇油kg/t5t14.5835010500013醛酒kg/t20t0.05831.442014二氧化碳kg/t902t2.630863.141894215废醪t/t12.7t37.04288926670016胚芽kg/t300t8.752106300017水t/t90t262.56300189000018电kWh/t160kWh466.6711200336000019汽t/t4.2t12.2529488200三、设备选择3.1主要工艺设备选型计算(1)发酵罐容积计算糖化醪流量37.3t/h,醪液比重为1.07,则糖化醪体积流量为:F=37.31.07=34.9m3/h采用多罐连续发酵工艺,双罐流加法,即预发酵罐和罐组首罐流加糖化醪,预发酵罐流加量为总量的17%,控制稀释速率D0=0.09;罐组首罐糖化醪流加量为总量的83%,稀释速率D1=0.05。预发酵罐和发酵罐的填充系数为Φ=0.9,则预发酵罐糖化醪流量F0=17%×34.9=5.9m3/h预发酵罐V0有效=F0/D0=5.93/0.09=65.9m3预发酵罐V0全=V0有效/Φ=65.9/0.9=73.2m3首发酵罐糖化醪流量F1=83%×34.9=29.0m3/h首发酵罐V1有效=F1/D1=29.0/0.05=580m3首发酵罐V1全=V1有效/Φ=580/0.9=644.4m3预发酵罐和发酵罐直径d与高H的关系H=1.5d,锥形封头高、锥底高与直径的关系h1=h2=0.1d,V全=(π/4)d2(H+h1/3+h2/3),V全=1.23d3,所以经计算得d0=3.904m;d1=8.062m。取预发酵罐d0=4.0m,则H0=6.0m,h01=h02=0.4m,验算V0全=78.72m3第4页共5页第3页共5页编号:时间:2021年x月x日书山有路勤为径,学海无涯苦作舟页码:第4页共5页>73.2m3;取首发酵罐d1=8.1m,则H1=12.15m,h11=h12=0.81m,...

1、当您付费下载文档后,您只拥有了使用权限,并不意味着购买了版权,文档只能用于自身使用,不得用于其他商业用途(如 [转卖]进行直接盈利或[编辑后售卖]进行间接盈利)。
2、本站所有内容均由合作方或网友上传,本站不对文档的完整性、权威性及其观点立场正确性做任何保证或承诺!文档内容仅供研究参考,付费前请自行鉴别。
3、如文档内容存在违规,或者侵犯商业秘密、侵犯著作权等,请点击“违规举报”。

碎片内容

酒精6561439851

您可能关注的文档

确认删除?
VIP
微信客服
  • 扫码咨询
会员Q群
  • 会员专属群点击这里加入QQ群
客服邮箱
回到顶部