电脑桌面
添加小米粒文库到电脑桌面
安装后可以在桌面快捷访问

第13章 机械传动系统的设计VIP免费

第13章 机械传动系统的设计_第1页
1/11
第13章 机械传动系统的设计_第2页
2/11
第13章 机械传动系统的设计_第3页
3/11
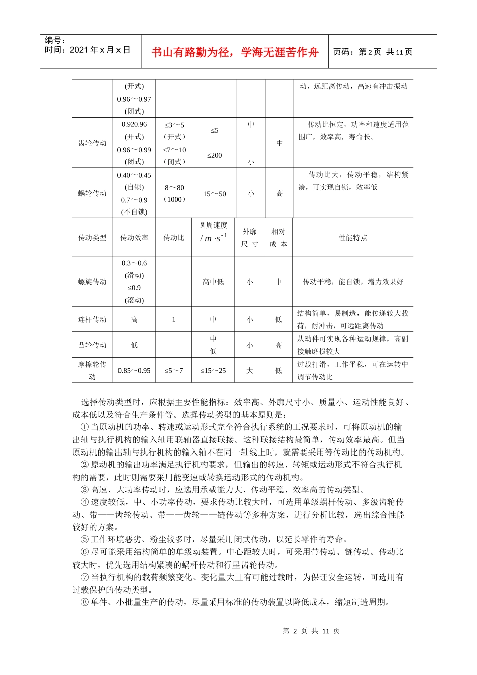
第1页共11页编号:时间:2021年x月x日书山有路勤为径,学海无涯苦作舟页码:第1页共11页第十三章一般机械传动系统设计现代机器由原动机部分、传动部分、执行部分三个基本部分组成。原动机部分是驱动整部机器以完成预定功能的动力源。通常,一部机器只用一个原动机,复杂的机器也可能有几个动力源。它们都是把其它形式的能量转换为可以利用的机械能。现代机器中使用的原动机多是以各式各样的电动机和热力机为主。执行部分是用来完成机器预定功能的组成部分。一部机器可以只有一个执行部分,也可以把机器的功能分解成好几个执行部分。传动部分由图13-1可知,是把原动机的运动形式、运动及动力参数转变为执行部分所需要的运动形式、运动及动力参数的中间传动装置。机器的传动部分多数使用机械传动系统。它是绝大多数机器不可缺少的重要组成部分,其质量和成本在整台机器的质量和成本中占有很大的比例。机器的工作性能在很大程度上取决于传动装置的优劣。因此,本章仅对机械传动系统的设计作一个简单的介绍。原动机执行机构图13-1单路传动§13.1机械传动方案的设计传动系统方案设计是在完成了执行系统的方案设计和原动机的选型后进行的。机械传动系统除了进行运动和动力传递外,还可实现增速、减速或变速传动;变换运动形式;进行运动的合成和分解;实现分路传动和较远距离传动等。满足原动机和工作机性能要求的传动方案,是由不同的组合方式和布置顺序构成的。13.1.1传动类型的选择传动机构的类型很多,选择不同类型的传动机构,将会得到不同形式的传动系统方案。为了获得理想的传动方案,需要合理选择传动机构类型。常用传动机构及其性能见表13-l。表13-1常用传动机构及其性能传动类型传动效率传动比圆周速度外廓尺寸相对成本性能特点带传动0.94~0.96(平带)0.92~0.97(V带)≤5~75~25(30)大低过载打滑,传动平稳,能缓冲吸振,不能保证定传动比,远距离传动0.95~0.98(齿型带)≤1050(80)中低传动平稳,能保证固定传动比链传动0.90~0.92≤5(8)5~25大中平均传动比准确,可在高温下传第2页共11页第1页共11页编号:时间:2021年x月x日书山有路勤为径,学海无涯苦作舟页码:第2页共11页(开式)0.96~0.97(闭式)动,远距离传动,高速有冲击振动齿轮传动0.920.96(开式)0.96~0.99(闭式)≤3~5(开式)≤7~10(闭式)≤5≤200中小中传动比恒定,功率和速度适用范围广,效率高,寿命长。蜗轮传动0.40~0.45(自锁)0.7~0.9(不自锁)8~80(1000)15~50小高传动比大,传动平稳,结构紧凑,可实现自锁,效率低传动类型传动效率传动比圆周速度外廓尺寸相对成本性能特点螺旋传动0.3~0.6(滑动)≤0.9(滚动)高中低小中传动平稳,能自锁,增力效果好连杆传动高1中小低结构简单,易制造,能传递较大载荷,耐冲击,可远距离传动凸轮传动低中低小高从动件可实现各种运动规律,高副接触磨损较大摩擦轮传动0.85~0.95≤5~7≤15~25大低过载打滑,工作平稳,可在运转中调节传动比选择传动类型时,应根据主要性能指标:效率高、外廓尺寸小、质量小、运动性能良好、成本低以及符合生产条件等。选择传动类型的基本原则是:①当原动机的功率、转速或运动形式完全符合执行系统的工况要求时,可将原动机的输出轴与执行机构的输入轴用联轴器直接联接。这种联接结构最简单,传动效率最高。但当原动机的输出轴与执行机构的输入轴不在同一轴线上时,就需要采用等传动比的传动机构。②原动机的输出功率满足执行机构要求,但输出的转速、转矩或运动形式不符合执行机构的需要,此时则需要采用能变速或转换运动形式的传动机构。③高速、大功率传动时,应选用承载能力大、传动平稳、效率高的传动类型。④速度较低,中、小功率传动,要求传动比较大时,可选用单级蜗杆传动、多级齿轮传动、带——齿轮传动、带——齿轮——链传动等多种方案,进行分析比较,选出综合性能较好的方案。⑤工作环境恶劣、粉尘较多时,尽量采用闭式传动,以延长零件的寿命。⑥尽可能采用结构简单的单级动装置。中心距较大时,可采用带传动、链传动。传动比较大时,优先选用结构紧凑的蜗杆传动和行星齿轮传动。⑦当执行机构的载荷频繁变化、变化...

1、当您付费下载文档后,您只拥有了使用权限,并不意味着购买了版权,文档只能用于自身使用,不得用于其他商业用途(如 [转卖]进行直接盈利或[编辑后售卖]进行间接盈利)。
2、本站所有内容均由合作方或网友上传,本站不对文档的完整性、权威性及其观点立场正确性做任何保证或承诺!文档内容仅供研究参考,付费前请自行鉴别。
3、如文档内容存在违规,或者侵犯商业秘密、侵犯著作权等,请点击“违规举报”。

碎片内容

第13章 机械传动系统的设计

您可能关注的文档

确认删除?
VIP
微信客服
  • 扫码咨询
会员Q群
  • 会员专属群点击这里加入QQ群
客服邮箱
回到顶部