生物的多样性—植物篇明代栗园识板栗 介绍古栗园介绍古栗园 明代中期朝廷在北方设立明代中期朝廷在北方设立防线,不单大力修筑砖石长城,...
八年级下册第 13 章 生物的多样性本节目标本节目标( 1 )学会依据生物的特征进行分类( 2 )了解细菌的形态和结构,以及原核生物的...
第 13 章 质量目标、质量保证体系及保证措施13.1 质量管理体系13.1.1 方针和目标一、×××的质量方针×××的质量方针是:科学管理,...
第十三章 钢结构的制造和安装13.1 工作范围……………………………………..13-113.2 钢结构制作安装的依据……………………...13-113.3...
第 13 章 施工进度保证措施一旦我局中标,在接到开工通知书后,以最快的速度组织人员、机械设备迅速进场,做好工程前期准备工作,按时有...
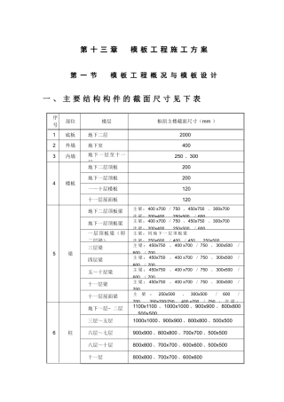
第 十 三 章 模 板 工 程 施 工 方 案第 一 节 模 板 工 程 概 况 与 模 板 设 计一 、 主 要 结 构 构 件...
第 13 章 土石方平衡规划与石料场开采13.1 土石方平衡规划的原则本工程是一个以大型土石方挖填为主的综合性工程,土石方平衡规划是本合...
第 13 章 钻孔灌浆及永久排水工程13.1 工程概述13.1.1 工程范围根据 xxxx 抽水蓄能电站工程标招标文件,本工程灌浆及排水工程主要包...
第 13 章 二次回路设计一、 二次设备的选择1、二次回路保护设备的选择1)熔断器的配置A、控制和保护回路熔断器的配置同一安装单位的控...
土工合成材料铺设工程监理实施细则13.1 总 则(1)本细则的编制依据:1)施工承建合同、设计文件。2)SL/T225-98《水利水电工程土工合成...
第 13 章 压力钢管的制造和安装13.1 概况本标所属压力钢管分别布置在机组引水隧洞和尾水隧洞内。引水隧洞的压力钢管布置在进口闸门后渐...
第 13 章 生物氧化与氧化磷酸化单元自测题(一) 名词解释与比较1. 生物氧化与燃烧2. 氧化还原电势与氧化还原电势差3. 自由能变化与标...
第十三章 环境经济损益分析环境经济损益分析是环境影响评价的一项重要工作内容,然而,经济效益比较直观,很容易用货币直接计算,而污染影...
第十三章 安全目标及安全保证措施第一节 安全目标杜绝死亡,消灭重伤,轻伤月平均负伤频率低于 1‰。第二节 安全保证体系在本工程施工...
第十三章 简单国民收入决定理论答案一、名词解释1、储蓄——居民个人可支配收入中用于消费之外剩余的部分。广义的储蓄还包括政府收入与支...
章末复习提升课1.两种关系(1)互斥与对立的关系:互斥事件与对立事件的关系是互斥不一定对立,但对立一定互斥.(2)频率与概率的关系:频率...
13.3 频率与概率 1.通过实例了解模拟方法估计概率. 2.理解频率、概率的意义. 3.掌握用概率的意义解释生活中的实例.1.频率设 Ω ...
13.2.2 几何概率 1.通过实例体会几何概型的含义,会区分古典概型和几何概型.2.掌握几何概型的概率计算公式,会求一些事件的概率.1....
13.2.1 古典概率模型 1.通过实例了解概率的意义. 2.理解古典概型及概率计算公式. 3.掌握求实际问题的概率.1.古典概型的概念及概率...
13.1.1 事 件 13.1.2 事件的运算 1.通过实例了解随机事件发生的不确定性. 2.理解对立事件和互斥事件. 3.掌握事件的运算.1.事...

