电脑桌面
添加小米粒文库到电脑桌面
安装后可以在桌面快捷访问

第13章-钻孔灌浆及永久排水工程-正稿

第13章-钻孔灌浆及永久排水工程-正稿_第1页
1/46
第13章-钻孔灌浆及永久排水工程-正稿_第2页
2/46
第13章-钻孔灌浆及永久排水工程-正稿_第3页
3/46
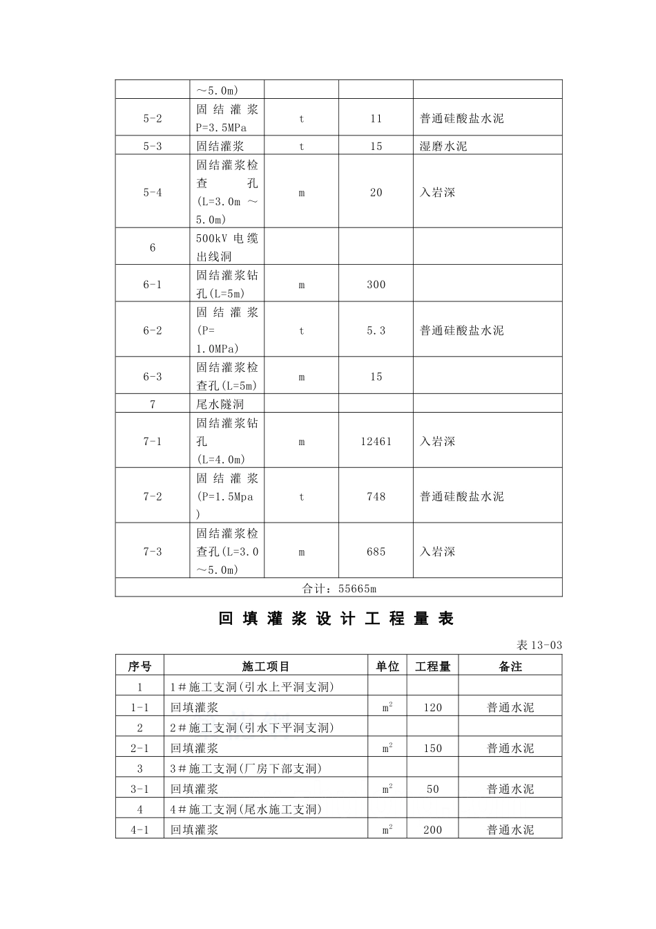
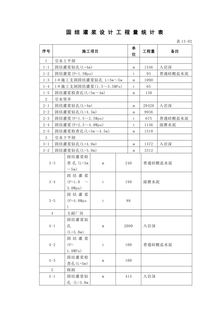
第 13 章 钻孔灌浆及永久排水工程13.1 工程概述13.1.1 工程范围根据 xxxx 抽水蓄能电站工程标招标文件,本工程灌浆及排水工程主要包括回填灌浆、固结灌浆、接触灌浆、帷幕灌浆、永久性排水孔钻孔施工等形式。13.1.2 主要工程量该标段灌浆和排水孔主要工程量如下:帷 幕 灌 浆 设 计 工 程 量 表表 13-01序号施工项目单位工程量备注1引水下平洞1-1帷幕灌浆钻孔(L=8.0m)m2208入岩深1-2帷幕灌浆检查孔(L=8.0m)m220.81-3帷幕灌浆t133湿磨水泥1-4水溶性聚氨脂或(其它化学灌浆)t772引水排水廊道2-1帷幕灌浆钻孔(L=20~40m)m5118普通钻孔2-2帷幕灌浆钻孔(L=20~40m)m698取岩芯钻孔2-3帷幕灌浆t145.3硅酸盐水泥2-4帷幕灌浆t204湿磨水泥2-5帷幕灌浆检查孔(L=20~40m)m5823厂房上下侧3-1帷幕灌浆钻孔(L=30m)m23103-2帷幕灌浆钻孔(L=40m)m30803-3帷幕灌浆t270硅酸盐水泥3-4帷幕灌浆检查孔(L=30m~40m)m544尾水隧洞4-1帷幕灌浆钻孔(L=8.0m)m10564-2帷幕灌浆t63.0硅酸盐水泥4-3帷灌灌浆检查孔(L=8.0m)m110入岩深合计:14738.8m固 结 灌 浆 设 计 工 程 量 统 计 表 表 13-02序号施工项目单位工程量备注1引水上平洞1-1固结灌浆钻孔(L=4m)m1546入岩深1-2固结灌浆(P=1.5Mpa)t93普通硅酸盐水泥1-31#施工支洞固结灌浆钻孔 L=3m~5mm10901-41#施工支洞固结灌浆(1.5~3.5MPa)t651-5固结灌浆检查孔(L=3m~4m)m1302引水竖井2-1固结灌浆钻孔(L=4m)m20426入岩深2-2固结灌浆钻孔(L=4.5m)m99362-3固结灌浆(P=1.5~2.5Mpa)t675普通硅酸盐水泥2-4固结灌浆(P=2.5~4.0Mpa)t1146湿磨水泥2-5固结灌浆检查孔(L=3m~4.5m)m15183引水下平洞3-1固结灌浆钻孔(L=4.0m)m1472入岩深3-2固结灌浆钻孔(L=3.0m)m33123-3固结灌浆检查 孔 (L=3m~5m)m240普通硅酸盐水泥3-4固 结 灌 浆(P=1.0~3.0Mpa)t199湿磨水泥3-5固 结 灌 浆(P=4.0Mpa)t884主副厂房4-1固结灌浆钻孔(L=5.0m)m2000入岩深4-2固 结 灌 浆(P= 1.0MPa)t100普通硅酸盐水泥4-3固结灌浆检查孔(L=5m)m1005探洞5-1固结灌浆钻孔 (L=3.0mm414入岩深~5.0m)5-2固 结 灌 浆 P=3.5MPat11普通硅酸盐水泥5-3固结灌浆t15湿磨水泥5-4固结灌浆检查孔(L=3.0m ~5.0m)m20入岩深6500kV 电 缆出线洞6-1固结灌浆钻孔(L=5m)m3006-2固 结 灌 浆(P= 1.0MPa)t5.3普通硅酸盐水泥6-3固结灌浆检查孔(L=5m)m157尾水隧洞7-1固结灌浆钻孔(L=4.0m)m12461入岩深7-2固 结 灌 浆(P=1.5Mpa)t748普通硅酸盐...

1、当您付费下载文档后,您只拥有了使用权限,并不意味着购买了版权,文档只能用于自身使用,不得用于其他商业用途(如 [转卖]进行直接盈利或[编辑后售卖]进行间接盈利)。
2、本站所有内容均由合作方或网友上传,本站不对文档的完整性、权威性及其观点立场正确性做任何保证或承诺!文档内容仅供研究参考,付费前请自行鉴别。
3、如文档内容存在违规,或者侵犯商业秘密、侵犯著作权等,请点击“违规举报”。

碎片内容

第13章-钻孔灌浆及永久排水工程-正稿

您可能关注的文档

领读文化+ 关注
实名认证
内容提供者

传播文化,铸就未来

确认删除?
VIP
微信客服
  • 扫码咨询
会员Q群
  • 会员专属群点击这里加入QQ群
客服邮箱
回到顶部