电脑桌面
添加小米粒文库到电脑桌面
安装后可以在桌面快捷访问

给排水资料表格VIP专享VIP免费

给排水资料表格_第1页
1/90
给排水资料表格_第2页
2/90
给排水资料表格_第3页
3/90
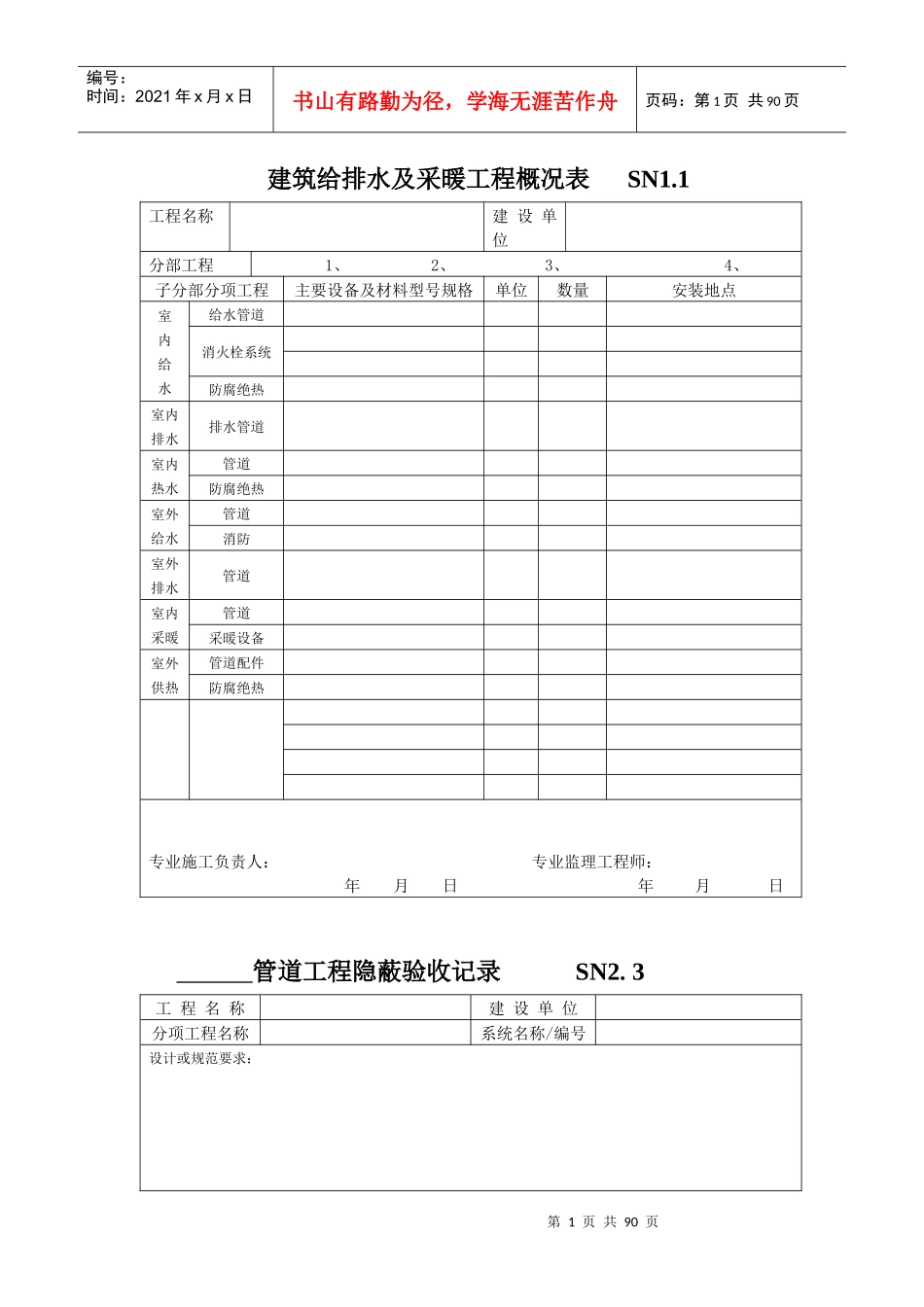
第1页共90页编号:时间:2021年x月x日书山有路勤为径,学海无涯苦作舟页码:第1页共90页建筑给排水及采暖工程概况表SN1.1工程名称建设单位分部工程1、2、3、4、子分部分项工程主要设备及材料型号规格单位数量安装地点室内给水给水管道消火栓系统防腐绝热室内排水排水管道室内热水管道防腐绝热室外给水管道消防室外排水管道室内采暖管道采暖设备室外供热管道配件防腐绝热专业施工负责人:专业监理工程师:年月日年月日管道工程隐蔽验收记录SN2.3工程名称建设单位分项工程名称系统名称/编号设计或规范要求:第2页共90页第1页共90页编号:时间:2021年x月x日书山有路勤为径,学海无涯苦作舟页码:第2页共90页隐蔽内容及部位:检查结果:检查人:验收意见:验收人:专业施工负责人:施工单位项目经理:月日专业监理工程师:(建设单位项目负责人);2007年月日建筑给水排水及采暖工程施工现场质量管理记录SN1.1工程名称施工许可证号建设单位项目负责人设计单位项目负责人监理单位施工单位主要工种第3页共90页第2页共90页编号:时间:2021年x月x日书山有路勤为径,学海无涯苦作舟页码:第3页共90页姓名工种持证名称证号发证部门现场管理制度质量检查制度施工图审查情况施工组织设计及方案审批人现场使用主要设备仪器、仪表名称型号规格单位数量说明专业施工负责人:2007年月日专业监理工程师:2007年月日建筑给水排水及采暖分部工程质量验收记录SN1.2工程名称层数/建筑面积施工单位开/竣工日期项目经理/证号专业技术负责人/证号项目专业技术负责人/证号序号项目验收内容验收结论1子分部工程质量验收工子分部,经查子分部;符合规范及设计要求子分部2质量管理资料核查共项,经审查符合要求项;经核定符合规范要求项3安全、卫生和主要使用功能核查抽查结果共抽查项,符合要求项;经返工处理符合要求项第4页共90页第3页共90页编号:时间:2021年x月x日书山有路勤为径,学海无涯苦作舟页码:第4页共90页4观感质量验收共抽查项,符合要求项;不符合要求项5综合验收结论参加验收单位施工单位设计单位监理单位建设单位(公章)单位(项目)负责人:2007年月日(公章)单位(项目)负责人:2007年月日(公章)单位(项目)负责人:2007年月日(公章)单位(项目)负责人:2007年月日建筑给水排水及采暖子分部质量管理记录SN1.3(统表1)第5页共90页第4页共90页编号:时间:2021年x月x日书山有路勤为径,学海无涯苦作舟页码:第5页共90页工程名称结构类型层数施工单位技术部门负责人质量部门负责人分包单位分包单位负责人分包技术负责人序号分项工程名称检验批数施工单位检查评定验收意见1234567891011质量控制资料应查项数项核查结果安全和功能检查(检测)报告应查项数项核查结果观感质量验收应查项数项好:项一般:项差:项验收意见分包单位项目经理:2007年月日施工单位项目经理:2007年月日设计单位项目负责人:2007年月日监理(建设)单位总监理工程师:(建设单位项目专业负责人)2007年月日第6页共90页第5页共90页编号:时间:2021年x月x日书山有路勤为径,学海无涯苦作舟页码:第6页共90页建筑给水排水及采暖分项工程质量验收记录SN1.4(统表2)工程名称结构类型检验批数施工单位项目经理技术负责人分包单位分包单位负责人分包项目经理/证号序号检验批部位、区段施工单位评定结果12345678910111213检查验收监理工程师:第7页共90页第6页共90页编号:时间:2021年x月x日书山有路勤为径,学海无涯苦作舟页码:第7页共90页结论项目专业技术负责人:2007年月日结论(建设单位项目专业技术负责人)2007年月日建筑给水排水及采暖工程质量控制资料核查记录SN1.5工程名称施工单位序号资料名称份数核查意见检查人1图纸合审、设计变更、洽商记录2材料、配件出厂合格证及进场检(试)报告3管道、设备强度试验、严密性试验记录4隐蔽工程验收记录5系统清洗、灌水、通水、通球试验记录6施工记录7分部分项工程质量验收记录核查意见:施工单位项目经理:2007年月日验收意见:总监理工程师:(建设单位项目负责人):2007年月日第8页共90页第7页共90页编号:时间:2021年x月x日书山有路勤为径,学海无涯苦...

1、当您付费下载文档后,您只拥有了使用权限,并不意味着购买了版权,文档只能用于自身使用,不得用于其他商业用途(如 [转卖]进行直接盈利或[编辑后售卖]进行间接盈利)。
2、本站所有内容均由合作方或网友上传,本站不对文档的完整性、权威性及其观点立场正确性做任何保证或承诺!文档内容仅供研究参考,付费前请自行鉴别。
3、如文档内容存在违规,或者侵犯商业秘密、侵犯著作权等,请点击“违规举报”。

碎片内容

给排水资料表格

确认删除?
VIP
微信客服
  • 扫码咨询
会员Q群
  • 会员专属群点击这里加入QQ群
客服邮箱
回到顶部