电脑桌面
添加小米粒文库到电脑桌面
安装后可以在桌面快捷访问

路基工程质量验收规范VIP免费

路基工程质量验收规范_第1页
1/272
路基工程质量验收规范_第2页
2/272
路基工程质量验收规范_第3页
3/272
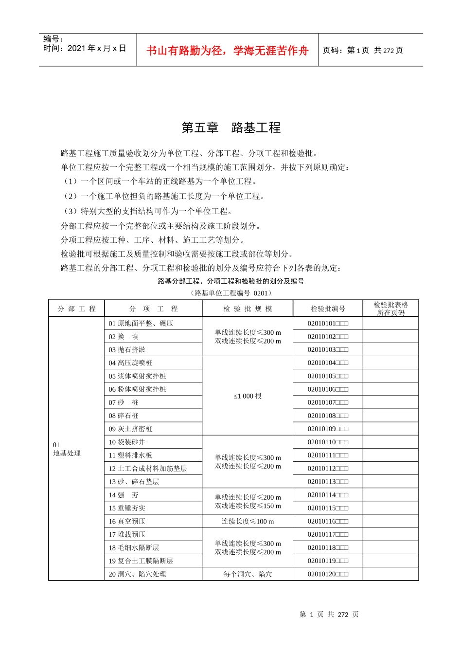
第1页共272页编号:时间:2021年x月x日书山有路勤为径,学海无涯苦作舟页码:第1页共272页第五章路基工程路基工程施工质量验收划分为单位工程、分部工程、分项工程和检验批。单位工程应按一个完整工程或一个相当规模的施工范围划分,并按下列原则确定:(1)一个区间或一个车站的正线路基为一个单位工程。(2)一个施工单位担负的路基施工长度为一个单位工程。(3)特别大型的支挡结构可作为一个单位工程。分部工程应按一个完整部位或主要结构及施工阶段划分。分项工程应按工种、工序、材料、施工工艺等划分。检验批可根据施工及质量控制和验收需要按施工段或部位等划分。路基工程的分部工程、分项工程和检验批的划分及编号应符合下列各表的规定:路基分部工程、分项工程和检验批的划分及编号(路基单位工程编号0201)分部工程分项工程检验批规模检验批编号检验批表格所在页码01地基处理01原地面平整、碾压单线连续长度≤300m双线连续长度≤200m02010101□□□02换填02010102□□□03抛石挤淤02010103□□□04高压旋喷桩≤1000根02010104□□□05浆体喷射搅拌桩02010105□□□06粉体喷射搅拌桩02010106□□□07砂桩02010107□□□08碎石桩02010108□□□09灰土挤密桩02010109□□□10袋装砂井单线连续长度≤300m双线连续长度≤200m02010110□□□11塑料排水板02010111□□□12土工合成材料加筋垫层02010112□□□13砂、碎石垫层02010113□□□14强夯单线连续长度≤200m双线连续长度≤150m02010114□□□15重锤夯实02010115□□□16真空预压连续长度≤100m02010116□□□17堆载预压单线连续长度≤300m双线连续长度≤200m02010117□□□18毛细水隔断层02010118□□□19复合土工膜隔断层02010119□□□20洞穴、陷穴处理每个洞穴、陷穴02010120□□□第2页共272页第1页共272页编号:时间:2021年x月x日书山有路勤为径,学海无涯苦作舟页码:第2页共272页续表分部工程分项工程检验批规模检验批编号检验批表格所在页码02基床以下路堤01一般路堤填筑单线连续长度≤300m双线连续长度≤200m(双侧边坡)每检测层02010201□□□02路堤边坡02010202□□□03路堤与桥台间过渡段填筑每个基坑、过渡段基底每检测层02010203□□□04加筋土路堤填筑单线连续长度≤300m双线连续长度≤200m每检测层02010204□□□05改良土路堤填筑02010205□□□06填石路堤02010206□□□07盐渍土地基上路堤填筑02010207□□□08软土地基上路堤填筑02010208□□□09冻土地基上路堤填筑02010209□□□10膨胀土路堤填筑020102010□□□11黄土路堤填筑020102011□□□12取土场(坑)每处020102012□□□03基床01基床底层单线连续长度≤300m双线连续长度≤200m每检测层02010301□□□02基床表层02010302□□□03路基面单线连续长度≤300m双线连续长度≤200m02010303□□□04路堑01路堑基床底层单线连续长度≤300m双线连续长度≤200m每检测层02010401□□□02路堑基床表层02010402□□□03路堑开挖单线连续长度≤300m双线连续长度≤200m02010403□□□04膨胀岩(土)路堑02010404□□□05黄土路堑02010405□□□06冻土路堑02010406□□□07弃土场(堆)沿线长度≤500m或每一处集中弃土场02010407□□□路基支挡05重力式挡土墙01明挖基坑两伸缩缝间长度每跳槽分段长度02010501□□□02基础02010502□□□03桩基础每根桩02010503□□□04桩基础承台两伸缩缝(沉降缝)间长度02010504□□□05沉井基础每个沉井基础02010505□□□06换填基础沿挡土墙长度方向≤50m02010506□□□07挡土墙墙身及墙背填筑两伸缩缝间长度02010507□□□06短卸荷板式挡土墙01明挖基坑两伸缩缝间长度每跳槽分段长度02010601□□□02基础02010602□□□03挡土墙墙身及墙背填筑两伸缩缝间长度02010603□□□04短卸荷板两沉降(伸缩)缝间长度02010604□□□07悬臂式和扶壁式挡土墙01明挖基坑两伸缩缝间长度每跳槽分段长度02010701□□□02墙趾板、墙踵板两沉降(伸缩)缝间长度02010702□□□03墙面板、扶壁两沉降(伸缩)缝间长度02010703□□□第3页共272页第2页共272页编号:时间:2021年x月x日书山有路勤为径,学海无涯苦作舟页码:第3页共272页续...

1、当您付费下载文档后,您只拥有了使用权限,并不意味着购买了版权,文档只能用于自身使用,不得用于其他商业用途(如 [转卖]进行直接盈利或[编辑后售卖]进行间接盈利)。
2、本站所有内容均由合作方或网友上传,本站不对文档的完整性、权威性及其观点立场正确性做任何保证或承诺!文档内容仅供研究参考,付费前请自行鉴别。
3、如文档内容存在违规,或者侵犯商业秘密、侵犯著作权等,请点击“违规举报”。

碎片内容

路基工程质量验收规范

中小学教育精品资料+ 关注
实名认证
内容提供者

中小学教育资料,优质文档创作者

确认删除?
VIP
微信客服
  • 扫码咨询
会员Q群
  • 会员专属群点击这里加入QQ群
客服邮箱
回到顶部